Right turn signals not working

2004 GMC ENVOY
15,000 MILES • 4WD
Avatar
JENCOOLER
  • MEMBER
  • 2 POSTS
My uncle took battery out, then put it back in. Everything works except right side of turn signals. However it has rained a bunch and my mirror turn signal got water in it. Could that make all the right side bad? I checked fuses and bulbs in front and back, everything good.
Feb 9, 2019 at 9:29 PM
Advertisement
Avatar
SCGRANTURISMO
  • CERTIFIED EXPERT
  • 4,897 POSTS
Hello,

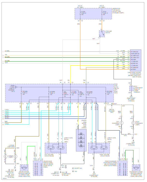
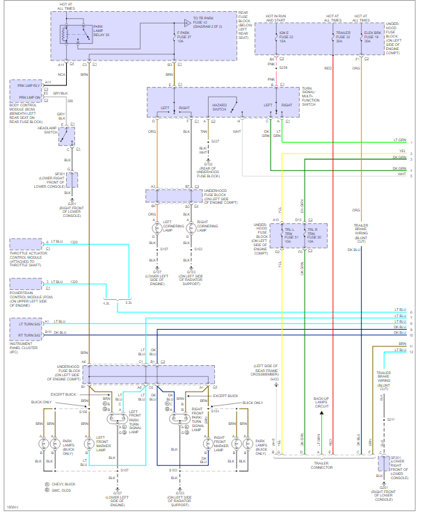
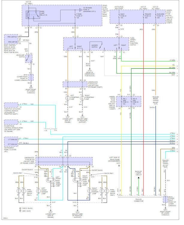
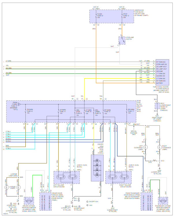
It does sound like you have got a short to ground somewhere in the harness. I have included in the diagrams below the exterior lights wiring diagrams for your vehicle. Check them over and let us know what you find out.

Thanks,
Alex
2CarPros
Feb 9, 2019 at 9:44 PM
Avatar
JENCOOLER
  • MEMBER
  • 2 POSTS
Thank you. I have used Google to teach me how to take back and front lights out and see where fuse boxes were. I will try this tomorrow.
Feb 9, 2019 at 9:48 PM
Advertisement
Avatar
STRAILER
  • CERTIFIED EXPERT
  • 53,854 POSTS
Please let us know what you find. We are interested to see what it is.
Feb 12, 2019 at 10:26 AM