Right turn signal blinker circuit?

1998 BUICK LESABRE
275,000 MILES • 2.8L • 6 CYL • 2WD • AUTOMATIC
Avatar
ALPHAA10
  • MEMBER
  • 232 POSTS
The left turn blinker circuit (and dash turn indicator) and its function with the rear blinker bulb is okay. but the right blinker circuit stopped functioning.

With ignition switch on, when the turn signal wand is pushed into the right turn position, the dash indication of right turn signal stays on, but dash indicator does not blink, with right turn wand still on right turn position, the right taillight lights all bulbs, but without blinking.

Although I have attempted with a VOM to check all fusible links beneath the dash, the VOM leads are difficult to position properly on each tiny contact point. On the idea this might be simpler-- a matter of replacing a component besides the fusible link, I need to review the schematics for this car.

Your suggestions are appreciated.
Oct 26, 2022 at 5:13 PM
Advertisement
Avatar
JACOBANDNICKOLAS
  • CERTIFIED EXPERT
  • 110,175 POSTS
Hi,

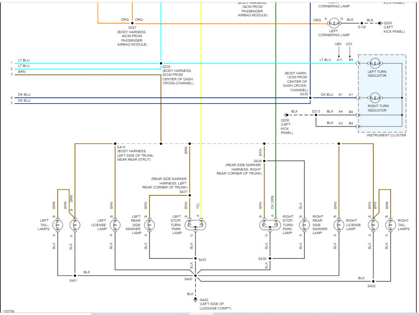
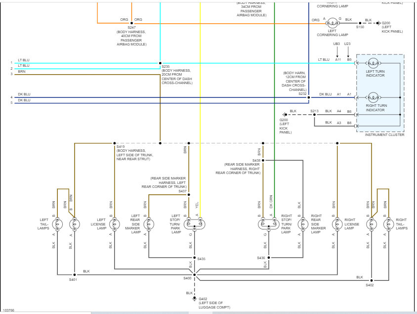
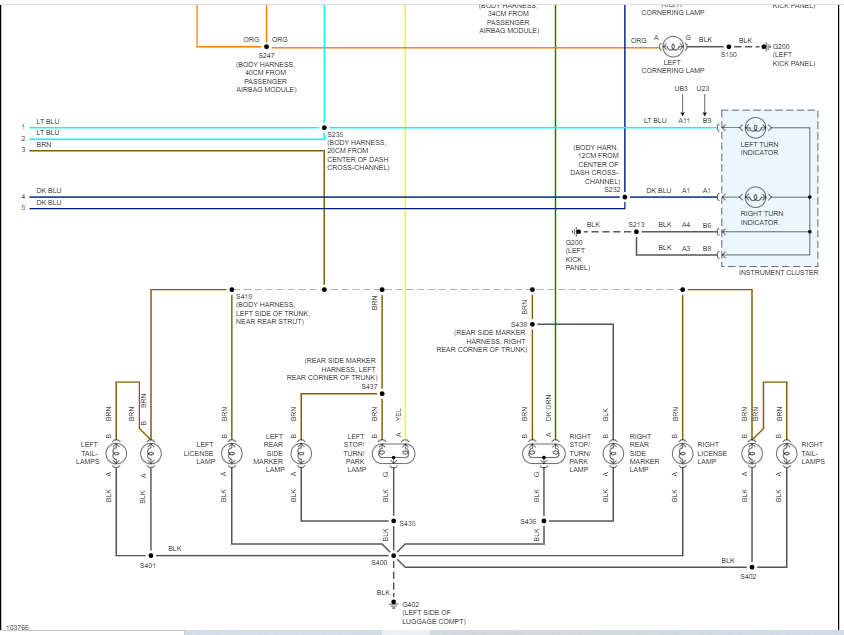
Did you replace the signal flasher under the dash, driver's side? See pic 1 below. Note: the remaining pics are the wiring schematic for the exterior lighting.

As far as the wiring is concerned, I attached the schematic for the exterior lighting which includes the signals. However, before you go crazy, check the flasher. Keep in mind, there is a flasher under there for the hazard lamps as well. The easiest thing to do is to turn the left flasher on and you will be able to feel the flasher operating.

Let me know what you find or if you have other questions.

Take care,

Joe

See pics below. Note: The schematic pages were cut in half to make them readable. I did overlap them so you can follow from one to the next.
Oct 26, 2022 at 8:09 PM
Avatar
ALPHAA10
  • MEMBER
  • 232 POSTS
Thanks, Joe. I'll do that check ASAP.

1. The "flasher" switch is labeled "A" on the fourth image, counting from left.
2. Because the left turn signal flasher function is okay, yet the right turn signal flasher is not working, and both connect to the same switch, what is the actual point of failure? Does the switch circuit have a left and right arm?
3. Duly noted-- the hazard flasher is "B" on the same schematic image.

*Thanks for the schematic, and the highlighted areas.
Oct 28, 2022 at 1:43 AM
Advertisement
Avatar
JACOBANDNICKOLAS
  • CERTIFIED EXPERT
  • 110,175 POSTS
Hi,

Since the lights are turning on but not flashing, we know the switch is good. I suspect the issue is with the flasher itself. I suspect the flasher is the issue, but I've been wrong before and will be again. LOL Regardless, that is where I would start. I believe you can switch the hazard with it to see if it makes things work. Just make sure the connectors are the same.

Take care and let me know what you find.

Joe
Oct 28, 2022 at 9:33 PM
Avatar
ALPHAA10
  • MEMBER
  • 232 POSTS
Joe,
At long last, after the non-crank episode, I can return to resolution of the right flasher problem. As you commented earlier in this thread, "Since the lights are turning on but not flashing, we know the switch is good. I suspect the issue is with the flasher itself... ".
==================
As you instructed, I found the flasher-- which seems a good place to resume diagnosis.
Tomorrow, I'll check the flasher for vibration when L or R turn is selected.
According to a brief review of the schematic you provided (thank you!), I located the R turn switch, and traced the rest of the circuit.

Here is current symptoms--
1. Both front and rear side marker lights work.
2. Front side marker and L tail light work when turn selector on steering column is switched to L position.
3. Front side market and R tail light do not work when turn selector on steering column is switched to R turn position.
4. Instrument panel shows a continuously lighted R turn green indicator, which does not flash and stays lighted no matter where the turn selector has been switched.
Jul 31, 2023 at 10:01 PM
Avatar
JACOBANDNICKOLAS
  • CERTIFIED EXPERT
  • 110,175 POSTS
Hi,

Welcome back. I'm glad the schematic helped. I feel the relay is the best place to start. When you have a chance, let me know what you find.

Take care,

Joe
Aug 1, 2023 at 7:29 PM
Avatar
ALPHAA10
  • MEMBER
  • 232 POSTS
Joe,
As I understood it, the flasher issue is different than the starter enables relay location. Please correct, if I misunderstood you.
At this time, the Buick's non-crank situation has been resolved-- one of the 10A Minifuses had been slightly bent on both prongs, so it could not be inserted properly, and eventually became loose enough to fall out of the Minifuse panel. Although I still would like to find the starter enable relay location with an orienting photograph, that seems different than the inoperative R turn flasher .
Aug 3, 2023 at 1:08 PM
Avatar
JACOBANDNICKOLAS
  • CERTIFIED EXPERT
  • 110,175 POSTS
Hi,

I'm glad you found the issue with the fuse. As far as the relays are concerned, they are two different ones. Both are located under the dash.

I attached two pics below showing both of them. The flasher relay will likely be round.

Take a look at the pics and let me know if they help.

Take care,

joe

See pics below.
Aug 3, 2023 at 9:02 PM
Avatar
ALPHAA10
  • MEMBER
  • 232 POSTS
I found the rounded flasher "pot" for the turn signals with no problem, but the starter enable relay still eludes me. Still am looking for a photo of the general starter enable relay area, so I will be prepared if a non-crank ever recurs.
BTW, Thanks for the line drawings.
Aug 5, 2023 at 12:36 AM
Avatar
JACOBANDNICKOLAS
  • CERTIFIED EXPERT
  • 110,175 POSTS
Hi,

The starter relay should be tucked up under the dash near where the steering column is located. Is nothing there?

Joe
Aug 5, 2023 at 3:32 PM
Avatar
ALPHAA10
  • MEMBER
  • 232 POSTS
Joe, When I looked under the dash (with the lower cover removed), I did not see anything which matched the replacement starter enable relay purchased through the manager of a local (O'Reilly) auto parts store.
This is simply a note to keep you posted. If I run across the relay, of course, I'll let you know.
Aug 6, 2023 at 6:50 PM