Right turn blinker turned on with high beams?

2004 CHEVROLET TAHOE
232,543 MILES • 5.3L • V8 • 4WD • AUTOMATIC
Avatar
RAGINGSOUL
  • MEMBER
  • 54 POSTS
When I turn my right turn blinker on the high beams come on, I'm not sure if that is a warning of another light being out or not? Could it be that the switch in the steering wheel column is gone or shot?

Might you have any idea what it could be? Any suggestions or help would be very grateful as always.
Oct 14, 2024 at 1:21 PM
Advertisement
Avatar
STRAILER
  • CERTIFIED EXPERT
  • 53,855 POSTS
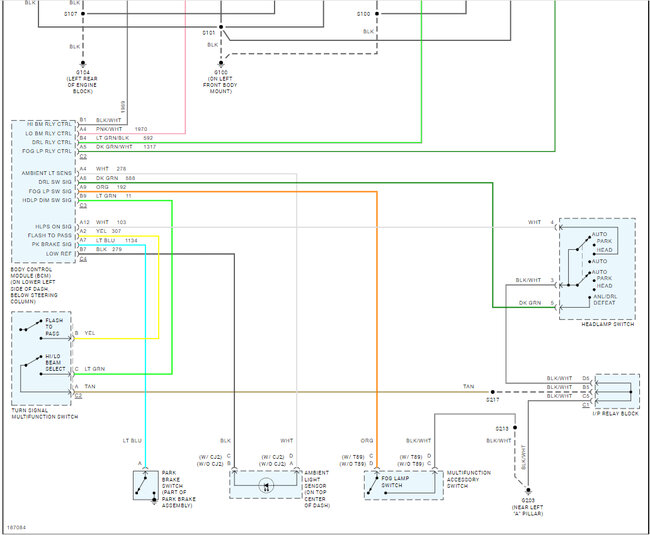
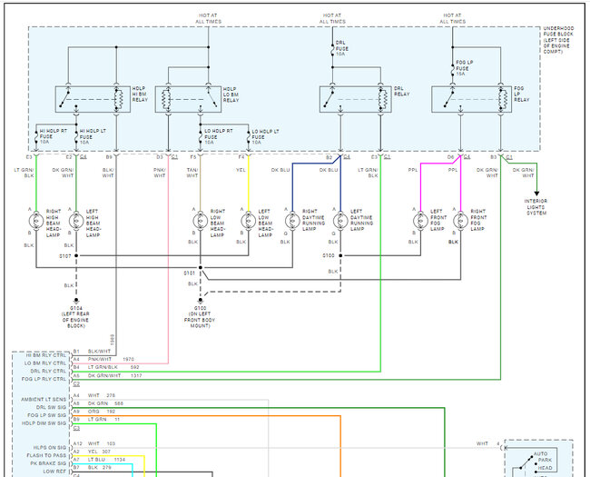
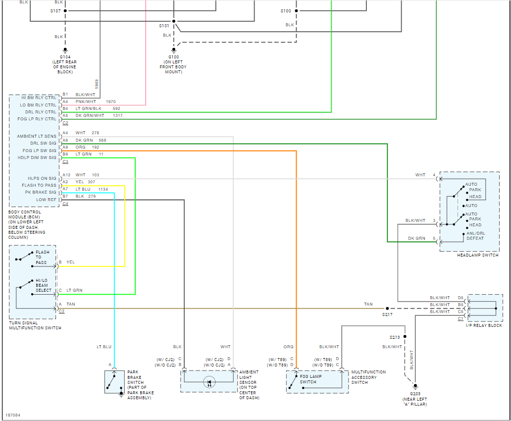
This must be a wiring issue because the blinkers do not intersect with headlights in the wiring diagrams. I would start at the front right headlight and blinker wiring to look for damage or wiring repairs that were not done correctly. Here is the headlight wiring so you can see what's going on.

Please go over this video as well:

https://www.youtube.com/watch?v=e-gDH1Ce_7E

Check out the images (below). Please let us know what happens.
Oct 15, 2024 at 9:54 AM
Avatar
RAGINGSOUL
  • MEMBER
  • 54 POSTS
I have never seen in my 45 years of working on vehicles where you flip on the blinker and the high beam comes on. That's a great place to start. I thank you very much for that and as soon as I get time I'll start looking. Again, you guys the 2CarPros are so awesome absolutely the best and I recommend all my friends to contact you when they have issues. thank you again so very much and I hope you guys have a wonderful day.
Oct 15, 2024 at 9:58 AM
Advertisement
Avatar
STRAILER
  • CERTIFIED EXPERT
  • 53,855 POSTS
Yep, that is a good one, I am glad you like the site, we try to make a difference and appreciate your kind words.
Oct 16, 2024 at 9:44 AM
Avatar
RAGINGSOUL
  • MEMBER
  • 54 POSTS
All the thanks goes to you guys.
Oct 20, 2024 at 2:17 PM
Avatar
STRAILER
  • CERTIFIED EXPERT
  • 53,855 POSTS
You are welcome, please let me know what you find :)
Oct 21, 2024 at 9:37 AM
Avatar
RAGINGSOUL
  • MEMBER
  • 54 POSTS
Hello Ken, well I attached a video to show you what is going on. I checked the headlights and the blinkers and there doesn't seem to be a short anywhere in there that I can find. So maybe with the video this will help out.
Oct 30, 2024 at 2:26 PM
Avatar
STRAILER
  • CERTIFIED EXPERT
  • 53,855 POSTS
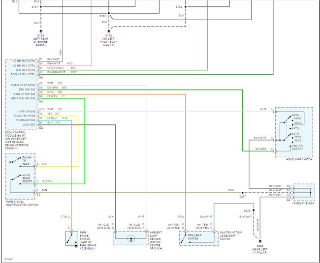
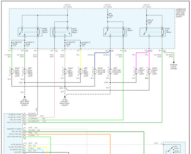
Perfect, thanks for the video, it looks like the shared connection is in the multi-function switch, here is how to change it out which should fix the problem. Check out the images (below). Please let us know what happens.
Oct 31, 2024 at 1:01 PM
Avatar
RAGINGSOUL
  • MEMBER
  • 54 POSTS
Hey Ken, I just wanted to let you know that I purchased a new blinker switch and replaced it and that solved the problem. thank you very much as always you guys are awesome have a great day.
Nov 5, 2024 at 9:52 AM
Avatar
STRAILER
  • CERTIFIED EXPERT
  • 53,855 POSTS
Glad you could get it fixed, thanks for letting us know. Please use 2CarPros anytime we are here to help.

Can you please leave us a rating? (copy entire link)

https://g.page/r/CZdEnyCkGgm6EB0/review

and

https://www.sitejabber.com/reviews/2carpros.com

thank you! :)
Nov 6, 2024 at 9:07 AM