Right side window not working

2009 CADILLAC ESCALADE EXT
120,000 MILES
Avatar
MICHAEL GARCIA2
  • MEMBER
  • 1 POST
Passenger window does not go up or down will not lock with switch control from drivers side or passenger. i replace the switch on right side and still nothing.
Dec 21, 2019 at 5:43 PM
Advertisement
Avatar
KASEKENNY
  • CERTIFIED EXPERT
  • 18,907 POSTS
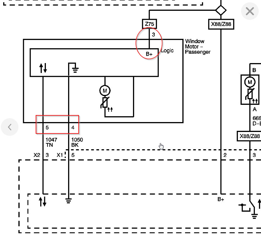
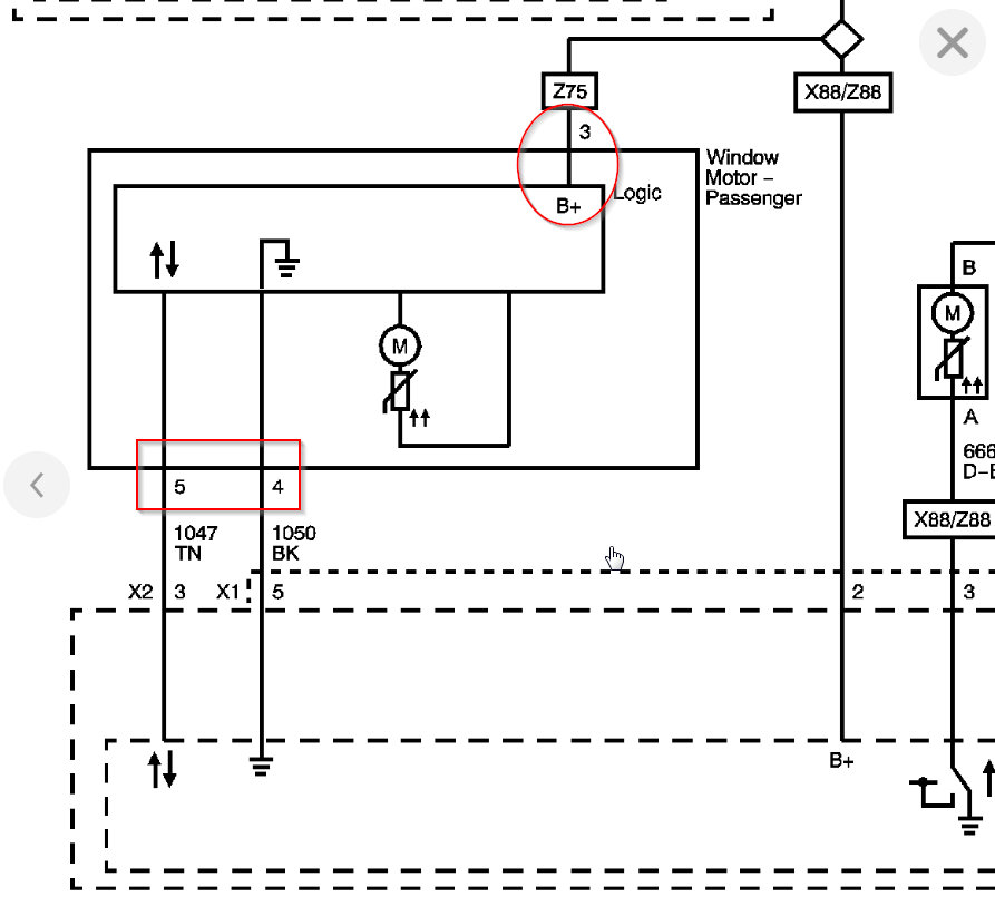
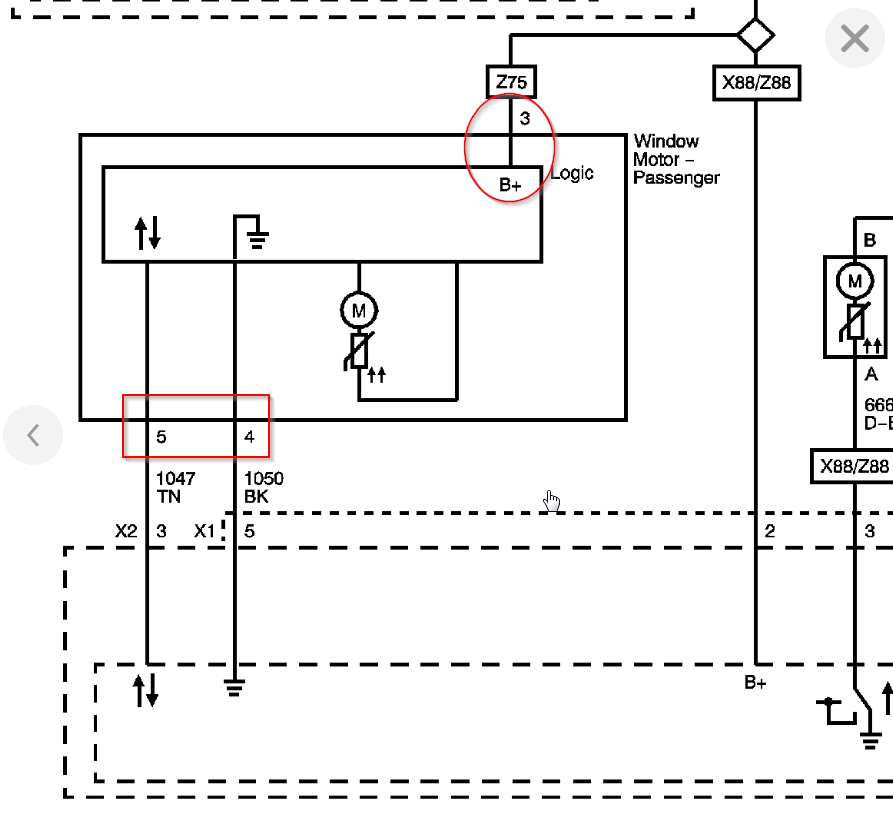
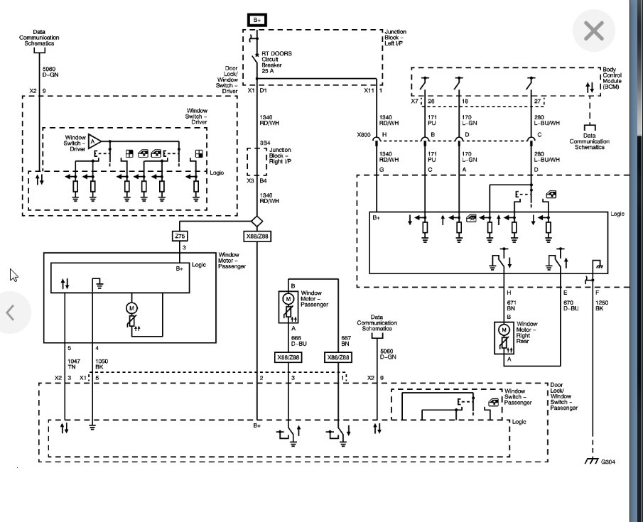
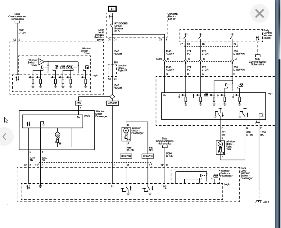
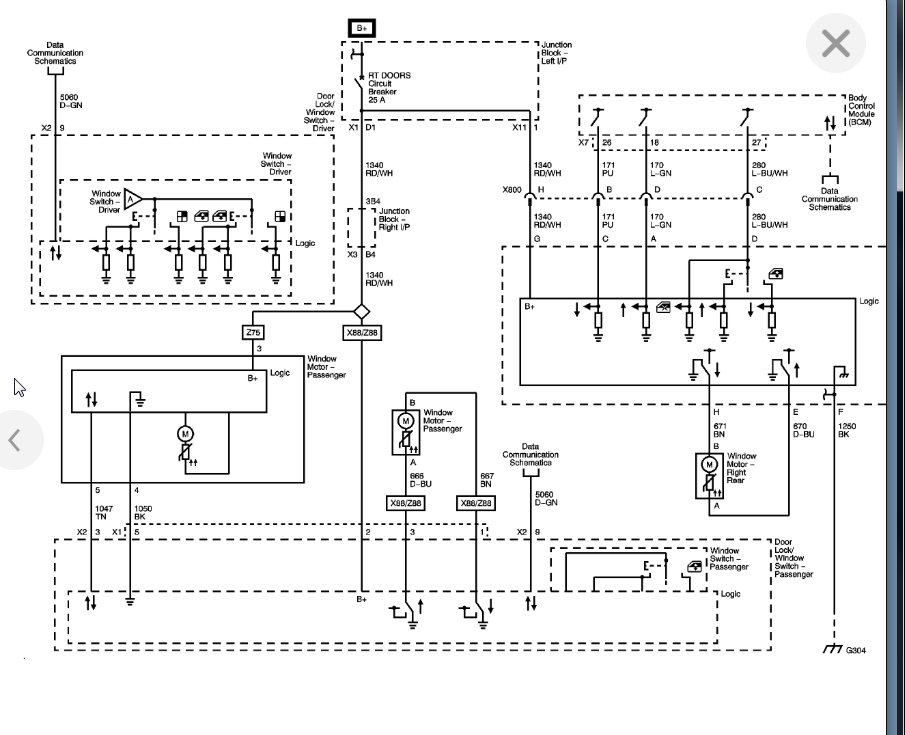
If it is just the front passenger side then we need to assume that fuses are good because the rear window is run off the same feed. If you look at the diagram it shows that the window motor has 3 wires. The second attachment is a closer look at the window motor. We need to check and make sure you have 12 volts at the B+ and you have voltage on the signal wire from the switch and the motor has proper ground. I suspect the window motor itself is the issue. However, we need to confirm this by testing the wiring.

Let me know what you find and we can go from there. Thanks

https://www.2carpros.com/articles/how-to-check-and-replace-a-electric-power-window-motor

https://www.2carpros.com/articles/how-to-check-wiring
Dec 22, 2019 at 3:12 PM