Turn signals not working properly?

2010 DODGE CALIBER
89,000 MILES • 4 CYL • AUTOMATIC
Avatar
PAMELA BARNES
  • MEMBER
  • 1 POST
My right turn signal started flashing fast a week ago. I replaced the rear turn signal a few years ago and replaced the front 5/19/18. The turn signal is still flashing fast. Not sure what to do now. Please help!
May 21, 2018 at 10:11 AM
Advertisement
Avatar
HARRY P
  • CERTIFIED EXPERT
  • 2,292 POSTS
Hello. Turn signals will flash fast like that when there is a burnt bulb or broken wire somewhere in the system. The easiest thing to do would be to turn the left signal on and check and see which lights flash. Then do that for the right side and compare to what you saw on the left side. Then simply replace the bulbs of any lights that are not working, even if they appear okay. Check the guides linked below:

Turn signals blink fast: https://www.2carpros.com/articles/turn-signals-blink-rapidly

Turn signal bulb replacement: https://www.2carpros.com/articles/turn-signal-bulb-replacement

If replacing the bulb(s) does not fix it, then we will go through checking the wiring (anyone can do that with a little guidance). Let us know what you find either way.

Read the guide below on testing wiring, it will help

https://www.2carpros.com/articles/how-to-check-wiring


The wiring diagrams for your exterior lights are attached below
May 21, 2018 at 1:20 PM
Avatar
GUNES
  • MEMBER
  • 2 POSTS
hi
my car's turn signals dont work even the cleaners. it is dodge caliber. Could you please tell me how to fix it by my own?
Nov 2, 2020 at 11:22 AM (Merged)
Advertisement
Avatar
JACOBANDNICKOLAS
  • CERTIFIED EXPERT
  • 110,175 POSTS
Do the lights come on and not flash? Do they flash really fast? What do you mean by "Cleaners?"
Nov 2, 2020 at 11:22 AM (Merged)
Avatar
MARJO124
  • MEMBER
  • 7 POSTS
I don't have any idea on car wiring, labor here in canada for wiring is too expensive compared to other country. Can you locate where i can find the burnt wire of the signal problem of my car anyway so i can check it myself before i it will be check on friday as scheduled by manufacturer. Its been 3days that my car stocked already because of this problem. And dodge caliber 2007 git a lot if problem of mine. Thanks for the assistance.
Nov 2, 2020 at 11:22 AM (Merged)
Avatar
HMAC300
  • CERTIFIED EXPERT
  • 48,601 POSTS
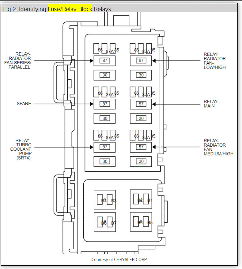
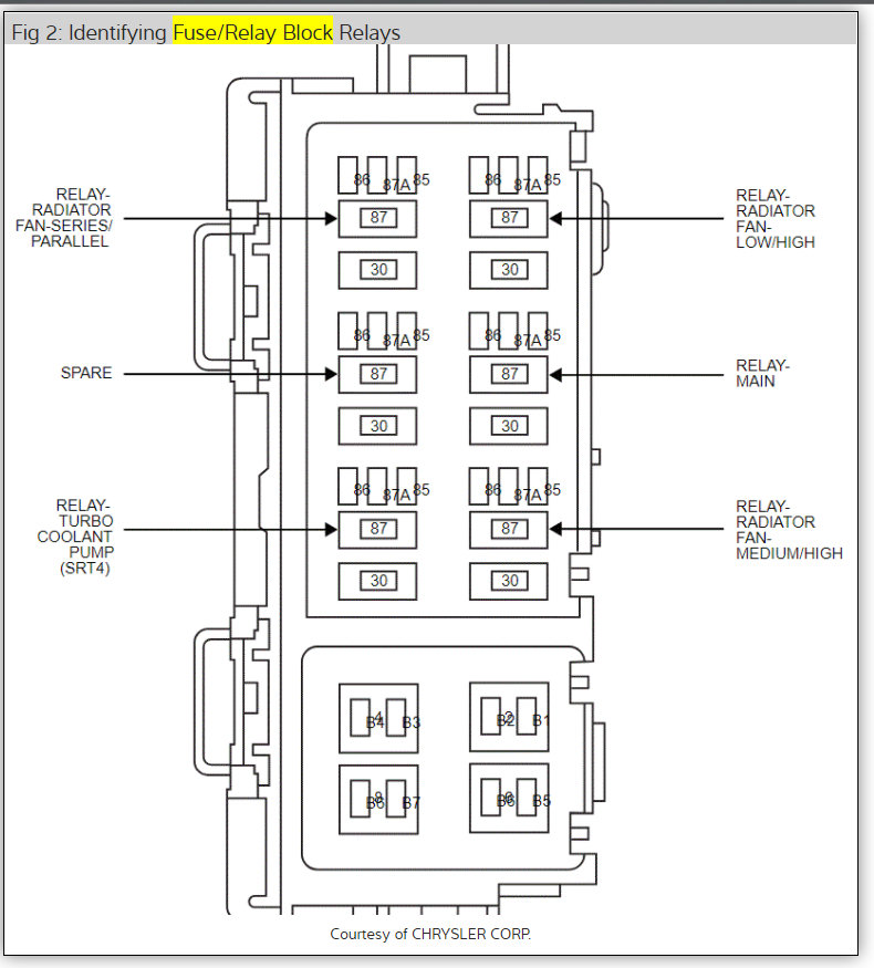
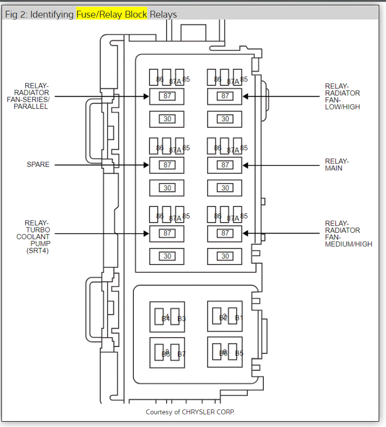
Looking at the wiring diagrams there are several fuses that need to be checked first here is a guide to help you with that.

https://www.2carpros.com/articles/how-to-check-a-car-fuse

Here are the turn signal wiring diagrams so you can see how the system works and the fuse panel locations and identification. It could be the TIPM I have seen where they have problems.

Check out the diagrams (Below)

Please let us know what you find.

Cheers
Nov 2, 2020 at 11:22 AM (Merged)
Avatar
MARJO124
  • MEMBER
  • 7 POSTS
This was the scenario, first i lost my right signal, it was blinking too fast in the driver warning inside, only yesterday the left also lost its signal light. I asked the mechanic in the canadian tire if it was the bulb burnt but its not, i also checked fuse but all ok, the mechanic also checked on it and advice me to go to the manufacturer to check for wiring. And its too expensive in mu part but what should i do if it is the problem either. Can you assist step by step again what the things needed to be check. Thanks
Nov 2, 2020 at 11:22 AM (Merged)
Avatar
HMAC300
  • CERTIFIED EXPERT
  • 48,601 POSTS
this can be anything for ma bad t/s switch to a flasher gone bad have it scanned as it can be the tpim module which caliber are known to go out on .
Nov 2, 2020 at 11:22 AM (Merged)
Avatar
MARJO1424
  • MEMBER
  • 3 POSTS
Thanks for that, can you send me a picture where i can see the t/s switch because i cannot locate it please. Thank you for the assistance.
Nov 2, 2020 at 11:22 AM (Merged)
Avatar
HMAC300
  • CERTIFIED EXPERT
  • 48,601 POSTS
If your TIPM module is bad you will need the dealer to program it to the car.
Nov 2, 2020 at 11:22 AM (Merged)
Avatar
MARJO124
  • MEMBER
  • 7 POSTS
I went to the manufacturer today to check the signal problem and its too expensive due to the replacement of the TIPM is the suggestion. Is there's any other way to solve the problem? Please advice. Thanks again.
Nov 2, 2020 at 11:22 AM (Merged)
Avatar
HMAC300
  • CERTIFIED EXPERT
  • 48,601 POSTS
the car needs the TIPM to work right there is no way to bypass it, Sorry
Nov 2, 2020 at 11:22 AM (Merged)
Avatar
MARJO124
  • MEMBER
  • 7 POSTS
Thanks for the help, I cost me $850.00 bucks to have the TIPM replaced but at least the car is working again.
Nov 2, 2020 at 11:22 AM (Merged)
Avatar
  • MEMBER
  • 1 POST
headlight had a crack in it where water would enter. i changed out the entire light but now the light wont work the signal light works but not the main light what could be the problem
Nov 2, 2020 at 11:22 AM (Merged)
Avatar
JACOBANDNICKOLAS
  • CERTIFIED EXPERT
  • 110,175 POSTS
Recheck to make sure the bulb is in. THe light assembly is plastic and there is nothing it could have done to stop the light from working. Also, check the bulb to make sure it is good.

Let me know what you find.
joe
Nov 2, 2020 at 11:22 AM (Merged)
Avatar
ONWUSI CHIDI
  • MEMBER
  • 1 POST
I want to know where to trace the problem.
Nov 2, 2020 at 11:22 AM (Merged)
Avatar
STEVE W.
  • CERTIFIED EXPERT
  • 15,113 POSTS
A common failure on this year is the TIPM module, it is the smart fuse box and controls most of the electronics in the car. Each turn signal lamp is an individual output from the TIPM. If the other turn signals all work you can eliminate everything except the TIPM, bulb and it's ground wire.

In your case I would start at the lamp in question. Verify the lamp is good, then use a test light connected to ground and, with the turn signal on check to see if one of the terminals shows battery voltage pulsing on and off. If it has that then the issue is likely a ground. The ground wires for the turn signals are all black wires with a colored stripe depending on which corner. To test those you would connect the test light to battery power and then probe the ground terminal in the socket. If it lights then the circuit should be good.
The diagram is cropped a bit to show just the relative circuits and ground colors. If you trace the output for the signal in question back to the TIPM and find no output on it, the repair is to replace the TIPM and have it initialized if it is a used or rebuilt module.
Nov 2, 2020 at 11:22 AM (Merged)
Avatar
MARJO1424
  • MEMBER
  • 3 POSTS
I have checked my fuse in the fuse box if fuse need to be replace but all is ok, if i will turn on all the light all lights is ok, it is only when i signal right it is not working and the warning signal light in the speedometer area is blinking too fast but not the right signal in the rear and front. Please assist me what to do or the possible problem on this.

Thanks again your a great help
Nov 2, 2020 at 11:22 AM (Merged)
Avatar
JACOBANDNICKOLAS
  • CERTIFIED EXPERT
  • 110,175 POSTS
Usually when you have a very fast blinking, that indicates that there is a burnt out bulb. Check them first.
Nov 2, 2020 at 11:22 AM (Merged)
Avatar
MARJO1424
  • MEMBER
  • 3 POSTS
I already replace the bulb but still not working, both left and right turn signal is not working anymore. Please help. Thanks
Nov 2, 2020 at 11:22 AM (Merged)