I have the truck listed above with the towing package.
The truck turn lights all work. There's no power for the right turn at 7 pin receptacle. The tail, and left turn lights are okay. I have the checked the TT right turn relay and is okay.
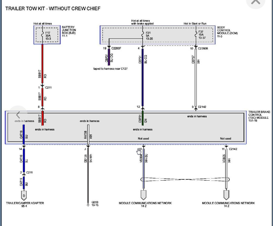
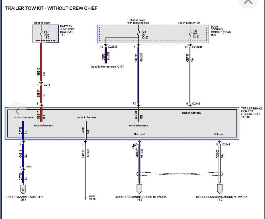
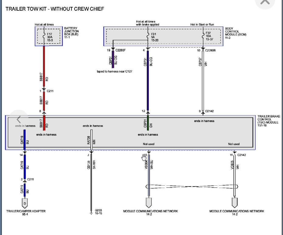
Wiring diagrams for TT lights would be very helpful.
thanks for help,
Gayle
The truck turn lights all work. There's no power for the right turn at 7 pin receptacle. The tail, and left turn lights are okay. I have the checked the TT right turn relay and is okay.
Wiring diagrams for TT lights would be very helpful.
thanks for help,
Gayle
Jun 28, 2019 at 5:37 PM



















