Right rear tail lamp color coded wiring harness guide/diagram needed

2005 AUDI A6
187,000 MILES • 3.2L • 6 CYL • TURBO • 4WD
Avatar
  • MEMBER
  • 3 POSTS
I need to know the colors and where to put them on connector for wiring harness.
Feb 9, 2021 at 2:41 AM
Advertisement
Avatar
SEVAG P
  • CERTIFIED EXPERT
  • 405 POSTS
hello,

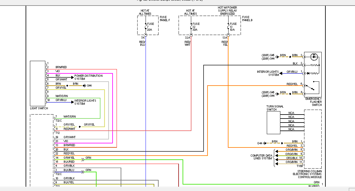
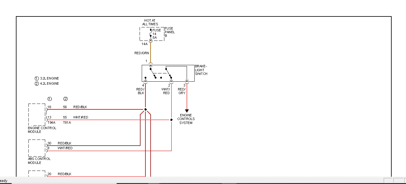
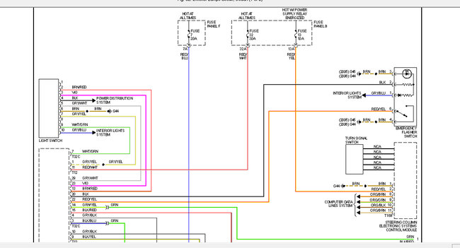
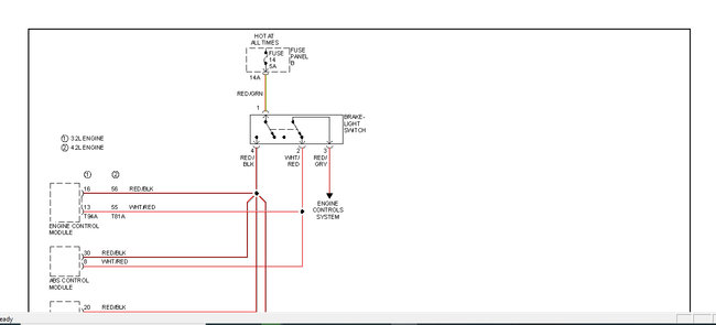
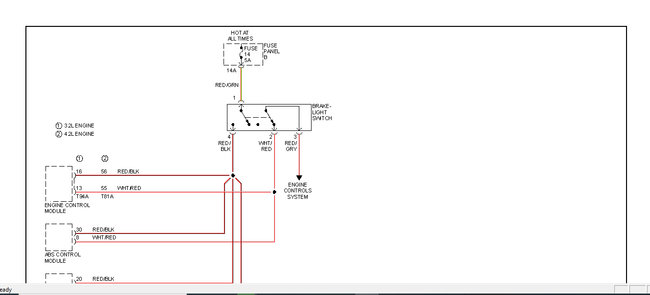
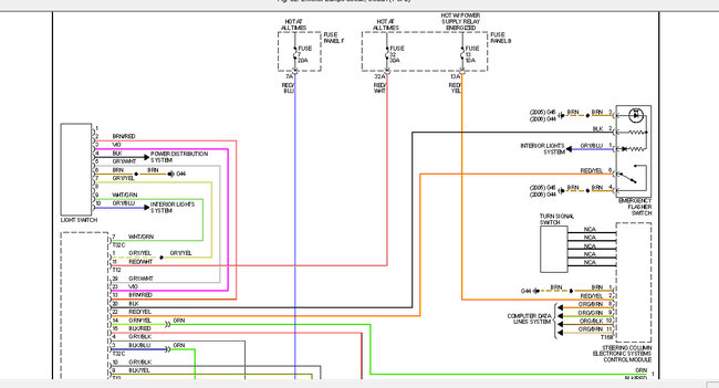
To get a clear view i cut the diagram in 3 sections of the right tail light, check the attached pictures below.

diagrams 1,2,3 for the right side tail light.
diagrams 4,5, for the left side tail light.

let us know if you need more help.

thank you.
Feb 9, 2021 at 4:09 AM
Avatar
  • MEMBER
  • 3 POSTS
Not this, i need a pinout. i need to know what pins goes to what wire.
Feb 9, 2021 at 6:00 AM
Advertisement
Avatar
SEVAG P
  • CERTIFIED EXPERT
  • 405 POSTS
hello,

You can use the wiring diagram to get the wires pin out with the colors, tail light connector is numbered at the pins position.

1.empty
2.black/green
3.brown
4.red/yellow.
5.empty.
6.gray/red
7.empty
8.green/blue
9.blue
10.gray

hope these helps, let us know if you need more help.

thank you.
Feb 9, 2021 at 7:55 AM
Avatar
  • MEMBER
  • 3 POSTS
Thank you, thank you, thank you!
Feb 9, 2021 at 9:28 AM
Avatar
SEVAG P
  • CERTIFIED EXPERT
  • 405 POSTS
you are welcome.
Feb 9, 2021 at 9:32 AM