Sorry for not getting back with you sooner. My 40-year-old Radio Shack multimeter stopped working after I checked the good rear right power window wires and the left bad rear side. I never had a chance to check the main switch on the front driver side window. I will order another multimeter.
This is what I have so far:
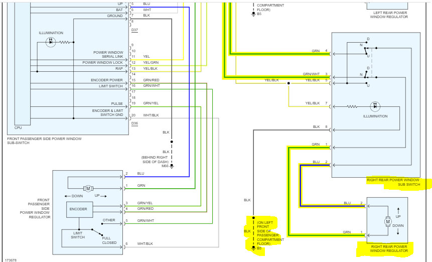
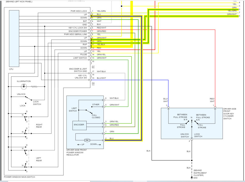
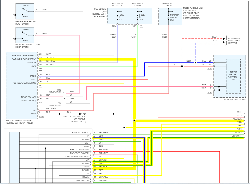
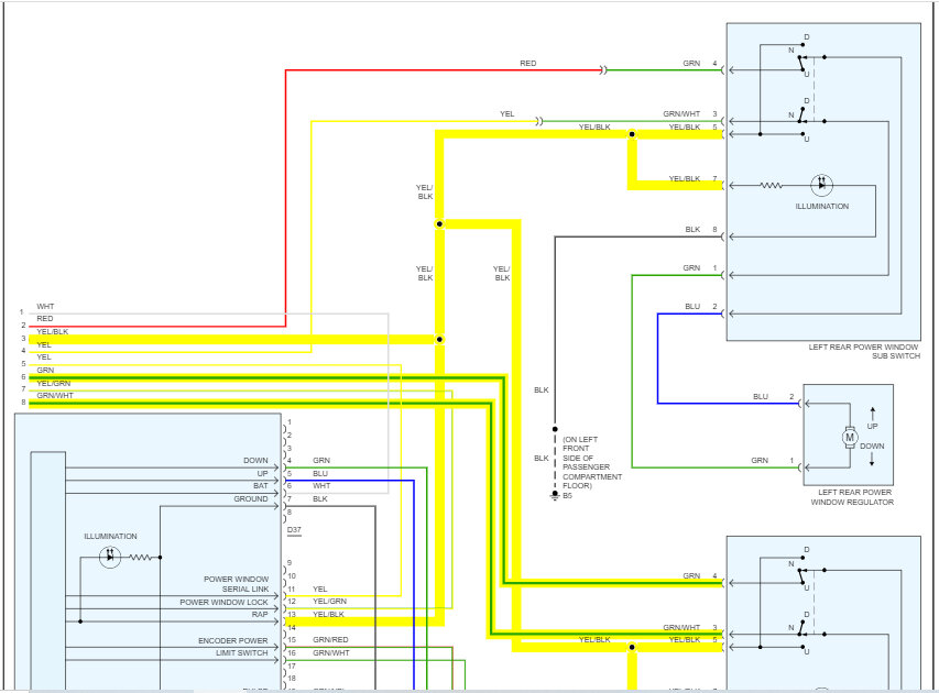
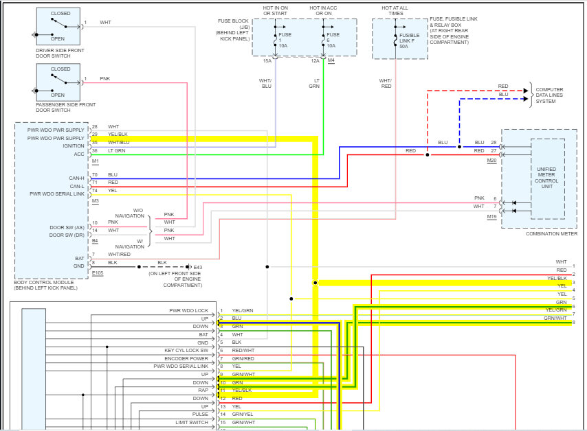
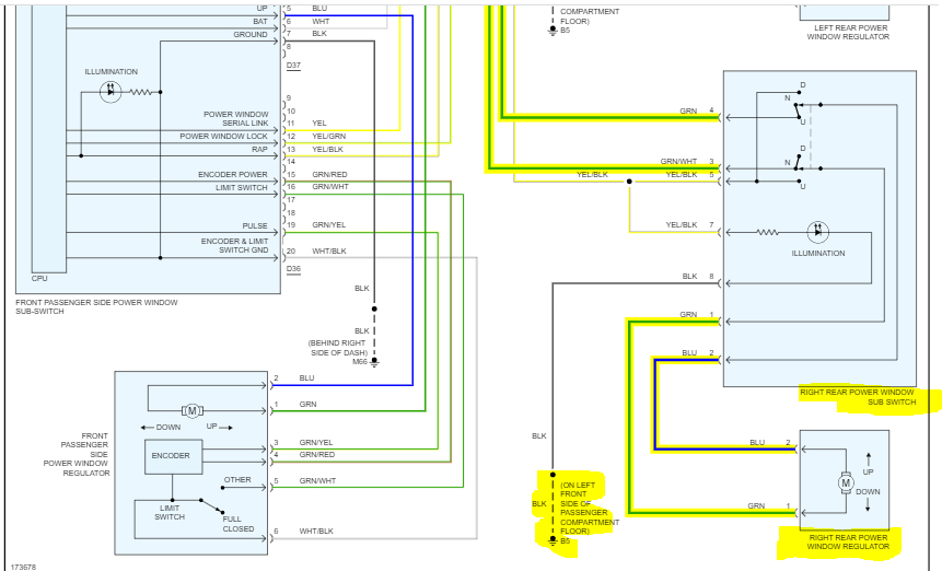
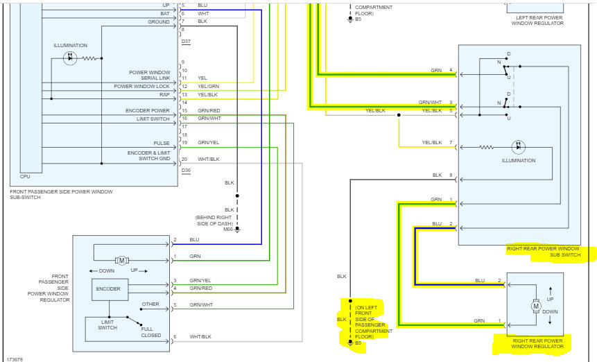
1) The good left rear window switch had power on the green white stripe wire and the green yellow stripe wire.
2) The bad rear window switch had power on the green white stripe wire and no power on the green yellow stripe wire.
I do not have a solid green wire on my window switches as indicated on your wiring diagram. I only have a solid green wire on the main switch on the front driver side window.
Window motor grounds on both sides are good.
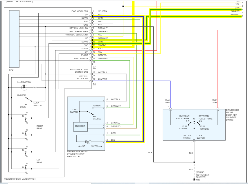
I found one interesting thing. I checked continuity on all the wires on both rear window switches when the key is on accessory:
1) When checking the continuity on the green yellow striped wire on the good left rear power window switch, I get clicks coming from the opposite side bad right rear power window switch only.
2) When checking the continuity on the green yellow striped wire on the bad right rear power window switch, I also only get clicks coming from the bad right rear power window switch.
Mar 17, 2023 at 12:32 PM