Right rear door ajar always on

2003 GMC SIERRA
160,000 MILES • 6.0L • V8 • 4WD • AUTOMATIC
Avatar
TAWAS23
  • MEMBER
  • 35 POSTS
Having trouble with right rear door ajar will display not go away I replaced the latch assembly no luck dome lights stay on all the time also. The odd thing is the BCM pinout calls for light green and black for right rear door for that side but on this truck for some reason the colors are light blue and black not sure why but having trouble finding issue with this truck since replacing latch didn't work? I tried to ground out the light blue and black wires at door to bypass switch and nothing happens. so, will grounding out at BCM C6 diagram plug pin A2 maybe bypass this right rear door ajar issue?
May 24, 2022 at 10:49 AM
Advertisement
Avatar
KASEKENNY
  • CERTIFIED EXPERT
  • 18,907 POSTS
Sorry for the delay.

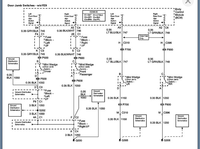
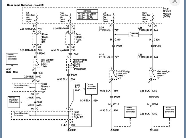
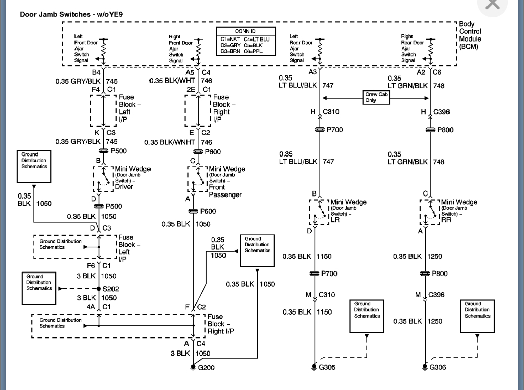
I am attaching the wiring diagram and it appears the left rear door has a blue and black wire so let's just make sure we are on the correct pin which is A2 of the C6 BCM connector for the RR door.

https://www.2carpros.com/articles/how-to-check-wiring

If you are on the correct wire, then the color is not that important but yes. If you ground this wire, the light should turn off. So, the way to repair this is to run a new wire to the switch and ground if the light turns off if grounding the wire.

If it does not, then there is a chance that the wiring has been tampered with. However, if it has not then the BCM is the issue because there is a resistor inside the BCM that is most likely an open circuit.

I am attaching the wiring diagram below that shows this.

Let me know what questions you have.
May 25, 2022 at 10:08 AM
Avatar
TAWAS23
  • MEMBER
  • 35 POSTS
Okay, looks like you're on the same page as I am can you please send me the BCM pinout for this truck 03 Sierra 1500HD? as the one I am looking at is for an Avalanche might be same but different. I am hoping you might have the correct one for this truck. thank you for helping me. I really appreciate it.
May 25, 2022 at 2:12 PM
Advertisement
Avatar
KASEKENNY
  • CERTIFIED EXPERT
  • 18,907 POSTS
No problem. I am attaching all the connectors for the BCM because while you need C6 someone else may need one of the others.

The last two attachments are C6. Let me know if you have other questions.

Thanks
May 25, 2022 at 3:34 PM
Avatar
TAWAS23
  • MEMBER
  • 35 POSTS
Thank you for your help. This is exactly what I was looking for. I really appreciate your help. Thanks again
May 26, 2022 at 7:03 AM
Avatar
KASEKENNY
  • CERTIFIED EXPERT
  • 18,907 POSTS
You are welcome. Keep us updated on what happens with this. I suspect you're on the right path because if you ground that circuit and the light goes out then you have a wiring issue. However, I am hoping this proves out.

Thanks
May 26, 2022 at 9:53 AM