Right side exterior mirror moves out of adjustment on its own

2011 FORD F-150
89,500 MILES • V8 • 4WD • AUTOMATIC
Avatar
SCHWANKE
  • MEMBER
  • 4 POSTS
My Pickup listed above has trailer mirrors that were installed post market. They adjust fine electrically but the right side creeps out of adjustment. Usually notice it when I first start the car. I don't think it is a memory of the seating position, I mostly notice it after I start the car. I wish I could catch it moving but have not. Any ideas?

sincerely,


Charles Schwanke
Apr 19, 2021 at 1:09 AM
Advertisement
Avatar
KASEKENNY
  • CERTIFIED EXPERT
  • 18,907 POSTS
More than likely this is a mirror issue because according to the factory wiring diagram the switch is the only thing that controls these.

Were these factory power mirrors that were installed or were they from some other supplier? In other words are they Ford parts or did you get them from somewhere else?

Also, did they provide installation instructions and did you have to rewire anything?

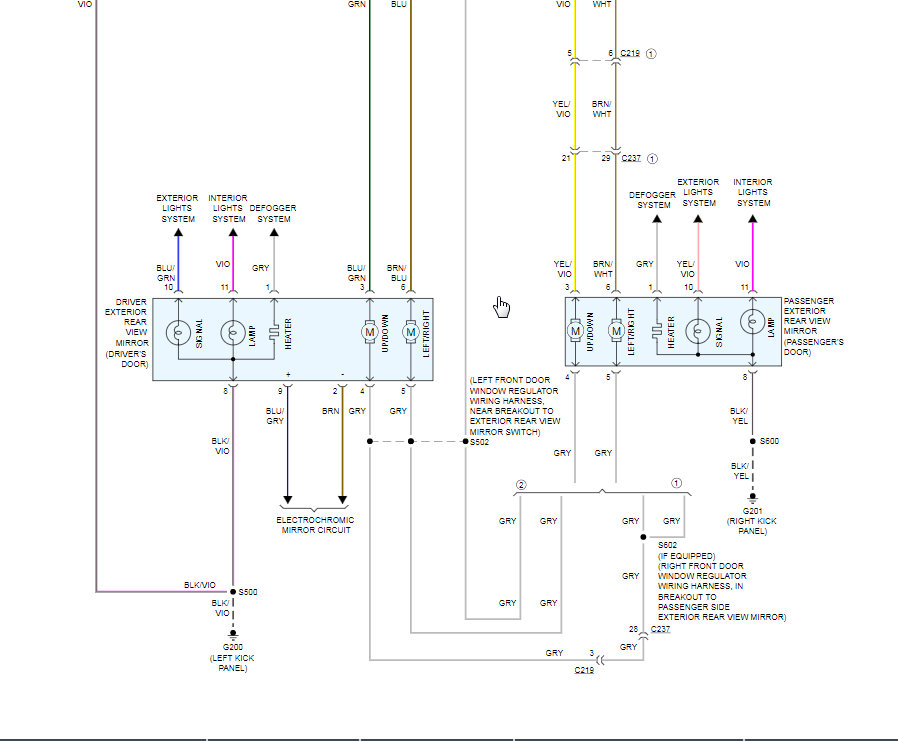
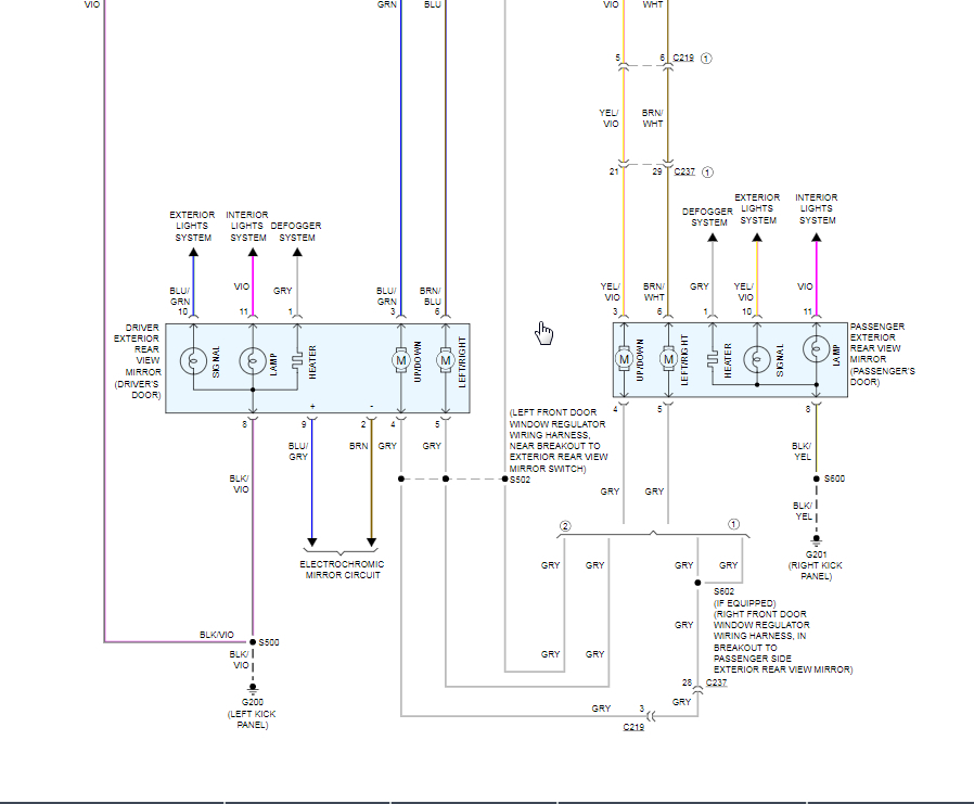
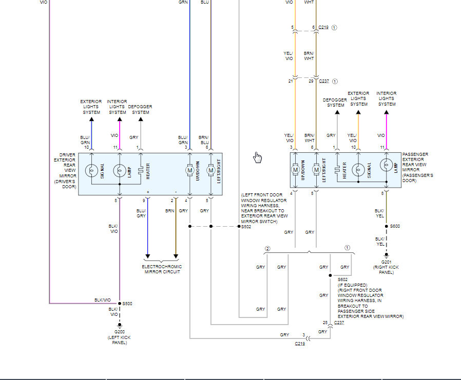
Please see the info below on the wiring diagram but as I said this is most likely a mirror issue. However, if this was a factory part then it could be a switch issue and we need to check the voltage at the mirror with the truck running to see if we have any voltage there that could cause this.

Lastly does it always move to the same position on it own or is it random?

https://www.2carpros.com/articles/how-to-check-wiring

Take a look at this info and let us know about this and we can go from there.

Thanks
Apr 19, 2021 at 4:56 PM
Avatar
SCHWANKE
  • MEMBER
  • 4 POSTS
Thank you! And yes, they are aftermarket trailering mirrors. The one that is at fault right now was recently replaced as it got knocked off. I think the problem started soon after it was replaced. You guys are golden. Can I join something or somehow pay someone for helping me?
Apr 19, 2021 at 6:38 PM
Advertisement
Avatar
KASEKENNY
  • CERTIFIED EXPERT
  • 18,907 POSTS
That is great info. I would start with exchanging that one out as they should warranty it if it is relatively new.

As for joining, you are a member and there are no dues so you are good to go. It is a free service that the site owner and his father started years ago (the 2 Car Pros) just to provide quality info for people that need some help.

Thanks for the support.
Apr 20, 2021 at 7:15 PM