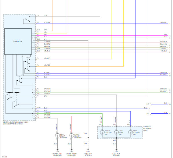
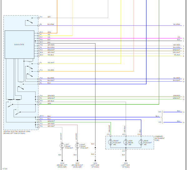
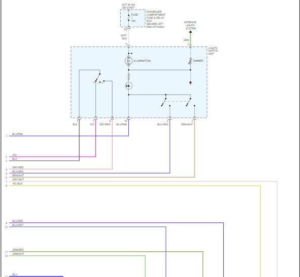
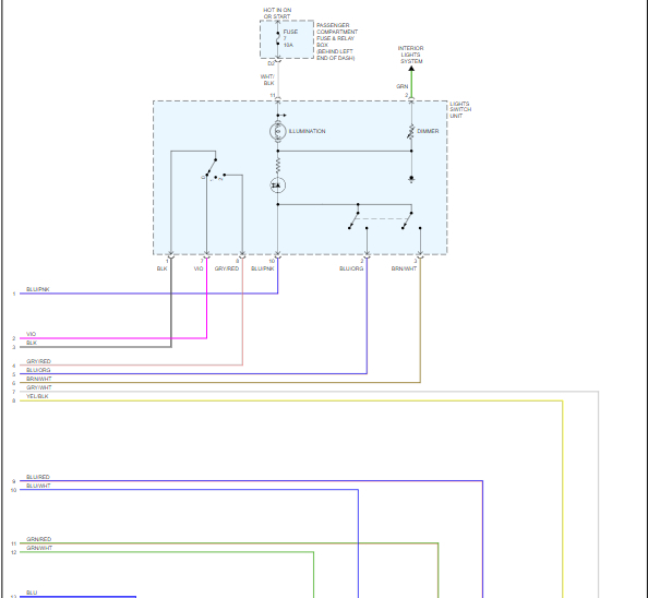
Fuse okay, bulb okay. Getting no power to green wire. Left is okay. Was intermittent now doesn't work at all. need a good wiring diagram with a component locator and any help would be awesome.
Sep 17, 2020 at 9:31 PM



