Right indicator (all three) not working, dashboard indicator mostly blinking very quickly and/or irregularly

2002 VOLKSWAGEN SHARAN
280,000 MILES • 2.8L • V6 • 4WD • MANUAL
Avatar
MIKRO
  • MEMBER
  • 4 POSTS
I have an intermittent problem with right side blinkers:
- Dashboard indicator most of the times now flashing very rapidly and irregularly, blinkers themselves not working.
- Replaced bulbs and checked wiring: no change.
- Problem appears with alarm switch as well (i.e. not just when using he switch on steering wheel).

So, I am thinking it is "something" on the MFE board, do you agree? If so, should I get the relays changed or is there a way to deduct whether it is that or the controller?
Oct 29, 2017 at 5:31 AM
Advertisement
Avatar
STRAILER
  • CERTIFIED EXPERT
  • 53,854 POSTS
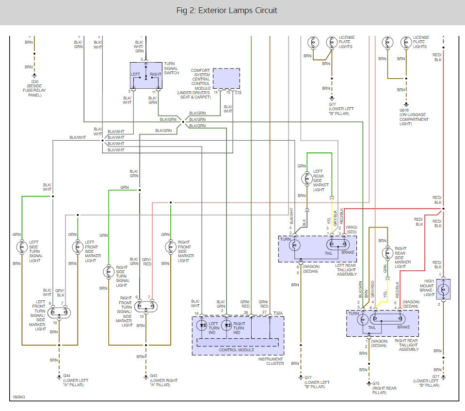
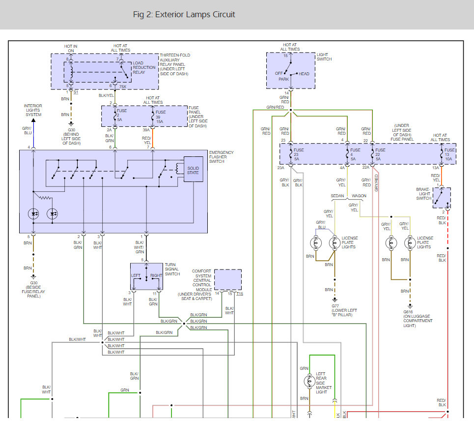
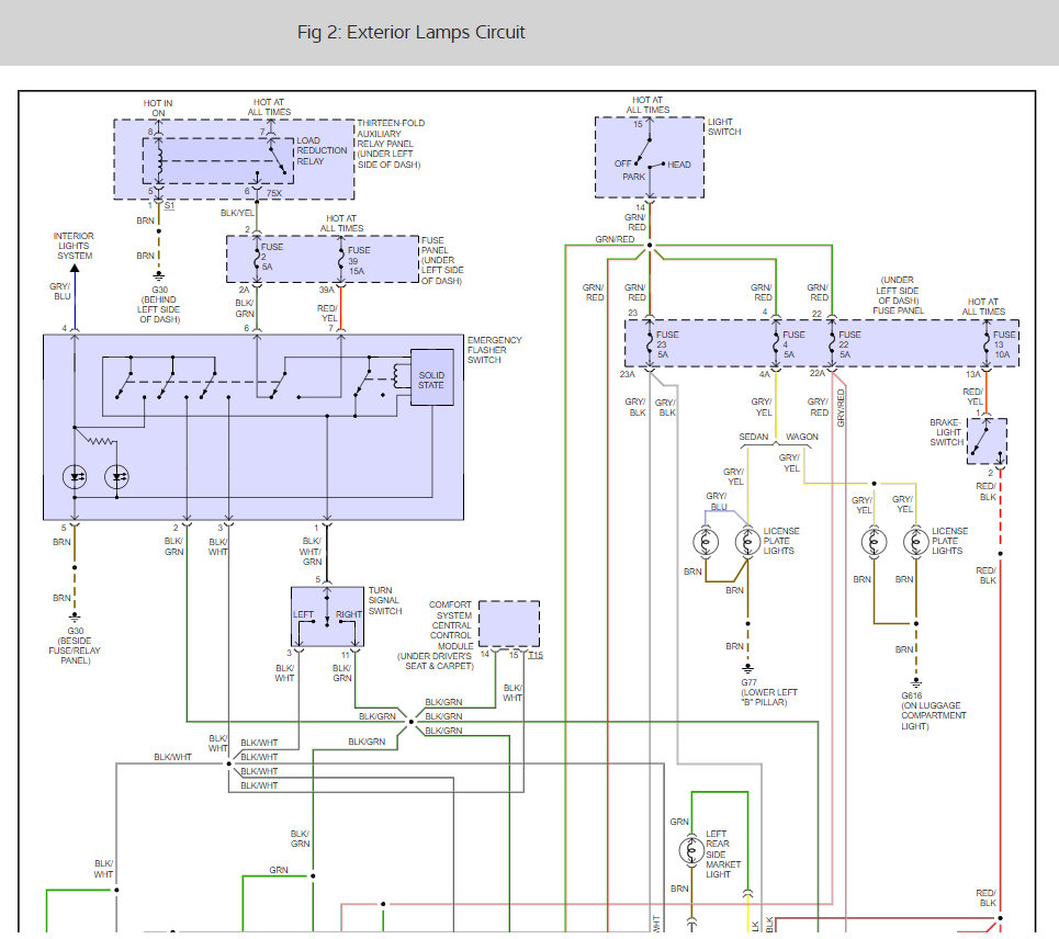
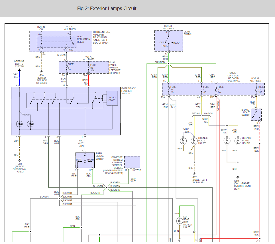
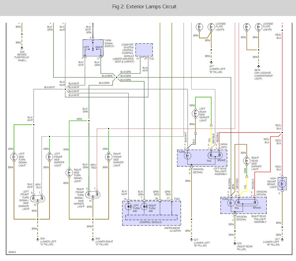
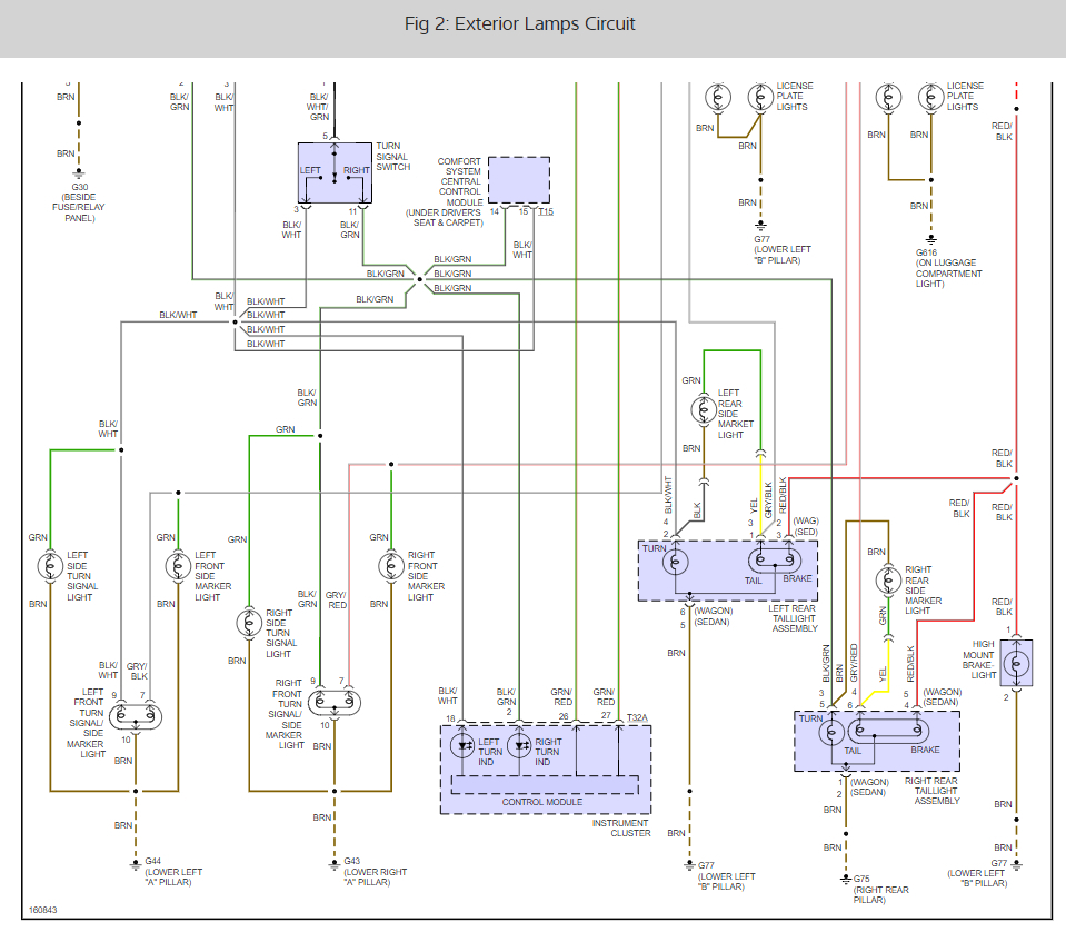
This sounds more like the emergency flasher switch is going out. Here are some wiring diagrams so you can see how the system works.

This car is the same as a Passat in the states FYI

Please let us know what happens so it will help others.

Cheers, Ken
Oct 30, 2017 at 2:13 PM