Right HID headlight not working

2006 AUDI A6
180,000 MILES • V6 • TURBO • 4WD • AUTOMATIC
Avatar
SAMMER2381
  • MEMBER
  • 6 POSTS
I have been dealing with my right low/high beam headlight not working. I have replaced the bulb, ballast, ignitor and the entire headlight assembly. It still does not work. I have checked the two fuses that I know of. The one on the passage side and the one on the driver's side. Are there more fuses than what I know of?
Feb 25, 2020 at 11:54 AM
Advertisement
Avatar
STEVE W.
  • CERTIFIED EXPERT
  • 15,113 POSTS
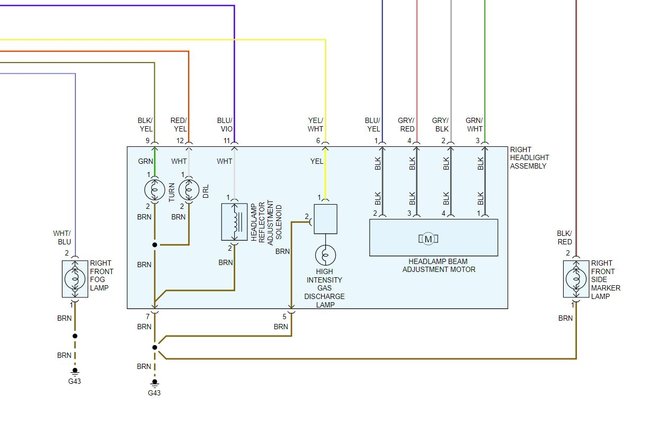
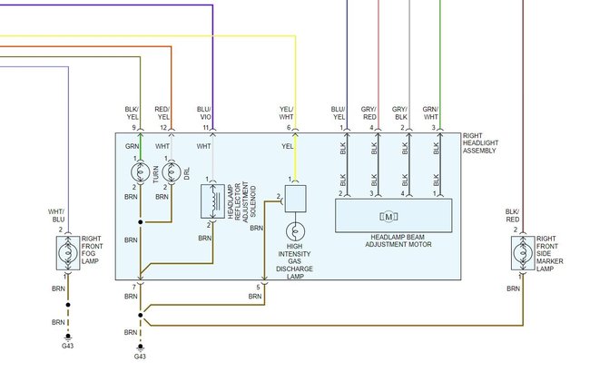
Looking at the schematics for that light, do the turn signal and DRL lights work? If those are out as well then I would test the Brown wire that provides the ground for the entire lamp assembly. If however those lights are working then I suspect you have a failed control module, it's located behind the glove box. If you remove the glove box and look up and behind the opening you can see the control module.
Feb 25, 2020 at 12:43 PM
Avatar
SAMMER2381
  • MEMBER
  • 6 POSTS
So the turn signal and DRL do work, so I need to replace the control module?
Feb 25, 2020 at 12:48 PM
Advertisement
Avatar
STEVE W.
  • CERTIFIED EXPERT
  • 15,113 POSTS
The vehicle electronic control module (ECM) supplies power to the lamps. There is one fuse that powers it and both right and left lamps get power through it. If the left side works and the turn and DRL are on then the module has power. That leaves the yellow with white wire as the power for the light from the control module. You can test that with a test lamp to see if it has power. If it doesn't it could be the wire failed between it and the module or the module itself. You could trace that back and check the connector on the module itself. They don't show much in the service information about testing beyond that.
Feb 25, 2020 at 6:37 PM
Avatar
SAMMER2381
  • MEMBER
  • 6 POSTS
Could you show me exactly what the ECM looks like? There are about 4 different modules under there and I'm not sure which one it is.
Mar 31, 2020 at 11:10 PM
Avatar
STEVE W.
  • CERTIFIED EXPERT
  • 15,113 POSTS
It is module 5 in that image. It's connector is the second image.
Apr 1, 2020 at 6:49 AM
Avatar
SAMMER2381
  • MEMBER
  • 6 POSTS
Awesome, thank you for all the help.
Apr 1, 2020 at 9:47 AM
Avatar
STEVE W.
  • CERTIFIED EXPERT
  • 15,113 POSTS
You're welcome. Have you had any luck with the light? Just wanted to check and see if it was working now.
Apr 6, 2020 at 9:59 AM
Avatar
SAMMER2381
  • MEMBER
  • 6 POSTS
So I ordered a new module, I did the wire test and everything seems to be in order. Since we are in a lock down the shipping is taking a while but Thursday it should be in. I will update you after installing the new module.
Apr 6, 2020 at 10:01 AM
Avatar
STEVE W.
  • CERTIFIED EXPERT
  • 15,113 POSTS
Yeah, this mess is causing a lot of problems. Be sure to wipe down the package you get. Never hurts to be careful in times like this.
Apr 6, 2020 at 10:53 AM
Avatar
SAMMER2381
  • MEMBER
  • 6 POSTS
Very true. I have my Clorox wipes ready to go.
Apr 6, 2020 at 10:54 AM