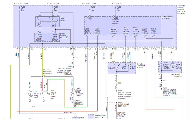
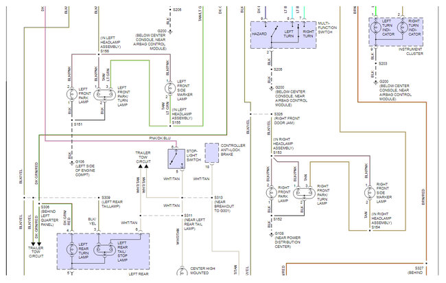
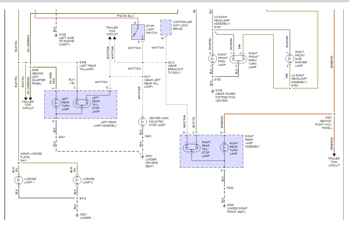
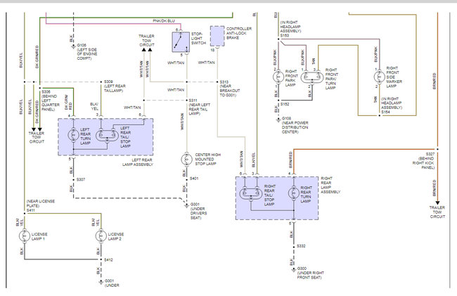
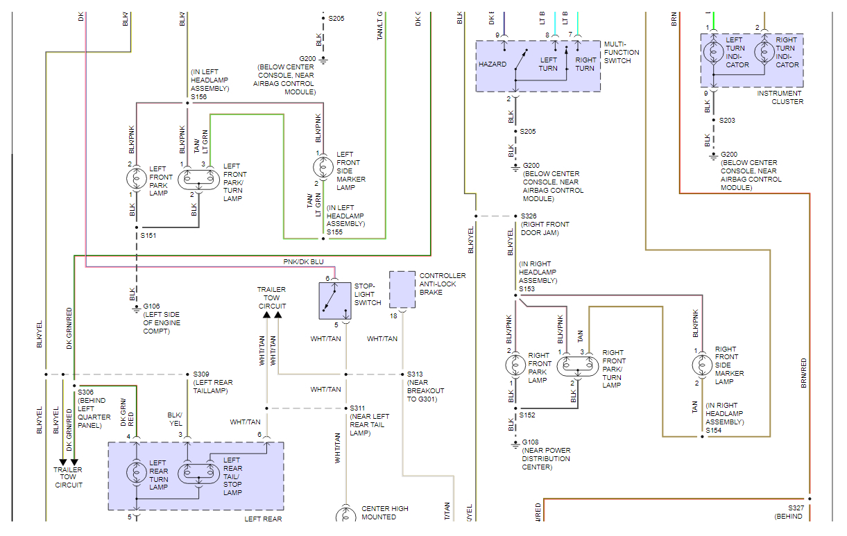
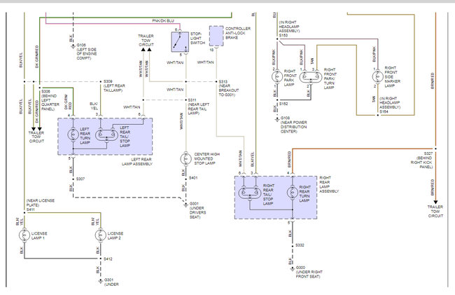
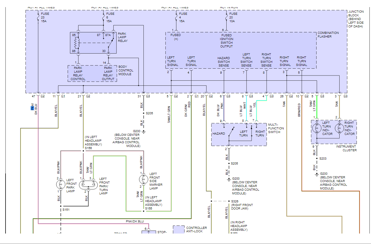
Checked bulb it was burnt out replaced it with the 3157 bulb like it said and still doesn't work. Taillights work everything else works, third brake works, left side works just that one. Connectors didn't look bad but can't figure it out just bought it. please help!
Feb 25, 2019 at 9:04 PM


