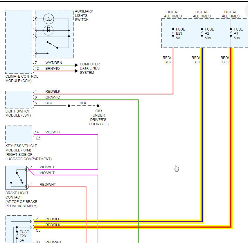
Removed rear light assembly tested bulbs all are good but do not light up. Only right turn signal blinks. Replaced fuses so no right bottom tail gate lights
Where is relay switch located in trunk? What is color of relay switch? Could this be problem?
Where is relay switch located in trunk? What is color of relay switch? Could this be problem?
Dec 27, 2019 at 9:24 AM


