Right axle not connected properly

1999 ISUZU TROOPER
181,000 MILES • 3.2L • 6 CYL • 4WD • AUTOMATIC
Avatar
DUWHOP31
  • MEMBER
  • 151 POSTS
Why is my right front axle boot not all the way connected to the back of the knuckle spindle?
Apr 3, 2020 at 9:39 AM
Advertisement
Avatar
KASEKENNY
  • CERTIFIED EXPERT
  • 18,907 POSTS
It appears as though the boot is separating. I would suggest comparing it to the other side which I assume you did, and if it is pulling away, you will need to plan to replace it.

It does appear to have grease around it so the boot is probably failed.

https://www.2carpros.com/articles/symptoms-of-a-bad-cv-axle-joint

I attached the info to do this. Let me know if you have questions. Thanks
Apr 3, 2020 at 10:39 AM
Avatar
STEVE W.
  • CERTIFIED EXPERT
  • 15,113 POSTS
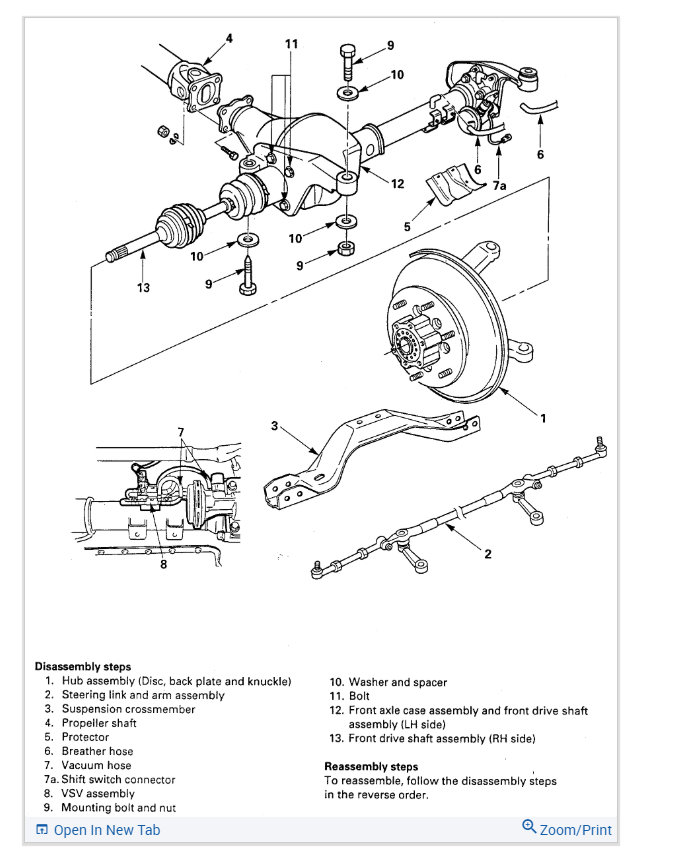
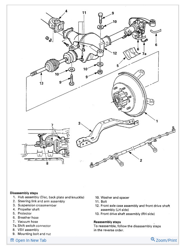
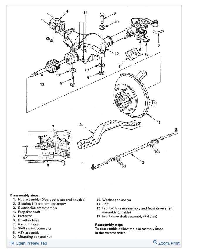
If you are asking why the boot isn't farther on, IE back in the area I marked with orange stripes. It doesn't go that far back. The boot sets in a shallow recess under the metal clamp with the green squiggle line. The clamp retains it at that area. Being there seems to be grease on the exterior of the boot I would take a rag and some brake cleaner and wipe the rubber boot off and inspect it for any cracks or splits. Be sure to check it with the folds opened by turning the steering wheel, it is easy to miss a small crack if it is in one of the folds. If you find no cracks or damage it is likely okay.
Apr 3, 2020 at 1:06 PM
Advertisement