Rewiring blinker switch and head light and exterior lights, diagram needed?

2001 CHEVROLET TAHOE
100,000 MILES • V8 • 2WD
Avatar
CHUCK DOUGHERTY
  • MEMBER
  • 1 POST
Rewiring a blinker and headlight switches and all exterior lighting.
May 2, 2023 at 9:52 AM
Advertisement
Avatar
STRAILER
  • CERTIFIED EXPERT
  • 53,854 POSTS
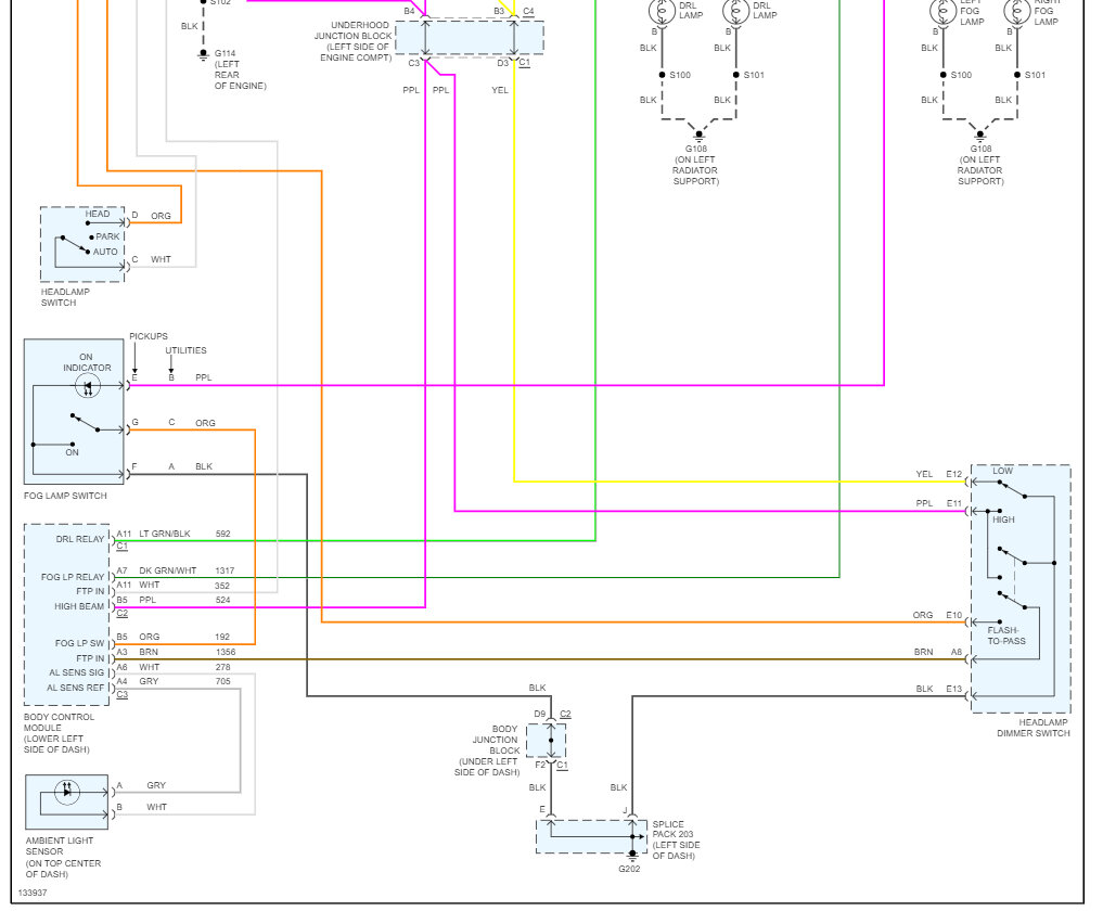
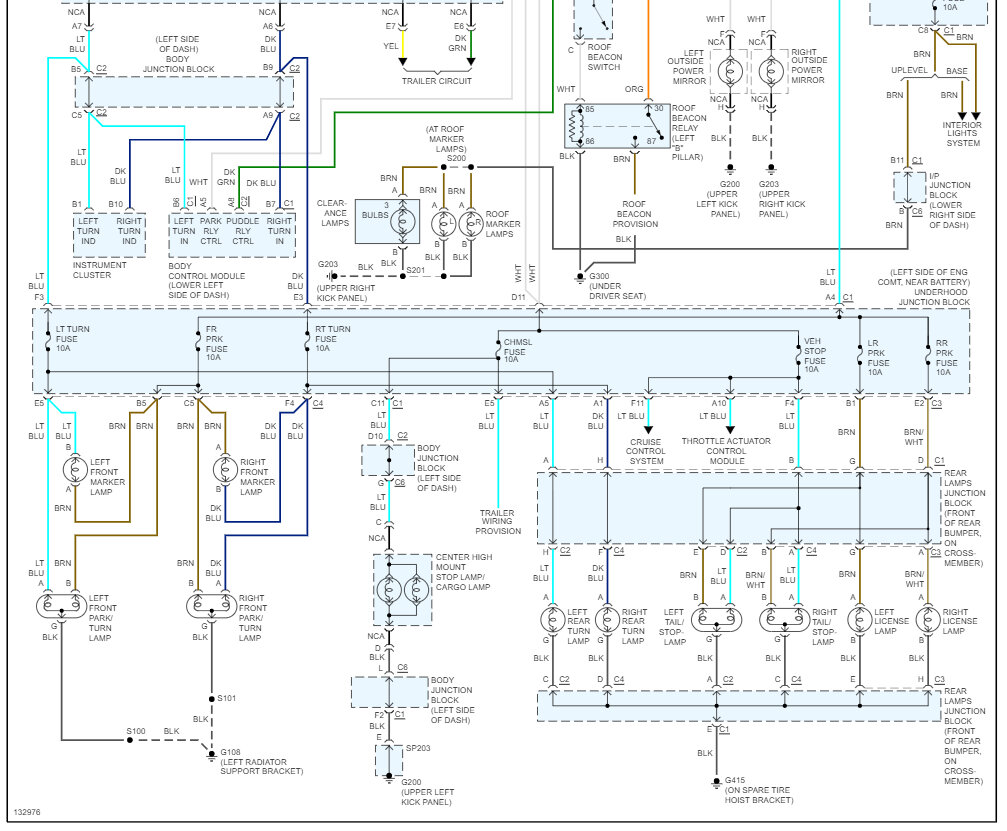
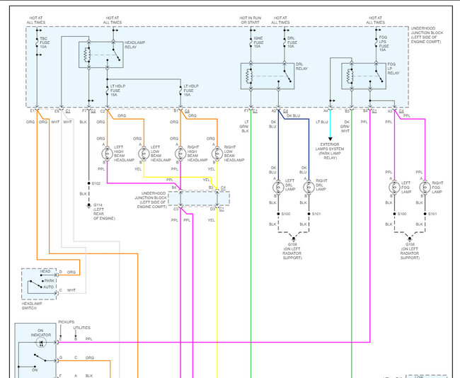
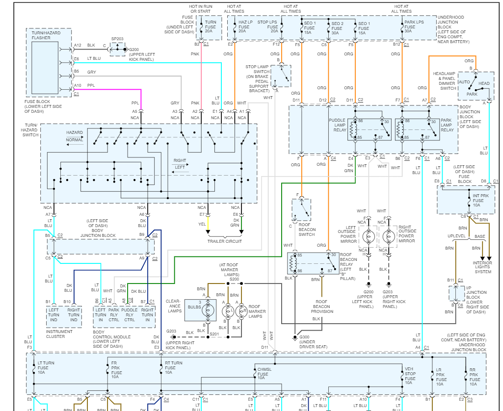
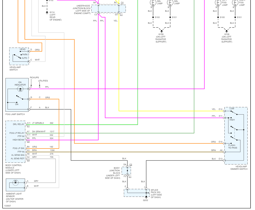
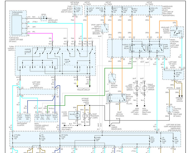
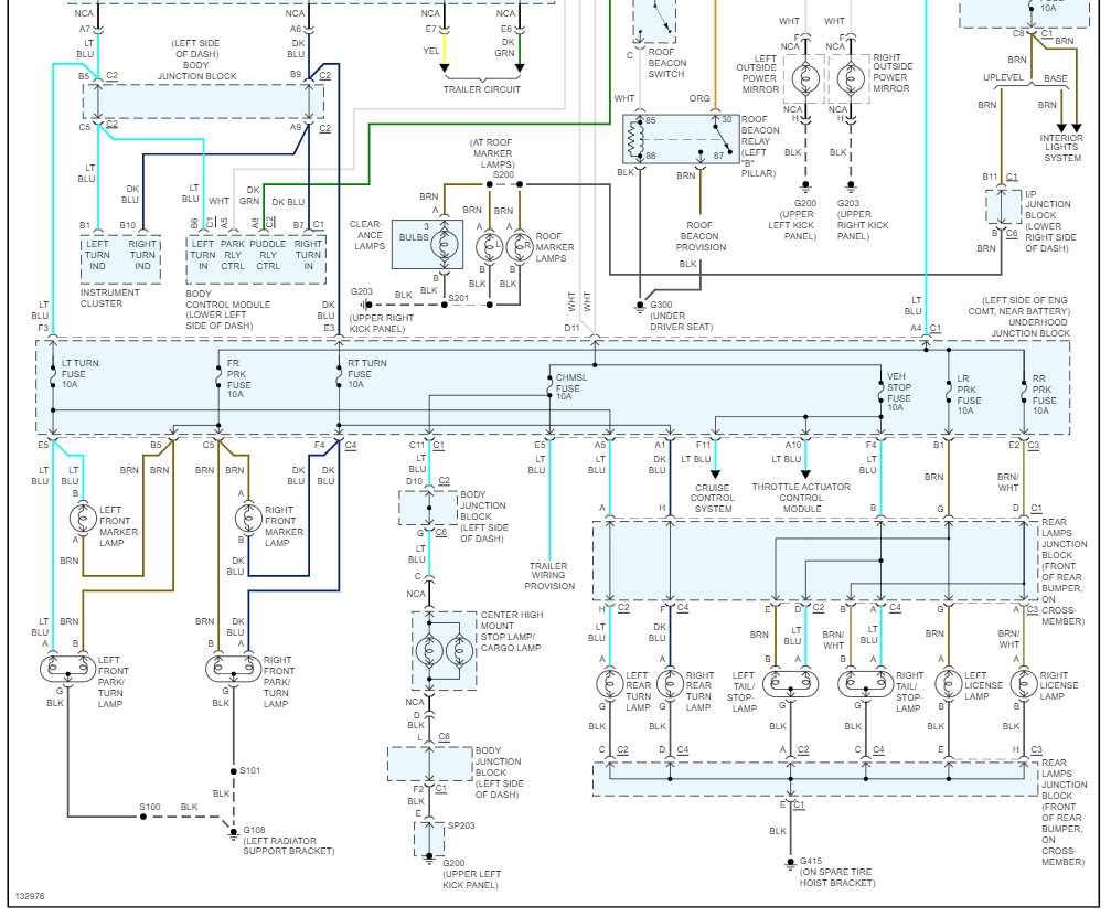
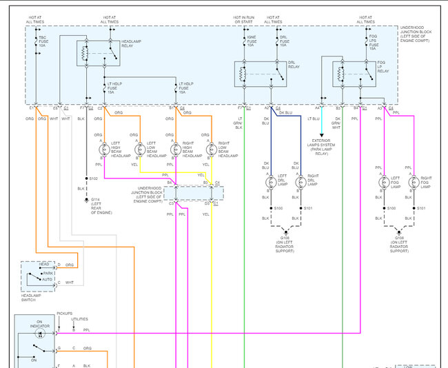
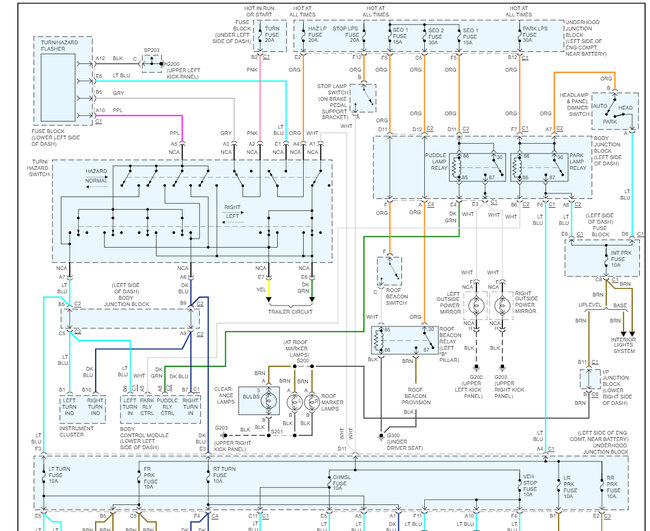
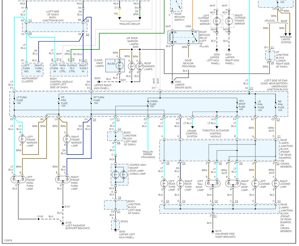
Yep, good job, here are the wiring diagrams and a guide to help you with the repair:

https://www.2carpros.com/articles/how-to-check-wiring

The first wiring diagram is for the headlights and the second is for the exterior lights. Check out the images (below). Please let us know what happens.



May 2, 2023 at 12:06 PM