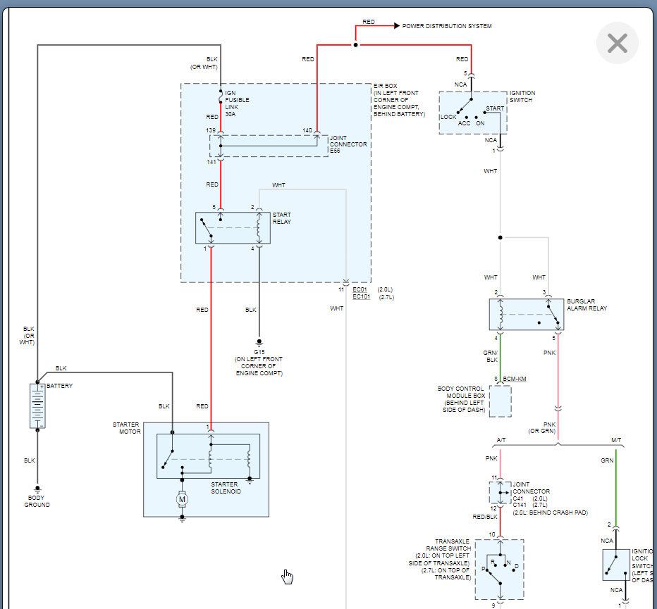
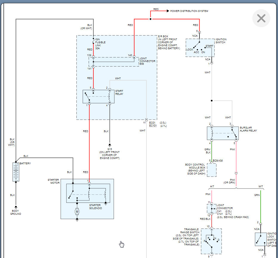
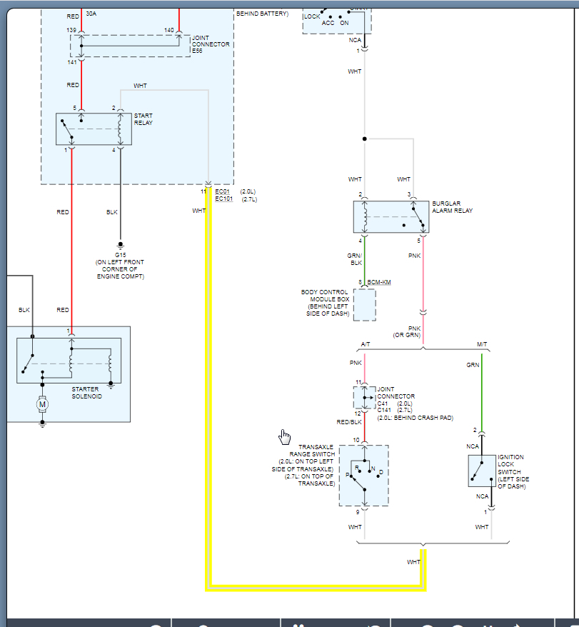
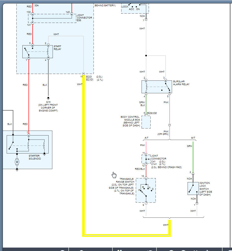
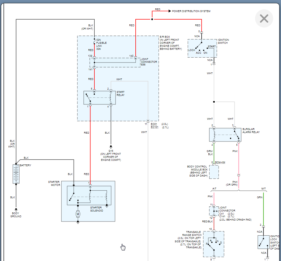
I have had issues with my car. now it's trying to start but revs way too high and shuts right down. It's not the starter or battery i just replaced BCM due to a fire and starter. Tomorrow is my birthday and all I want is my car fixed. please help me.
Feb 22, 2021 at 10:54 AM


