Reverse lights not working

1999 CHRYSLER GRAND VOYAGER
144,000 MILES • 2.4L • 4 CYL • TURBO • 2WD • MANUAL
Avatar
DUNCAN0459
  • MEMBER
  • 10 POSTS
Reverse lights are not working. I have checked transmission switch and bulb all okay. I have continuity between transmission switch and rear clusters l/r and earth seems okay. power through transmission switch but lights still not working.
Feb 27, 2019 at 8:28 AM
Advertisement
Avatar
JDL
  • CERTIFIED EXPERT
  • 16,098 POSTS
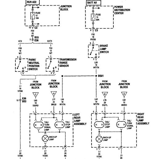
I saw 2.4L in Voyager didn't see that engine in Grand Voyager? Did you check that fuse, upper left, in diagram? Not only check the fuse, use a test light and check voltage at fuse, the fuse circuit goes hot with key on. As you can see white wire carries voltage to switches, hot all the time, if fuse is okay, you can use test light to check. The wire from the switch, violet with black tracer carries voltage to reverse lamps. Check for voltage. If the other rear lamps work, don't think ground is the problem.
Feb 27, 2019 at 9:13 AM
Avatar
DUNCAN0459
  • MEMBER
  • 10 POSTS
Thanks. I assume the junction block is the fuse rail under the dash and it fuse number 12 from the left.
Feb 27, 2019 at 10:59 AM
Advertisement
Avatar
JDL
  • CERTIFIED EXPERT
  • 16,098 POSTS
If you have voltage to and from switch on the proper wire colors, it isn't the fuse. My information says fuse 12--10 amp. I don't have very good picture of fuse box? Maybe you fuse box or fuse box cover has a legend on it, that will tell you which fuse is which?
Feb 27, 2019 at 12:19 PM
Avatar
DUNCAN0459
  • MEMBER
  • 10 POSTS
Hi, have found fuse all okay. checked purple/black wire, have power to rear light clusters L/R checked bulbs okay, but will not light up when rev engaged.
Mar 1, 2019 at 4:50 AM
Avatar
JDL
  • CERTIFIED EXPERT
  • 16,098 POSTS
Can you pull reverse bulb? Use test light in bulb socket, voltage and ground, does the test light come on? Of course, key on, trans-axle in reverse.
Does the diagram I posted match what you have exactly? I'm talking about wire colors.
Mar 1, 2019 at 9:00 AM
Avatar
DUNCAN0459
  • MEMBER
  • 10 POSTS
Thanks for electrical circuit wire colors are the same. it is dark here now so I wont be able to check it until the morning.
Mar 1, 2019 at 11:33 AM
Avatar
JDL
  • CERTIFIED EXPERT
  • 16,098 POSTS
Let us know what you find?
Mar 1, 2019 at 12:30 PM
Avatar
DUNCAN0459
  • MEMBER
  • 10 POSTS
Hi, tested lights as you said with bulb out test light comes on at the positive side nothing on the ground, voltage across positive and ground is 12.5 volts.
Mar 2, 2019 at 7:34 AM
Avatar
JDL
  • CERTIFIED EXPERT
  • 16,098 POSTS
Did you try pressing in on the bulb with it in the socket. Sometimes the bulbs don't make good contact. If I'm thinking correctly, the center of bulb socket is voltage and the wall of bulb socket is ground. If I understand your last post, it looks good.
Mar 2, 2019 at 9:58 AM
Avatar
DUNCAN0459
  • MEMBER
  • 10 POSTS
Hi, have cleaned bulb and socket with emery cloth, center of socket is ground side wall is voltage.
Mar 2, 2019 at 10:14 AM
Avatar
JDL
  • CERTIFIED EXPERT
  • 16,098 POSTS
I see, so the test light came on when connected from center to side wall?
Mar 2, 2019 at 12:07 PM
Avatar
DUNCAN0459
  • MEMBER
  • 10 POSTS
No it came when conneted to a common ground.
Mar 2, 2019 at 12:13 PM
Avatar
JDL
  • CERTIFIED EXPERT
  • 16,098 POSTS
So something wrong with bulb socket? The emery cloth might not have been a good idea? The bottom black wire in diagram is ground, did you check that.
Mar 2, 2019 at 12:44 PM
Avatar
DUNCAN0459
  • MEMBER
  • 10 POSTS
Yes, no voltage but continuity with chassis.
Mar 2, 2019 at 1:02 PM
Avatar
JDL
  • CERTIFIED EXPERT
  • 16,098 POSTS
Maybe a problem with bulb socket. Sometimes if I think bulb isn't making good contact, I would put a blob of grease on the bottom button to help it make contact. You can try it. The out side metal part of bulb you could try a little tin foil to make better contact. This is just for testing, if it lights up, the bulb isn't making good contact with socket.
Mar 2, 2019 at 1:56 PM
Avatar
DUNCAN0459
  • MEMBER
  • 10 POSTS
Okay, i'll try that and let you know how I get on.
Mar 2, 2019 at 2:01 PM
Avatar
DUNCAN0459
  • MEMBER
  • 10 POSTS
Hi, I tried the grease and tin foil no go. checked the power and ground all seems to be as it should, even tried connecting bulb in reverse. used a side light 14w in its holder, not even a glimmer. completely lost now.
Mar 5, 2019 at 3:51 AM
Avatar
JDL
  • CERTIFIED EXPERT
  • 16,098 POSTS
I'd have to try different bulb socket or bulb? If I think of something else, I'll let you know.
Mar 5, 2019 at 6:29 AM