Reverse lights not working

1998 MERCEDES BENZ S320
116,500 MILES • 3.2L • 6 CYL • 2WD • AUTOMATIC
Avatar
RAMZITH1
  • MEMBER
  • 70 POSTS
Hello,

The reverse lights not working at all. checked the bulbs found okay, when releasing the gear to the reverse the light not coming up at all, checked the fuses found all okay in front and in the trunk beside I don't know if there is a fuse for the reverse lights.

Please help, thanks

RAMZI
Apr 9, 2021 at 8:56 PM
Advertisement
Avatar
STEVE W.
  • CERTIFIED EXPERT
  • 15,113 POSTS
The fuse that powers the lights and the reverse interlock is F3 which is a 15 amp fuse labeled 25. It looks like they are then fed through the lamp failure monitor based on an input signal from the transmission range sensor. Does the park interlock work? If you put the car in reverse does the starter still work? It shouldn't if the switch is working.

I would use a test light to verify that the fuse is good.

https://www.2carpros.com/articles/how-to-check-a-car-fuse

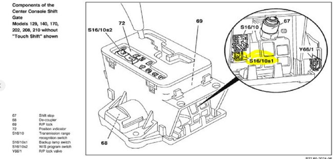
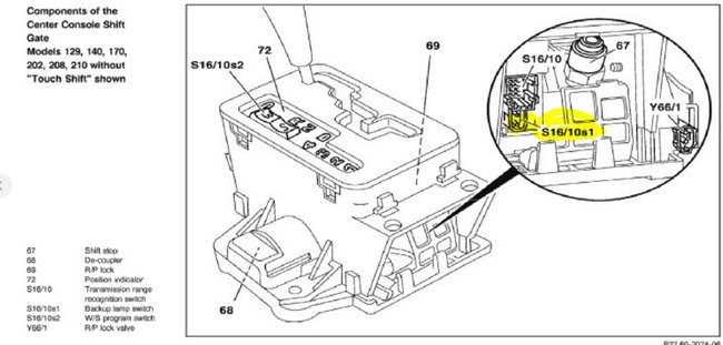
If it checks okay then you will need to access the transmission selector harness and see if the switch it sending power to the lamp module on the gray/yellow wire. That harness is under the center console connected to the transmission switch inside the shifter quadrant. Removing the trim over the shifter should let you gain access to the switch That process is in the last 5 images.

Apr 10, 2021 at 12:30 AM
Avatar
RAMZITH1
  • MEMBER
  • 70 POSTS
Hi, will check it and let you know. thanks
Apr 10, 2021 at 5:08 AM
Advertisement
Avatar
STEVE W.
  • CERTIFIED EXPERT
  • 15,113 POSTS
If you discover that there is power at the switch but still nothing at the lights then it could be in the lighting module. that is what the testing is to find, where the problem is.
Apr 10, 2021 at 10:25 AM
Avatar
RAMZITH1
  • MEMBER
  • 70 POSTS
Acknowledged, thanks.
Apr 10, 2021 at 12:13 PM
Avatar
STEVE W.
  • CERTIFIED EXPERT
  • 15,113 POSTS
Just thought I'd see if you had any luck or haven't had time to look at it yet.
Apr 12, 2021 at 5:46 PM
Avatar
RAMZITH1
  • MEMBER
  • 70 POSTS
Thanks for the follow up, actually not yet looked at it, but soon will and let you know.
Apr 13, 2021 at 3:21 AM
Avatar
RAMZITH1
  • MEMBER
  • 70 POSTS
Hi, still not yet looked at it, will do soon. thanks
Apr 20, 2021 at 1:05 PM
Avatar
STEVE W.
  • CERTIFIED EXPERT
  • 15,113 POSTS
No rush, just like to keep track and maybe find answers.
Apr 20, 2021 at 4:44 PM
Avatar
RAMZITH1
  • MEMBER
  • 70 POSTS
Okay, thanks.
Apr 21, 2021 at 4:35 PM