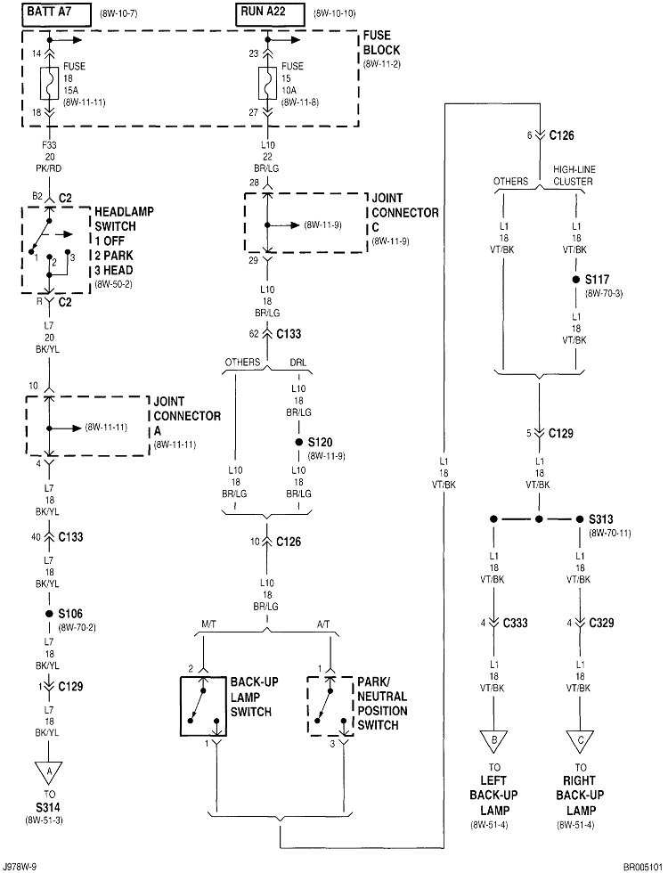
The next best suspect is a defective neutral safety switch. It's shown in the first photo. You'll find it on the left rear corner of the transmission, right above the pan. A fast way to identify this is to turn the ignition switch to the "run" position, crawl underneath and unplug the connector, then use a stretched-out paper clip to connect the two outer terminals. If it's somewhat dark, and you look real closely, you'll see a tiny spark when you make that connection. That's proof current is flowing now. If you can't see that little spark, you'll have to check if the back-up lights are on. If they are, replace that switch. If they still are not on, here's the diagram for the circuit. Start by checking for 12 volts on the brown / light green wire in the plug. Let me know what you find, then we'll go from there.
Images (Click to enlarge)
Jan 31, 2021 at 4:59 PM