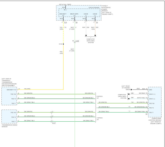
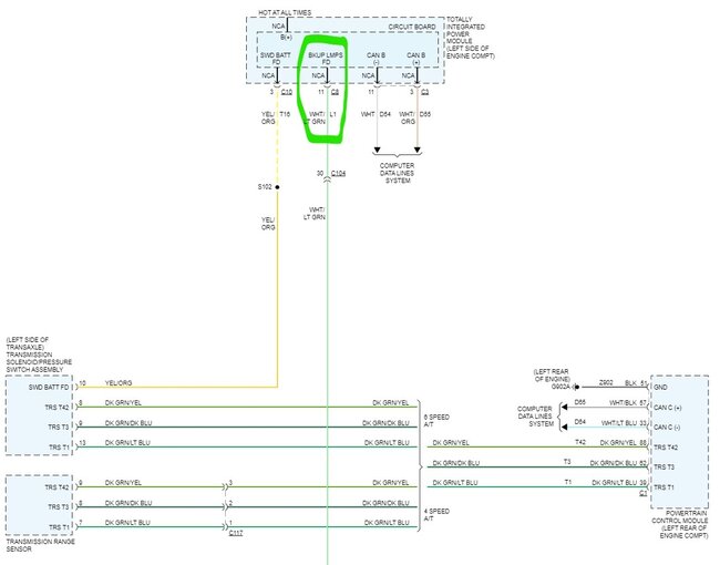
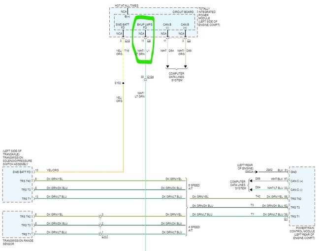
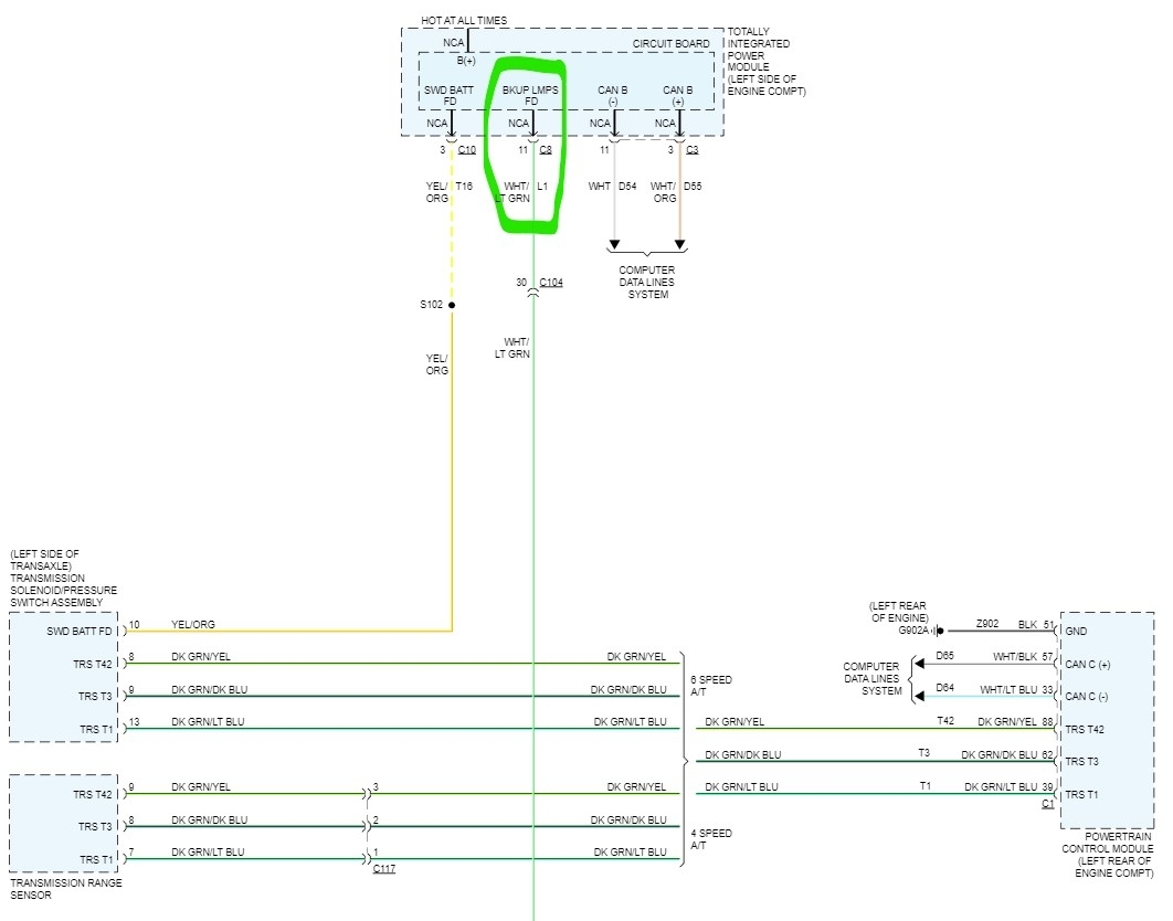
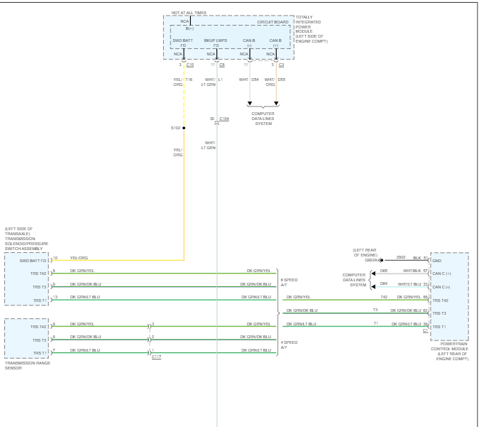
Recently i noticed my back up camera was not working. I checked all my wiring at the head unit/stereo and the driver side reverse light that the trigger wire is connected to. All the wiring was good. Upon investigating the camera i noticed my reverse lights are not working at all, which explains why the camera is also probably not working. I've looked at se wire diagrams but can't seem to find any that point out key areas to check on how to access them for inspection and testing. I assume there is no fuse being it's the integrated power module. Any help would be awesome, thanks in advance.
Jan 29, 2023 at 6:20 AM









