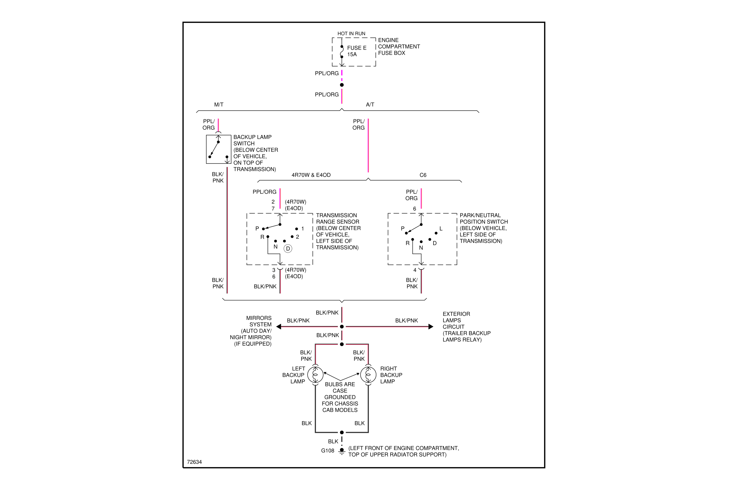
I just discovered that my reverse lights wire has been cut/ripped. I found it in the engine bay, but I couldn’t find where it was torn from. Should I just jump it from the fuse and if so, which fuse would it be? I don’t have an electric tester.
Mar 25, 2022 at 7:10 AM


