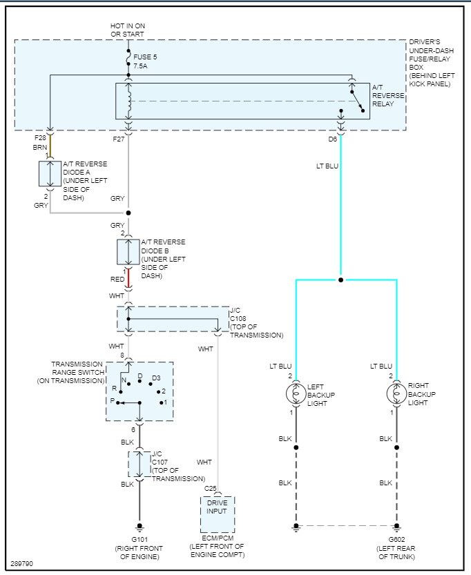
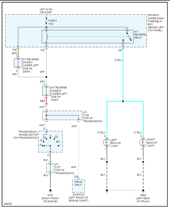
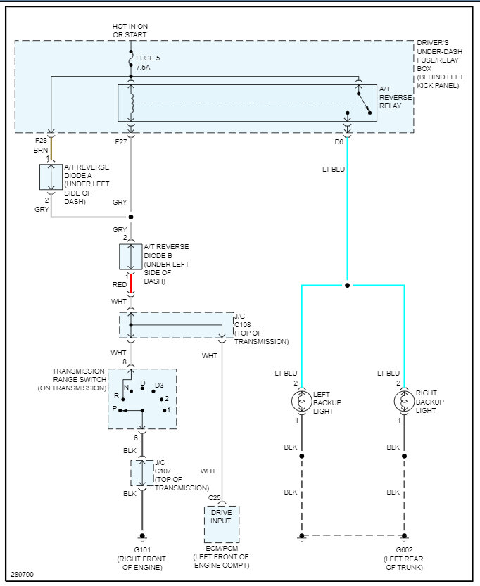
The reverse light switch is located on the transmission as part of the gear range sensor/switch. Here are the wiring diagrams for the system and the sensor/switch location in the images below. Please let us know if you need anything else to get the problem fixed.
Images (Click to enlarge)
Jun 16, 2023 at 2:56 PM