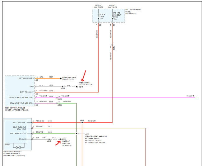
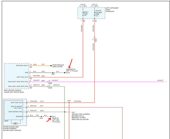
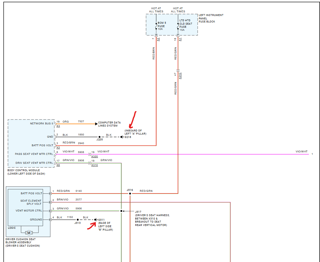
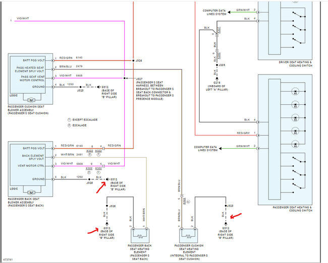
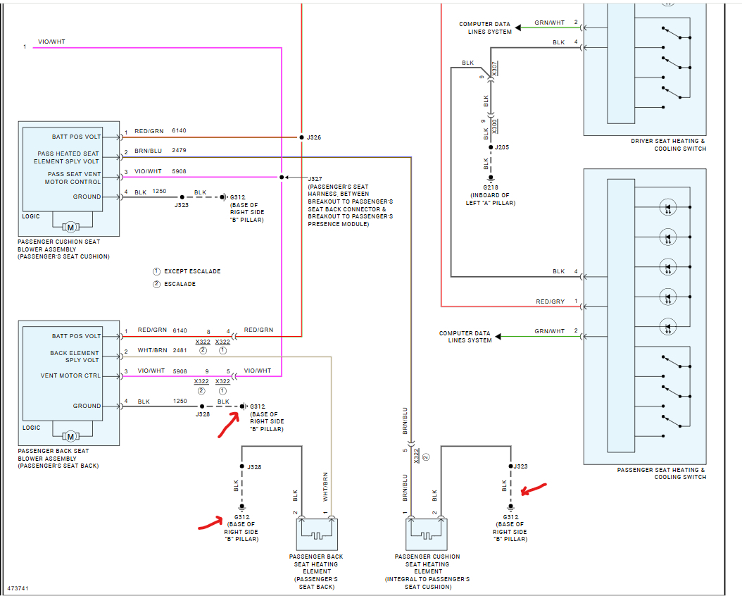
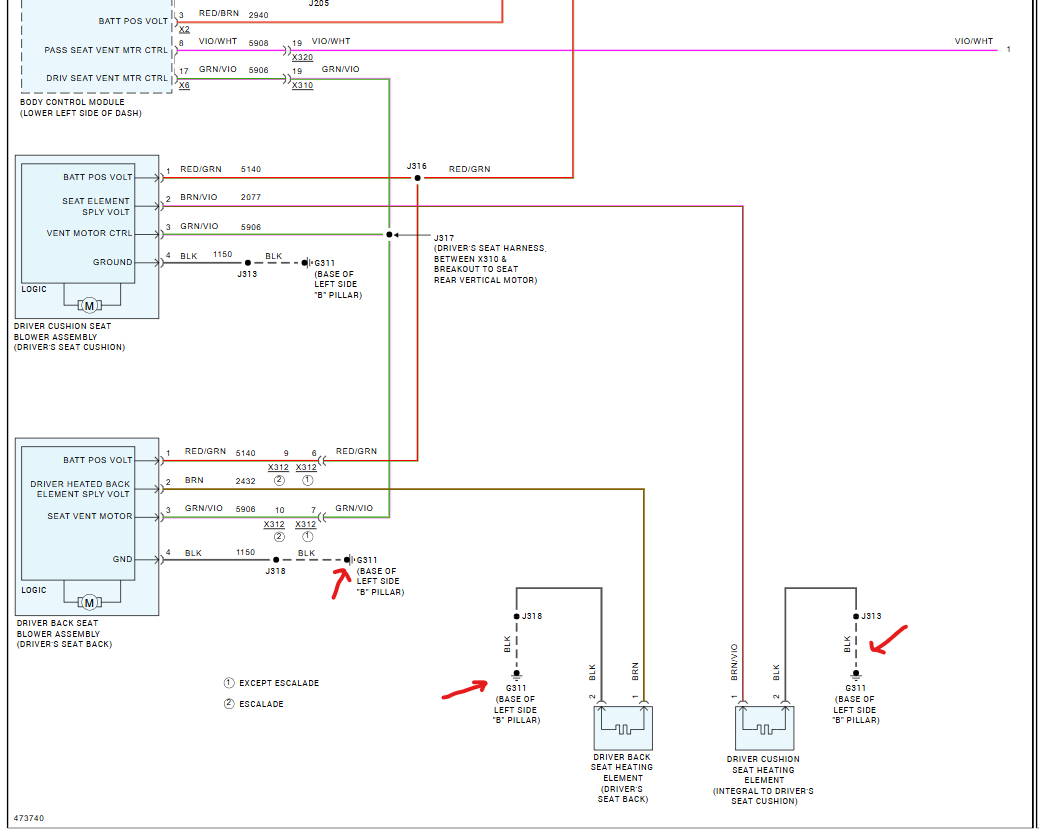
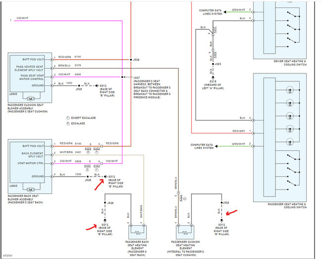
I have a couple problems with this vehicle. Not sure if all can be answered. To begin with both front and rear heated seat have no power. Second, rear 12volt accessory power outlets have no power. Third, the third-row seat does not fold. And last rear climate controls located in the center console/armrest has no power. I have no experience at all with wiring and/or checking diagrams. Hopping i can get some help. I’d really appreciate it.
Mar 10, 2025 at 7:18 PM




