Hi All,
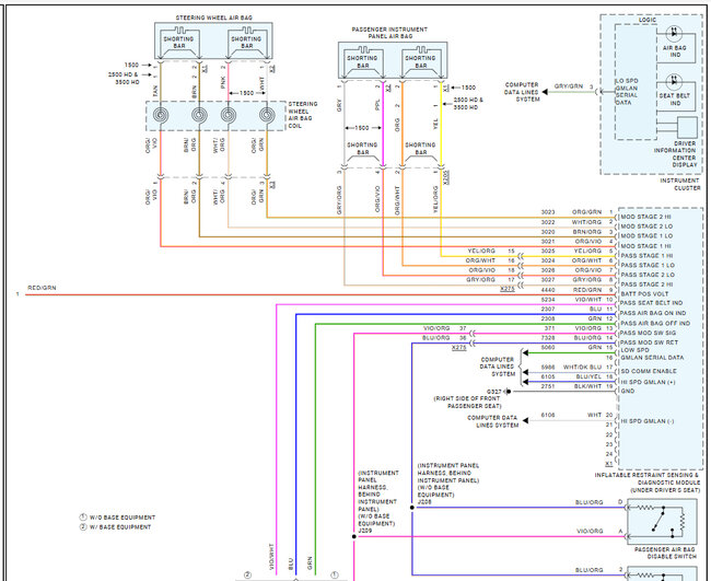
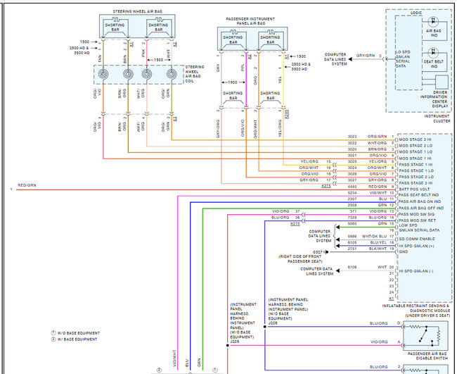
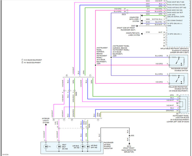
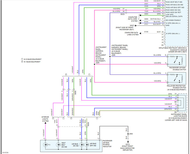
I need the wiring diagram for the Restraints and Safety Systems if possible.
Thank you
I need the wiring diagram for the Restraints and Safety Systems if possible.
Thank you
Jul 24, 2025 at 6:41 PM






