Hi and thanks for using 2CarPros.com.
When testing, you should. That way you place the biggest load on the system. If it is going to fail, it will then.
Here is a link that shows how to check an alternator. See if it helps.
https://www.2carpros.com/articles/how-to-check-a-car-alternator
If you find the alternator needs replaced, here are the removal and install directions. All attached pictures correlate with these directions.
GENERATOR - REMOVAL
3.6L
1. Disconnect the negative battery cable.
2. Remove the air cleaner body (1) See: Air Cleaner Housing > Removal and Replacement > Air Cleaner Body - Removal.
3. Remove the serpentine belt See: Drive Belt > Removal and Replacement > Serpentine Accessory Drive Belt - Removal.
4. Remove the lower generator bolt.
5. Partially drain cooling system below upper radiator hose.
6. Lower the vehicle.
7. Remove the cooling fan (1) See: Radiator Cooling Fan > Removal and Replacement > Cooling Fan - Removal.
8. (see picture 4)
9. Disconnect the generator field electrical connector (1).
10. Remove the B+ retainer (2) and remove the B+ cable.
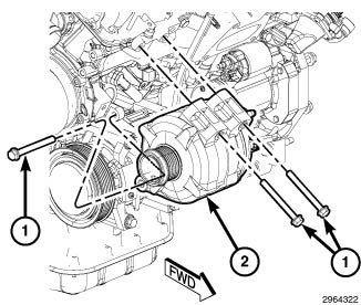
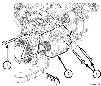
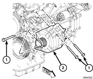
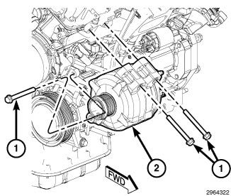
11. Remove the upper generator retainers (1).
12. Remove the generator from the vehicle.
___________________________________________________________________________
GENERATOR - INSTALLATION
3.6L
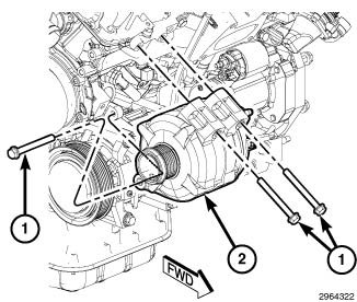
1. Position the generator (2) to the engine and loosely install the upper and lower retainers (1).
Tighten the upper generator mounting retainers to 25 Nm (18.4 ft. lbs.).
2. Install the B+ cable (3) and retainer (2).
Tighten the B+ retainer to 13 Nm (9.5 Ft Lbs.).
3. Install the generator field connector (1).
1. Raise vehicle.
2. Tighten the lower generator retainer.
3. Install the serpentine belt. See: Drive Belt > Removal and Replacement > Serpentine Accessory Drive Belt - Installation.
4. Install the cooling fan (1) See: Radiator Cooling Fan > Removal and Replacement > Cooling Fan - Installation.
5. Install the air cleaner body (1) See: Air Cleaner Housing > Removal and Replacement > Air Cleaner Body - Installation.
6. Connect the negative battery cable.
__________________________________________-
If you find it difficult to check it yourself, most parts stores will do it for free on the vehicle. However, if the vehicle is not running, remove the alternator and have them bench test it. Same thing with that. Most do it for free hoping to sell you a part.
Let me know if this helps or if you have other questions.
Take care,
Joe
Images (Click to enlarge)
Oct 1, 2018 at 11:25 AM
(Merged)