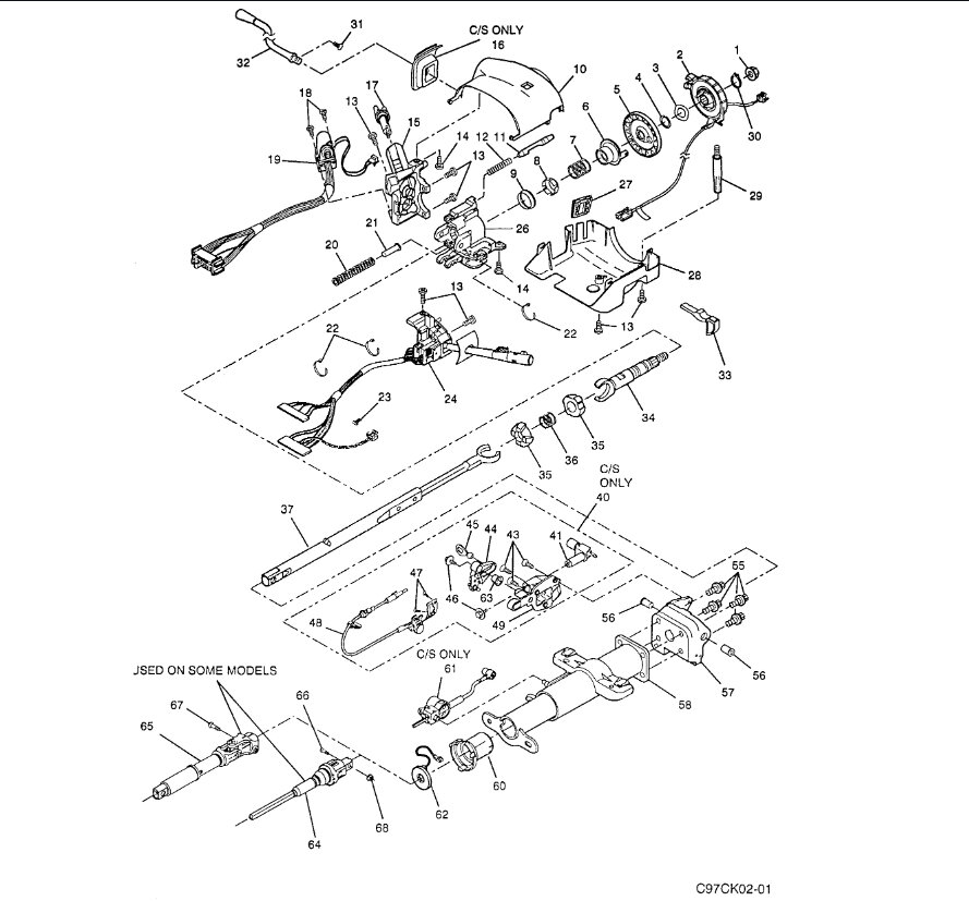
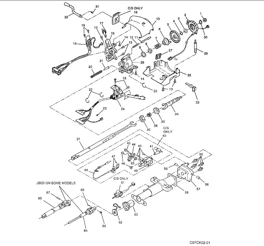
It will take normal tools and a steering wheel puller here are the instructions on how to change out the ignition lock in the diagrams below. Please let us know if you need anything else to get the problem fixed. Check out the images (below). Let us know what happens and please upload pictures or videos of the problem.
Images (Click to enlarge)
Jan 8, 2023 at 6:30 PM