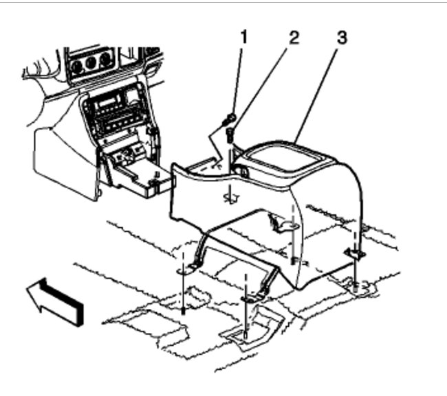
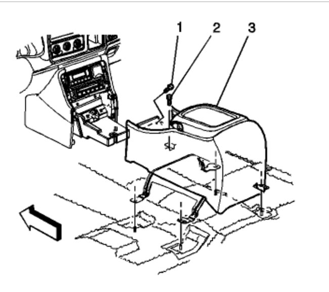
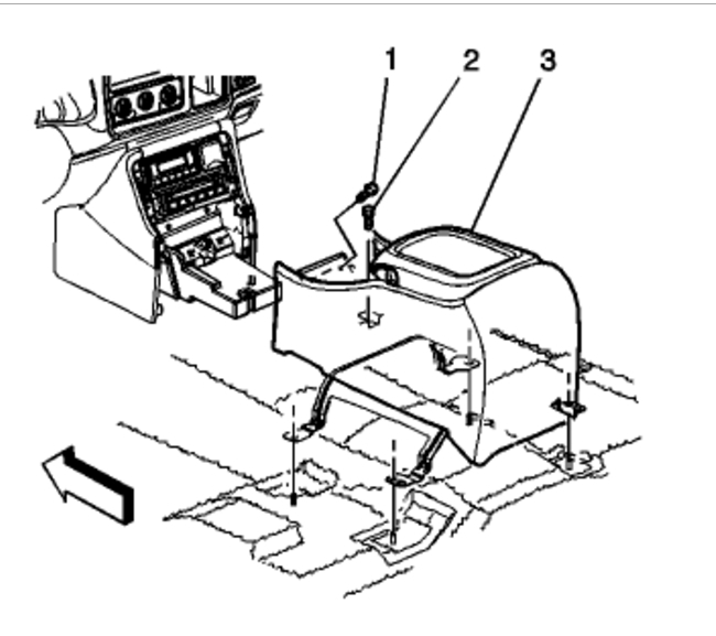
How do I remove and replace the clip that retains the center console rear cup holder closed.. The clip appears to be in a tapered slot, but without applying what may be damaging force the old clip can not be removed
Sep 25, 2013 at 9:31 AM










