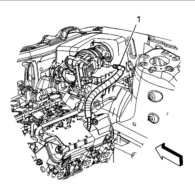
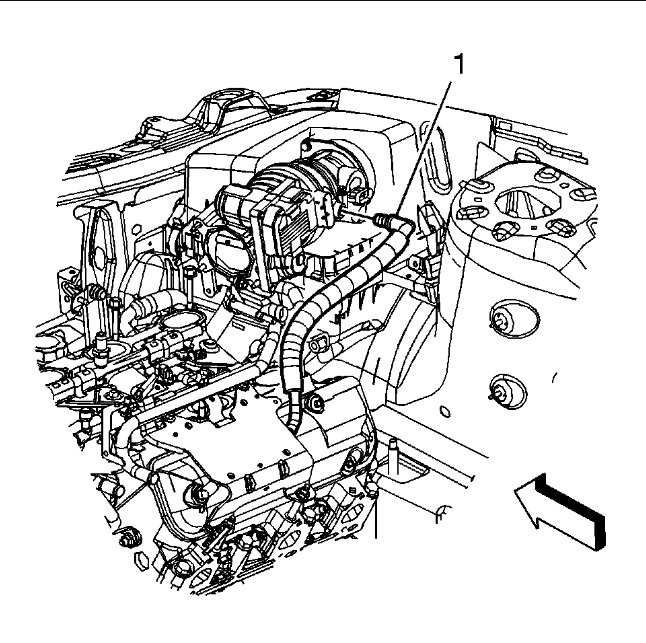
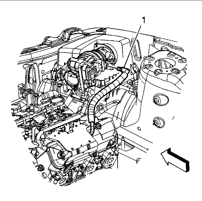
Lately when in park the engine accelerates. I took it to AutoZone and the read out stated that the PCV valve needed to be replaced. My husband attempted to do this but we didn’t see a valve to remove and the piece that is connected to the hose is permanently attached and can’t be removed. How do we get this valve changed?
Jul 8, 2019 at 4:24 PM




