Replacing A/C pressure switch?

1993 HONDA CIVIC
148,000 MILES • 1.5L • 4 CYL • 2WD • AUTOMATIC
Avatar
OGOEDERT
  • MEMBER
  • 1 POST
Hey guys, I'm wanting to replace the pressure switch, but the system is charged. Does anyone know for certain if this 1993 model year has a one-way valve or not?

Seems like it would be easy to find out online, but I can't find an answer.

Enjoying the other content, it's been useful trouble shooting this A/C.
Mar 21, 2023 at 7:22 PM
Advertisement
Avatar
KITTYGIRL56
  • MEMBER
  • 1 POST
Mar 21, 2023 at 8:33 PM
Avatar
KITTYGIRL56
  • MEMBER
  • 1 POST
hi
Mar 21, 2023 at 8:33 PM
Advertisement
Avatar
STRAILER
  • CERTIFIED EXPERT
  • 53,854 POSTS
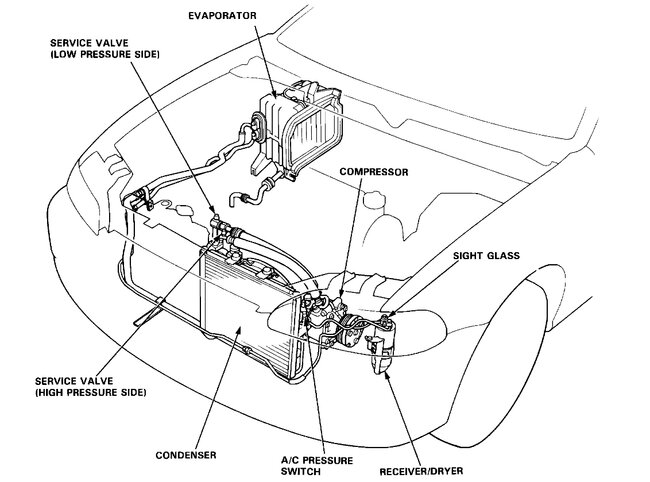
That is good to hear, 9 times out of 10 there will be a Schrader valve that will stop the refrigerant from coming out but there is no way to be sure until you remove the pressure sensor, here are the instructions on how to do the job in the images below. If you want to be safe about it, I would vacuum down and recharge the system here is a video to show you.

https://youtu.be/4EqdrBVb0sY

Check out the images (below). Please let us know what happens.





Mar 22, 2023 at 4:30 PM