Replacement starter not working properly

2007 JEEP GRAND CHEROKEE
214,000 MILES • 3.7L • 6 CYL • 4WD • AUTOMATIC
Avatar
TANNER2943
  • MEMBER
  • 2 POSTS
My starter went out on my vehicle, it was just making a click when I tried. I bought a starter from a salvage yard and installed it and now it tries to start for about 2 seconds and then shuts off and acts like the battery has drained. The battery has not drained, I had it tested, and it was at 100%. Also, after trying a couple times to start it, the starter gets really hot and starts to smoke. Any ideas what the problem could be?
Mar 2, 2022 at 11:02 AM
Advertisement
Avatar
ASEMASTER6371
  • CERTIFIED EXPERT
  • 52,796 POSTS
Good afternoon,

Using junkyard parts is always a chance. It sounds like it is no good and shorted internally. I would get a rebuilt unit and install it.

https://www.2carpros.com/articles/how-to-replace-a-starter-motor

https://www.2carpros.com/articles/starter-not-working-repair

Roy
Mar 2, 2022 at 12:37 PM
Avatar
TANNER2943
  • MEMBER
  • 2 POSTS
Thanks for getting back to me Roy. I replaced the salvage starter with a brand new one this morning, I'm still having the same issue. Is there anything else you can think of? I'm at a loss. Thanks in advance!
Mar 3, 2022 at 9:25 AM
Advertisement
Avatar
ASEMASTER6371
  • CERTIFIED EXPERT
  • 52,796 POSTS
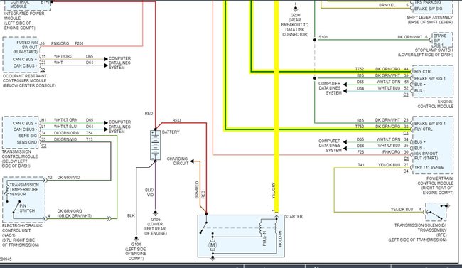
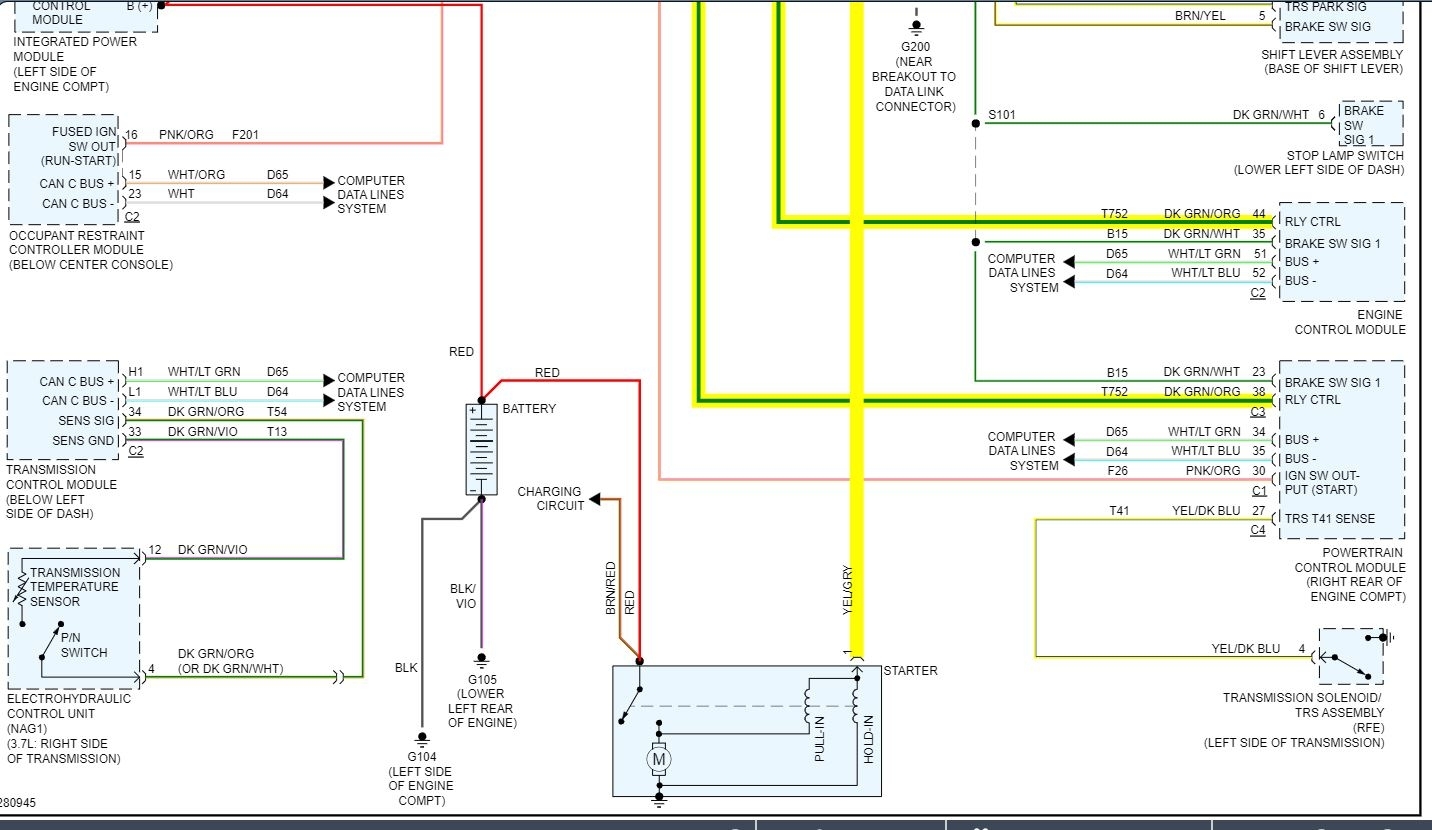
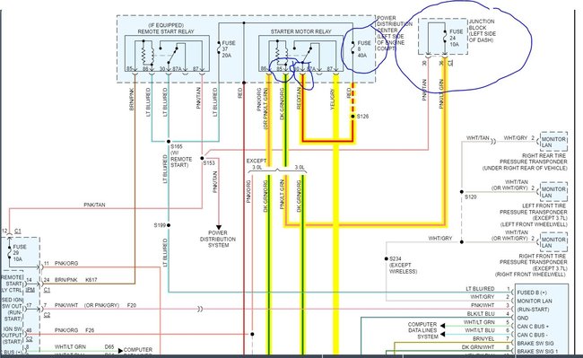
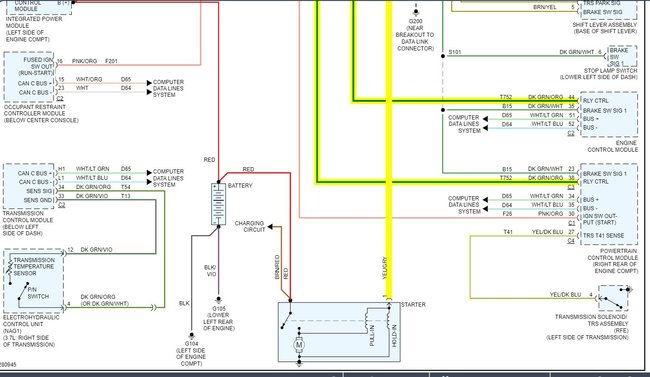
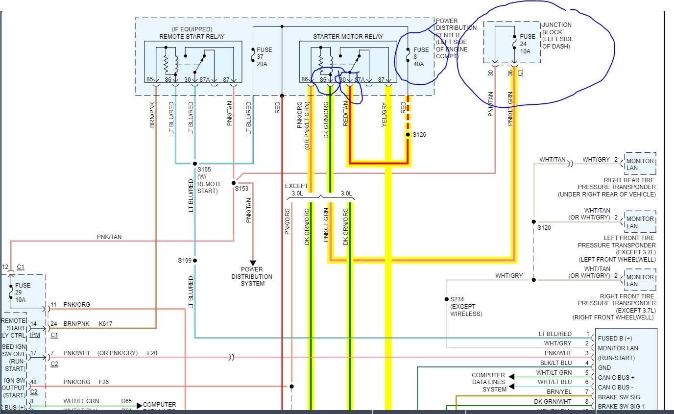
I attached a wiring diagram for you to view. Check both fuses I circled for power on both sides with the key on.

https://www.2carpros.com/articles/how-to-check-a-car-fuse

Then test terminals 30 and 85 for power at the relay.

https://www.2carpros.com/articles/how-to-check-wiring

https://www.2carpros.com/articles/how-to-check-an-electrical-relay-and-wiring-control-circuit

Roy
Mar 3, 2022 at 9:40 AM