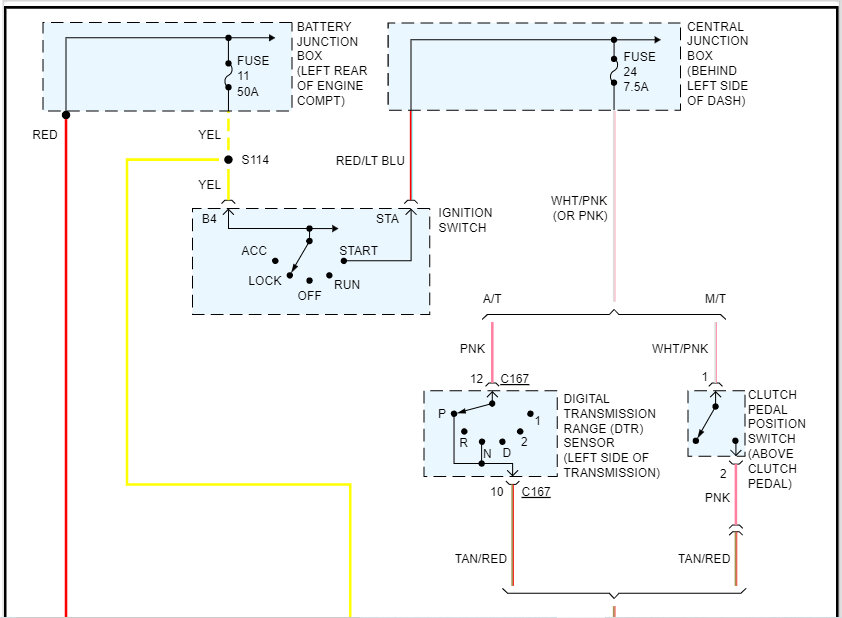
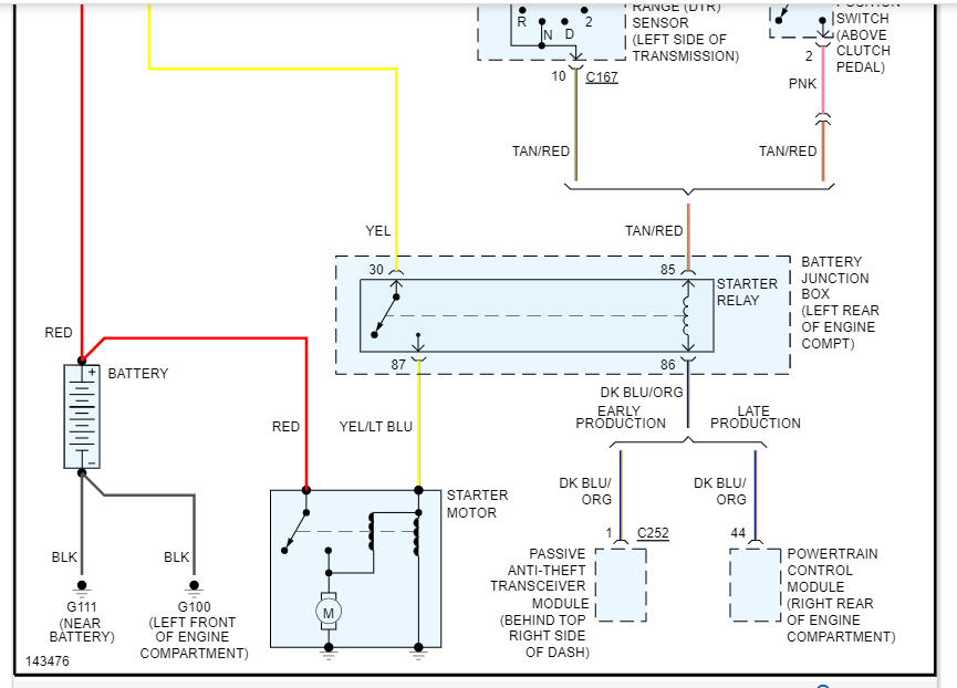
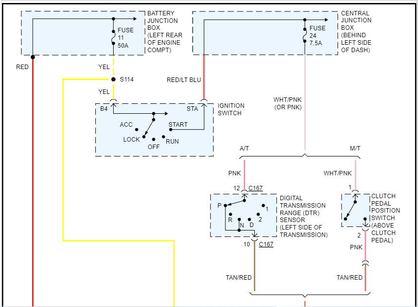
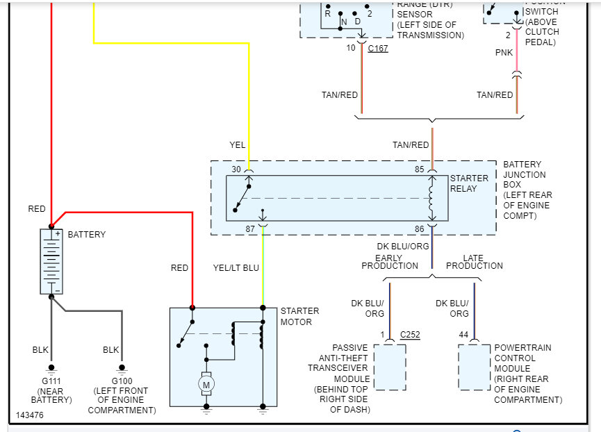
The car had to constantly be jumped off. Replaced the batter, same thing still. Ran a diagnostic at Advanced Auto and they said it was a bad starter.
Replaced the starter (first time ever doing this). My husband broke the clamp on the ground, so he replaced it with a brass one from Auto Zone.
When we try to crank the car, it clicks once then doesn't turn over. Power for windows, locks, etc., works and the batter is testing good.
Replaced the starter (first time ever doing this). My husband broke the clamp on the ground, so he replaced it with a brass one from Auto Zone.
When we try to crank the car, it clicks once then doesn't turn over. Power for windows, locks, etc., works and the batter is testing good.
Dec 15, 2022 at 1:49 PM

