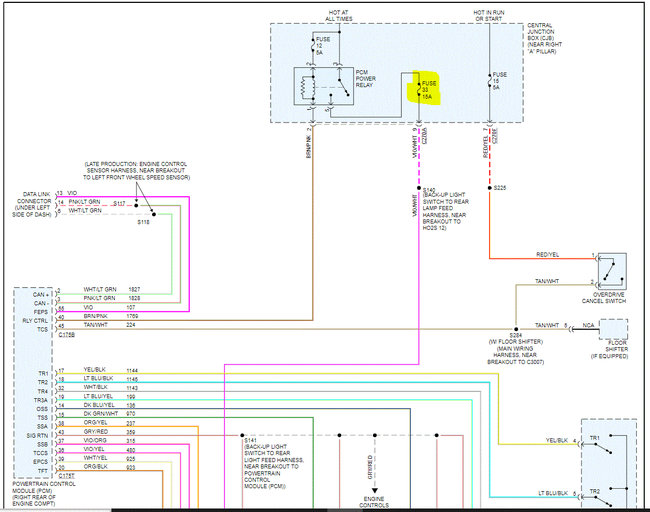
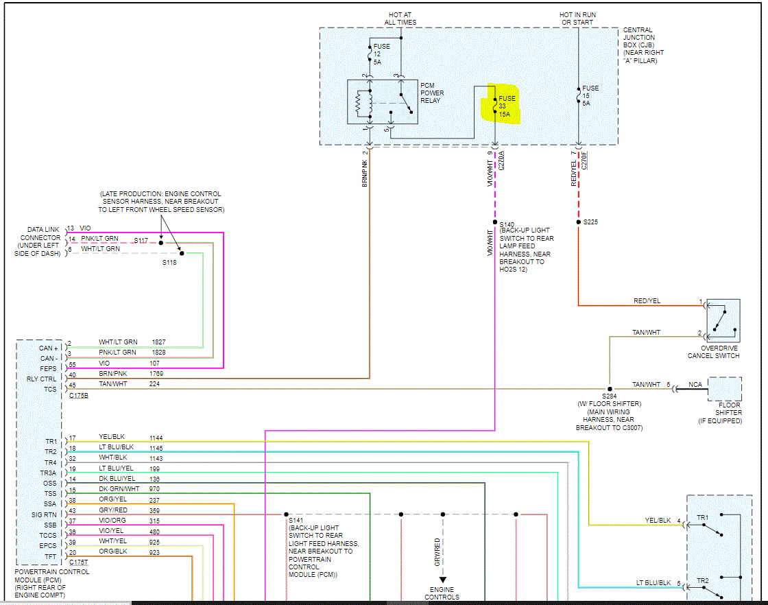
4R75W Transmission.
Rebuilt valve body replaced two solenoids and OD Servo. Now the truck won't do anything, and new battery drains immediately. Also replaced internal wiring harness.
Rebooted by disconnecting Battery. Seems like dead short.
Could solenoids, harness or Servo be bad and how to tell?
Rebuilt valve body replaced two solenoids and OD Servo. Now the truck won't do anything, and new battery drains immediately. Also replaced internal wiring harness.
Rebooted by disconnecting Battery. Seems like dead short.
Could solenoids, harness or Servo be bad and how to tell?
Oct 16, 2021 at 6:28 PM


