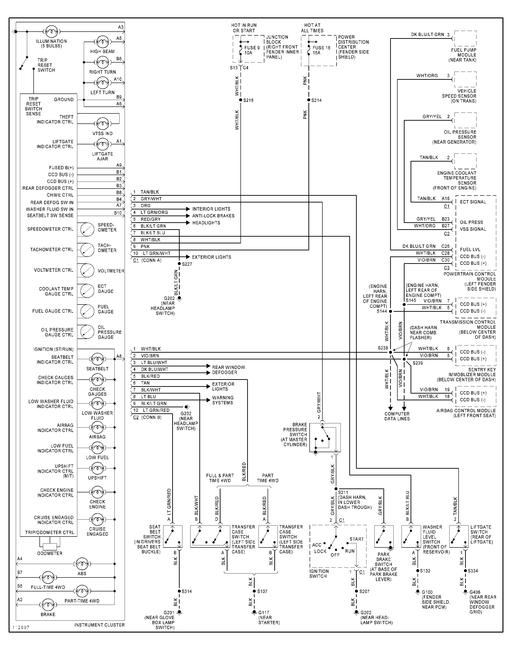
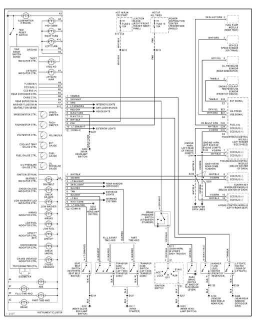
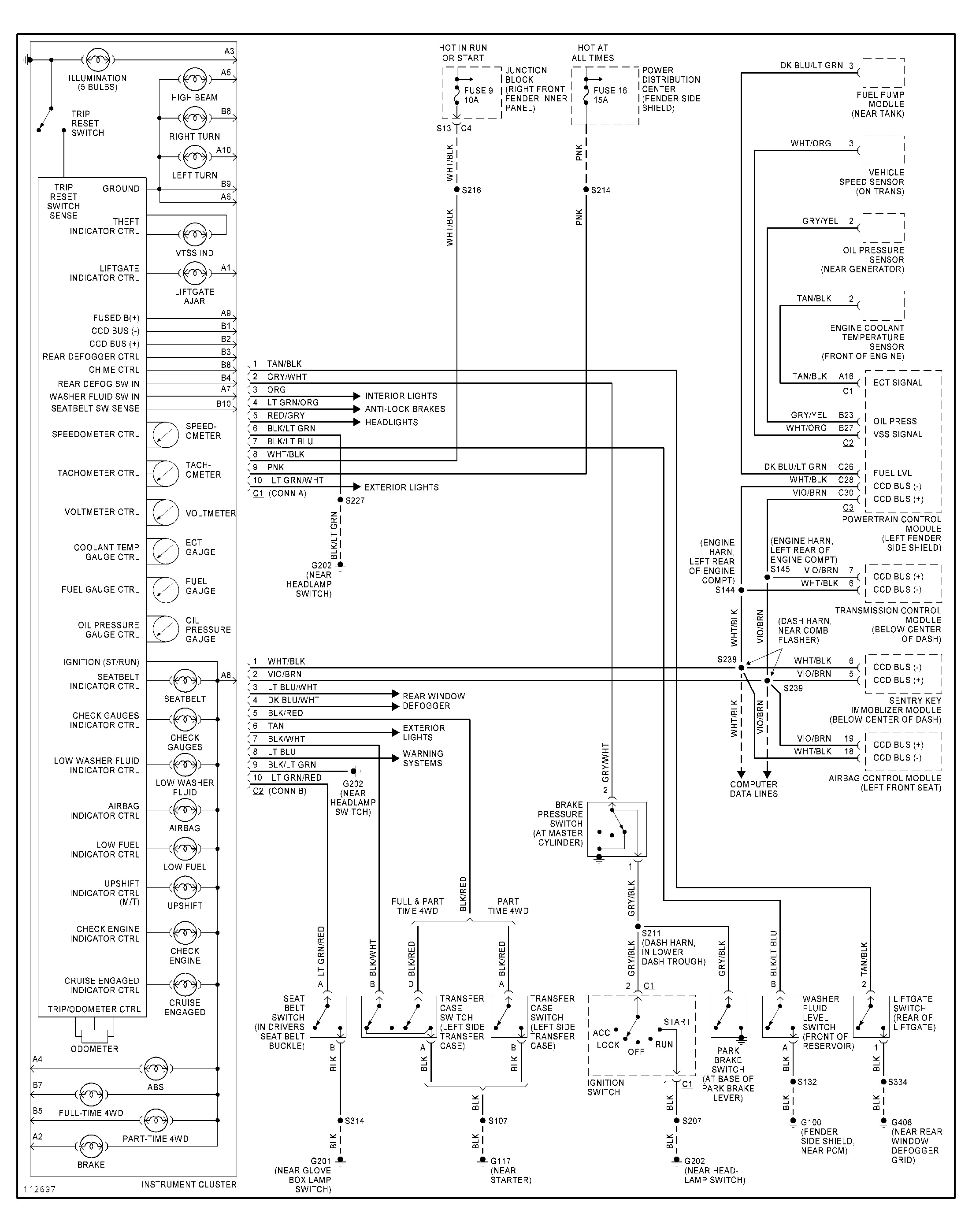
engine runs fine but gauges come on for a second the tach dies after a few seconds and the other gauges don't read correctly when I turn the light on all the gauges die and the turn signal indicator lights both come on and stay on I have checked connections and fuses and still no luck
Jun 9, 2013 at 12:38 PM


