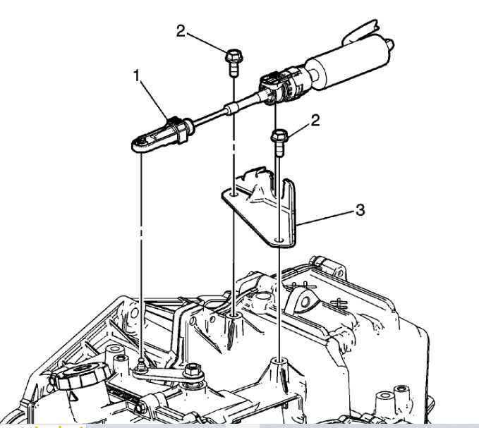
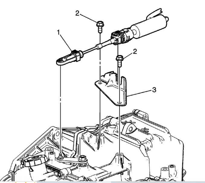
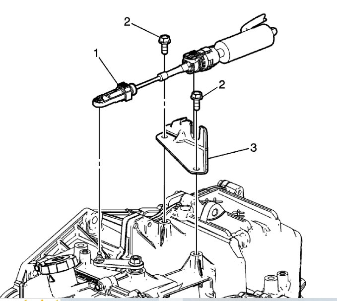
I drove my vehicle listed above SLT last week and it was fine. I shifted the transmission into park in my driveway, turned it off. My wife wanted to go to the store and the shifter would not budge. Step on the brake, press the shifter and it was stuck in park. I turned the car off, started it and it started beeping and the backup camera came on, now it's stuck in reverse, and I can't get the key out. I looked and saw that the shifter cable was broken, so I replaced it, easy fix. Replacing it was too bad, but it's still stuck, and didn't fix it. I thought that would've fixed the problem but it's still not working. Any help would be greatly appreciated. I really don't want to take it to the dealership. Thank you in advance for your help.
Sep 23, 2022 at 5:43 PM





