Replace the alternator

2008 MERCURY MARINER
123,000 MILES • 3.0L • 6 CYL • 4WD • AUTOMATIC
Avatar
FIRERAY
  • MEMBER
  • 3 POSTS
The engine has the alternator in the front above the A/C condenser and near the radiator. What needs to be disassembled to get this alternator out? I have taken off the plastic covering on the underside along with the inside fender wheel well cover. I loosened up the front grill and radiator supports, but still not given me enough room to work. Any ideas?
Aug 18, 2018 at 2:50 PM
Advertisement
Avatar
ASEMASTER6371
  • CERTIFIED EXPERT
  • 52,796 POSTS
Good afternoon.

The procedure is below. It is very tight in there to remove it.

Roy

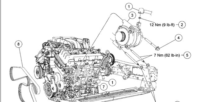
Removal and Installation

1. Caution: Do not allow any metal object to come in contact with the generator housing and internal diode cooling fins. A short circuit may result and burn out the diodes. Failure to follow this instruction may result in component damage.

Disconnect the battery.

2. Remove the 6 lower splash shield bolts and the 2 pin-type retainers.
- To install, tighten to 8 Nm (71 lb-in).

3. Note: The left hand lower splash shield must be removed before the RH lower splash shield.

Remove the lower splash shields.

4. Rotate the front end accessory drive tensioner counterclockwise and position the accessory drive belt aside.
5. Disconnect the generator electrical connector.
6. Position the generator B+ protective cover aside and remove the generator B+ terminal nut.
- To install, tighten to 12 Nm (9 lb-ft).

7. Remove the 3 A/C compressor bolts. Use a tie-strap and position A/C compressor aside.
- To install, tighten to 25 Nm (18 lb-ft).

8. Loosen the 2 generator nuts.
- To install, tighten to 47 Nm (35 lb-ft).

9. Remove the 2 lower generator studs.
- To install, tighten to 7 Nm (62 lb-in).

10. Remove the upper generator bolt and the generator.
- To install, tighten to 47 Nm (35 lb-ft).

11. To install, reverse the removal procedure.
- Tighten the upper generator bolt with vehicle on the ground.
Aug 18, 2018 at 3:02 PM
Avatar
FIRERAY
  • MEMBER
  • 3 POSTS
Thank you for the quick response. So there is no need to disassemble and move any of the front end components -fans-radiator, etc., only moving the condenser out of the way should give me enough room? Thanks again.
Aug 18, 2018 at 4:17 PM
Advertisement
Avatar
ASEMASTER6371
  • CERTIFIED EXPERT
  • 52,796 POSTS
No need to remove front end components. Like I said it is tight but it does come out.

Roy
Aug 18, 2018 at 5:29 PM
Avatar
FIRERAY
  • MEMBER
  • 3 POSTS
Thanks for all the information. Yes it was tight, but worked like you said and saved me a lot of money. Thanks again.

Mike
Aug 21, 2018 at 4:50 AM
Avatar
ASEMASTER6371
  • CERTIFIED EXPERT
  • 52,796 POSTS
You are welcome.

Roy
Aug 21, 2018 at 4:55 AM