Starter replacement instructions needed

1994 MAZDA 626
200,000 MILES • 2.0L • 4 CYL • 2WD • AUTOMATIC
Avatar
KENNY E BOSTIC
  • MEMBER
  • 10 POSTS
Engine won’t crank. Son replaced starter. It clicks but nothing else. How do I remove the starter?
Nov 8, 2020 at 1:48 PM
Advertisement
Avatar
ASEMASTER6371
  • CERTIFIED EXPERT
  • 52,796 POSTS
Good afternoon,

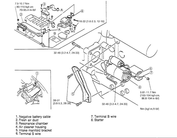
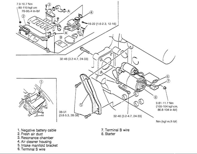
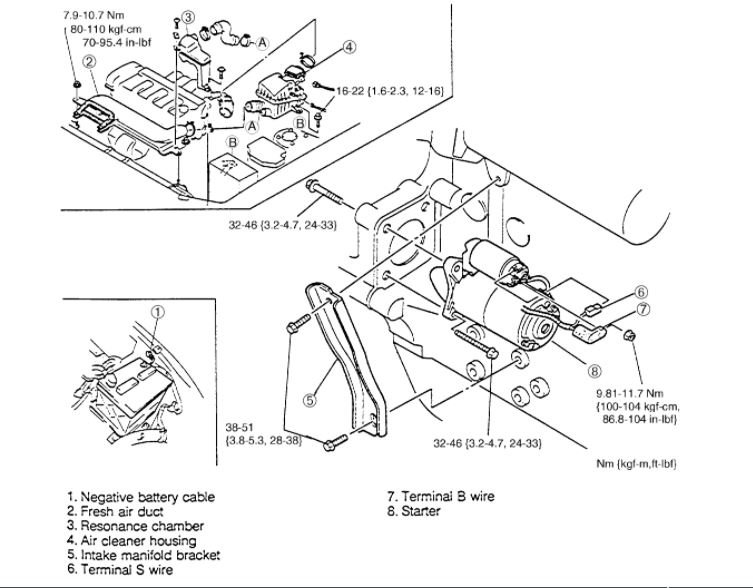
I attached a picture and a procedure for you to follow.

https://www.2carpros.com/articles/how-to-replace-a-starter-motor

I also found a YouTube video of the procedure as well.

https://www.youtube.com/watch?v=e3A-tGl7_M0

NOTE: Deactivate audio anti-theft function, as outlined under Technician Safety Information before disconnecting battery.

1. Disconnect battery ground cable.
2. Remove or disconnect components in order, Fig. 2.
3. Reverse procedure to install.
4. Reactivate audio anti-theft function as outlined under Technician Safety Information.
Nov 8, 2020 at 2:17 PM