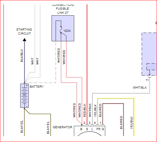
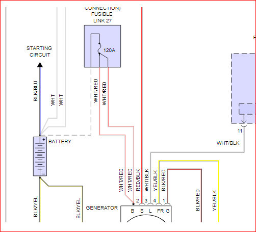
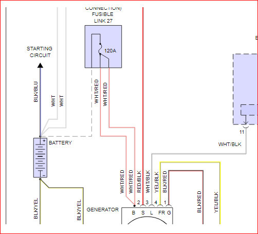
I have attached a wiring diagram picture showing the battery and fusible link including alternator. I have attached a tutorial showing how electrical systems work and wiring. Hope this helps and feel free to ask any questions if needed. Thanks for using 2CarPros.
Danny-