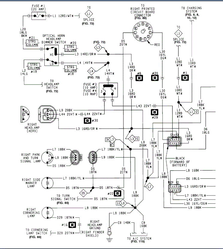
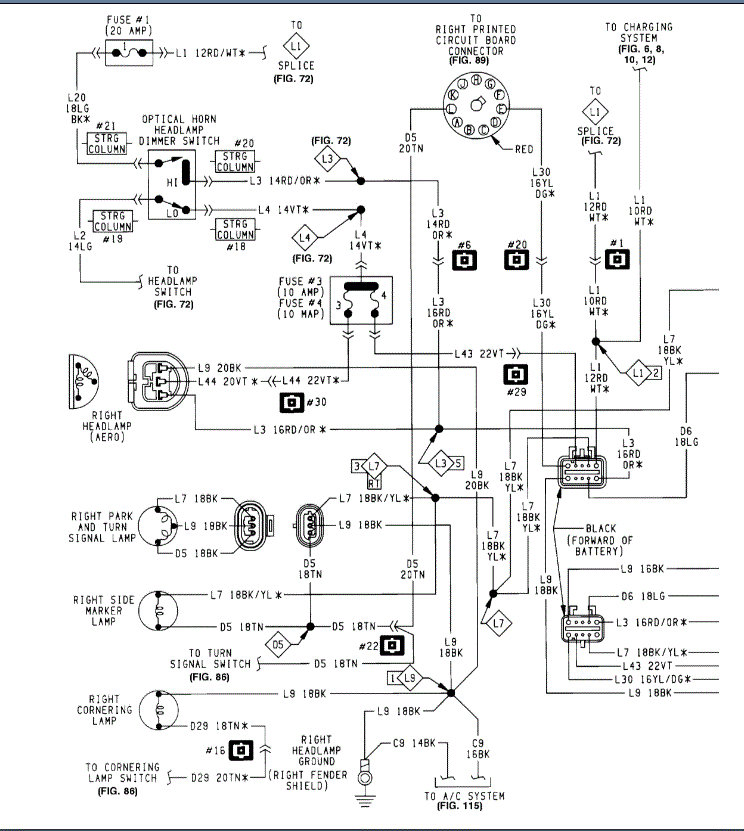
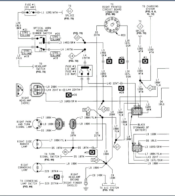
My dad's car's headlights will not come on nor will the headlight doors raise. I can hear the motor activate but no good. When we prop the doors open and turn on the lights they do not operate unless we hold the dimmer switch back, then they all light up, but go off as soon as we release the switch. I cannot find any info on replacing the headlight switch itself as a starting point. Also plan on replacing fuses and relays before we attempt work on headlight motor. Any information would be appreciated. He's 81, a Marine Veteran and his dream is restoring this car.
Thank you for any and all help.
Thank you for any and all help.
Feb 12, 2020 at 5:59 PM
