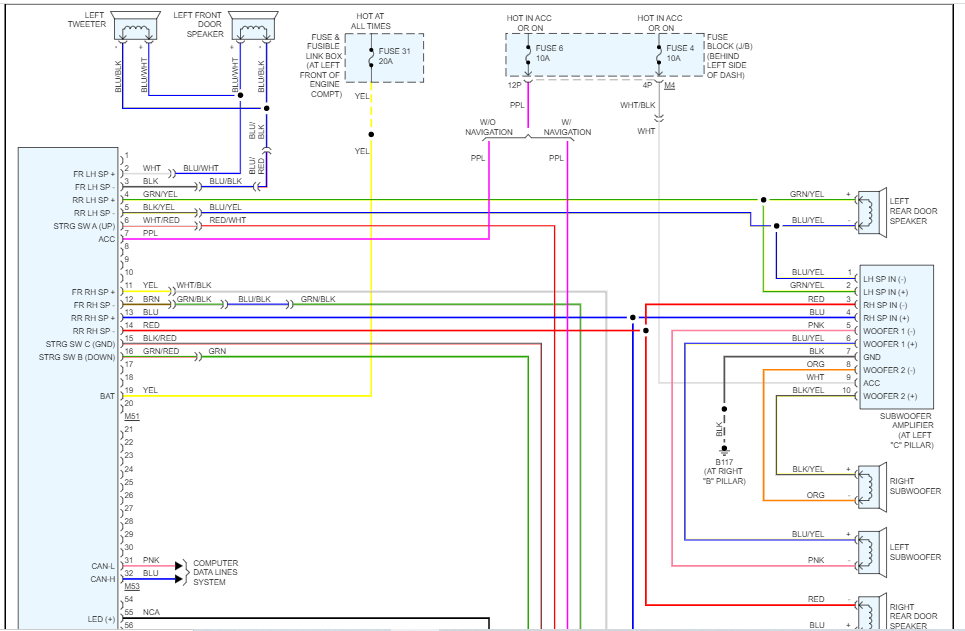
I'm trying to put my10in Eonon media player in my car listed above with Navigation and steering wheel controls. I got a Metra wiring harness for an 2007 Maxima but my question is, there are 4 wire connections on the back of my factory Nissan 6-disc stereo, what are each of them used for and do i need to have them all plugged with more wiring harnesses because the one i got just has one white connector and a smaller grey one for the antenna/amp?
Nov 4, 2022 at 12:01 PM






