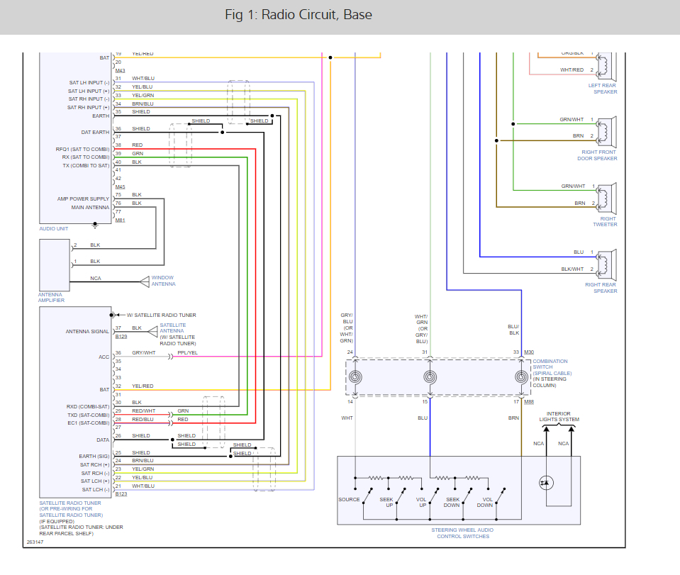
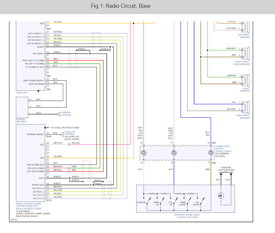
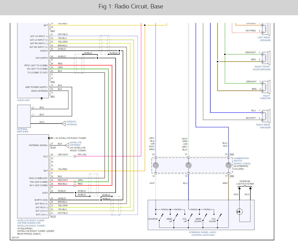
Does anyone know how to replace the 2 factory 3.5" front dash speakers on the car listed above with aftermarket ones? Crutchfield doesn't have a speaker wire harness for the 3.5" In fact if you buy new 3.5" speakers from them they include 3' of speaker wire female quick slide terminals and butt connectors. I already have the factory speakers removed just need to know how to install new ones.
Mar 15, 2021 at 11:17 AM




