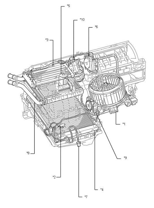
I recently took my Corolla into the shop because of a huge issue with my defrost, and I was told that the problem required putting in a new actuator (8710602220) or an entirely new assembly (8713002670). The price I was quoted for the repair was around $1200 and $1400, respectively. Does that sound reasonable? I have little knowledge with car repairs, but from what I could find on this website for similar repairs (https://www.2carpros.com/articles/replace-blend-door-motor) it doesn't seem like this job warrants 1000 dollars in labor costs. I would appreciate any advice, and a thank you to those who put in the time to run this website.
Jan 22, 2019 at 7:39 PM

