Removing dashboard and stuck at passenger airbag?

2006 GMC SIERRA
89,000 MILES • 4.8L • V8 • 2WD • AUTOMATIC
Avatar
MATLACK
  • MEMBER
  • 2 POSTS
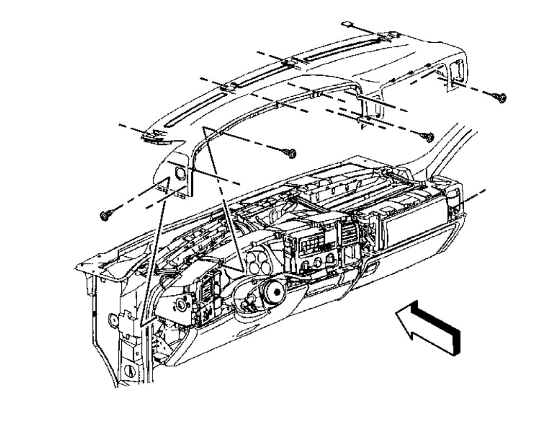
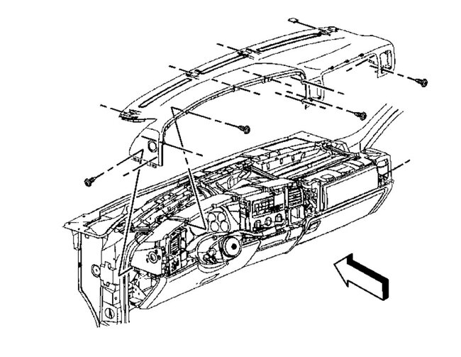
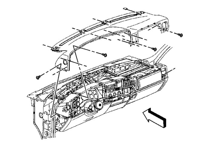
Removing dash and stuck near passenger airbag. All 4 10mm bolts were removed from the airbag unit and unit unplugged from harness with battery disconnect. My question is should the entire airbag unit slide out towards the passenger seat? There are two pillars that go inside I am assuming for the grab handle over the airbag area. Do I need to somehow remove those to get the airbag out? I have followed instructions from many sources and can't seem to find the solution so I can remove the rest of the dash cover. Any input or insight is truly humbly appreciated. I try not to cry out for help without due diligence, but this has me in a bad way. Thank you so very much.
Jul 31, 2025 at 6:26 AM
Advertisement
Avatar
STEVE W.
  • CERTIFIED EXPERT
  • 15,113 POSTS
The dash doesn't come out in one piece. You have to remove the grab handle, the side access panels and the top trim panel, then you can get to the pieces that hold the air bag and the hidden bolts for the dash. Remove the two vent outlets on the right (they pop out) then reach in and push the release tabs in the ducts to release the grab handle. It will pull out. Now remove the hidden screws and detach the clips and the top pad will come off. Now you can get to the air bag retaining screws that go in from the back of the panel and hold the module in place. Then it will slide out the front of the assembly.
Jul 31, 2025 at 11:01 AM