Remove drivers side power window switch panel

2008 KIA SORENTO
143,000 MILES • 6 CYL • 4WD • AUTOMATIC
Avatar
SCP1SCP
  • MEMBER
  • 2 POSTS
The side mirrors do not work and I have purchased a new switch. I found screw in bottom of door handle but the switch panel does not lift off.
Apr 4, 2018 at 5:24 PM
Advertisement
Avatar
STEVE W.
  • CERTIFIED EXPERT
  • 15,113 POSTS
No screws holding it in. Get a flat tool like a narrow plastic scraper or plastic knife. gently lift the rear edge of the switch trim panel up and insert the tool into the gap and press in on the tab in the middle of the trim and release the switch.

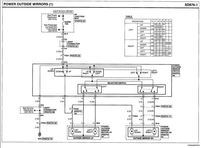
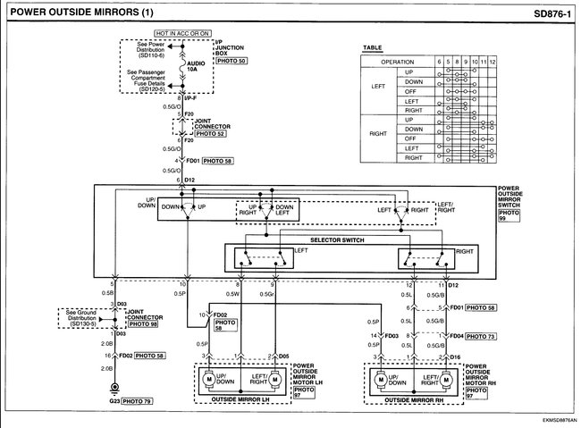
The charts show the terminals and how they connect for each mirror motor. Use a simple continuity tester or a meter with that function to test the switch.

Pins 5 and 6 in the plug carry the power and ground to the switch. If your power window and lock works on the drivers door the ground is okay, but you could still be missing power in. That is on the green wire with orange stripe. It should have battery power. It gets power from the audio fuse which also powers the clock and radio.

Let us know if changing the switch fixes the problem.
Apr 4, 2018 at 9:36 PM
Avatar
SCP1SCP
  • MEMBER
  • 2 POSTS
I am not home now but that is exactly what I need. Thanks for the prompt response.
Apr 5, 2018 at 6:01 AM
Advertisement