Installing a remote starter and cannot find the starter wire at the ECM

2007 CHEVROLET MONTE CARLO
225,240 MILES • 3.5L • 6 CYL • 2WD • AUTOMATIC
Avatar
1502WS
  • MEMBER
  • 6 POSTS
I don't know what color it is. not the red and white one or the yellow. do I run it from the r terminal on the starter? this is my first time installing a remote starter. the ECM has a lot of wires, and every harness is taped up. hard to trace it from the starter.
Nov 13, 2021 at 3:07 PM
Advertisement
Avatar
JACOBANDNICKOLAS
  • CERTIFIED EXPERT
  • 110,175 POSTS
Hi,

I'm not sure which wire you are looking for. If it is the trigger wire on the starter, it will be purple. Let me know specifically which wire you are looking for.

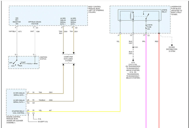
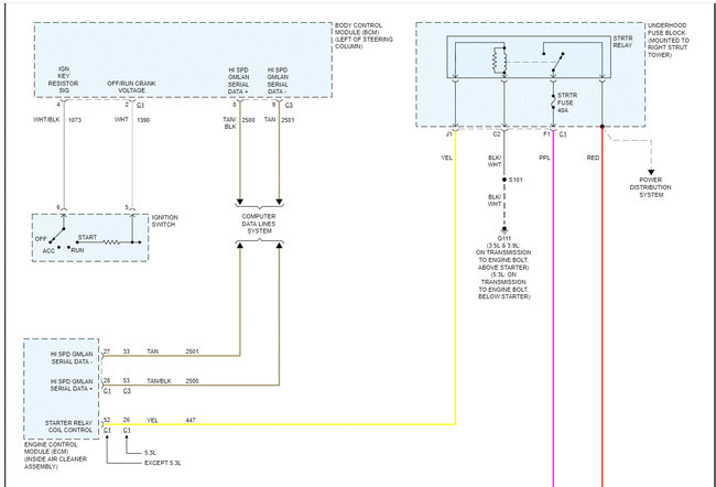
As a guide, I attached the wiring schematic below for the starting system. I had to cut the pic in half to make it readable for you, but I did overlap them so you can follow from one to the next.

Also, here is a link you may find helpful:

https://www.2carpros.com/articles/how-to-check-wiring

Let me know what I can do to help. Also, I have no idea what system you are using or the schematic they provided, so let me know as much as you can.

Take care,

Joe

See pics below.

Nov 14, 2021 at 12:16 AM
Avatar
1502WS
  • MEMBER
  • 6 POSTS
Thanks Joe, I believe you answered my question I needed the starter wire that has 12 volts only when in the start position. I'm installing an ultrastart remote system I got on Ebay. the schematic said run it to the starter wire at the ECM. It is the output wire to activate the starter circuit. If this wire is 12volts only during the start, we are good. Again, thanks for your response.
Nov 14, 2021 at 1:25 PM
Advertisement
Avatar
JACOBANDNICKOLAS
  • CERTIFIED EXPERT
  • 110,175 POSTS
Hi,

You are very welcome. What I can tell you is that wire should only have the 12v when the key is in the start position (or trying to start the engine). That is what engages the solenoid and closes the circuit for the starter motor to run.

Just be careful. Make sure nothing can short.

Take care of yourself and let me know if I can help.

Joe
Nov 14, 2021 at 6:43 PM