Hi Mark,
I'm not sure I heard of such a battery. The remote (fob) has a battery, but it doesn't sound like that is what they are referring to.
I attached three pics below. Pic 1 shows the location of the remote function actuator module, but I don't believe there is a separate battery for it. Keep in mind, that is for all remote functions.
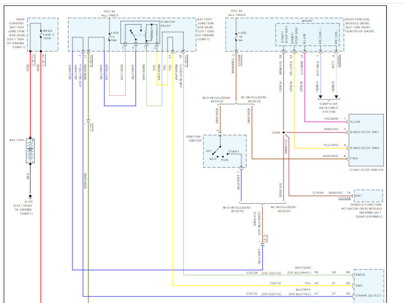
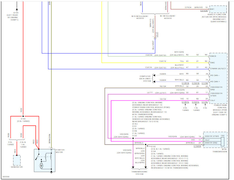
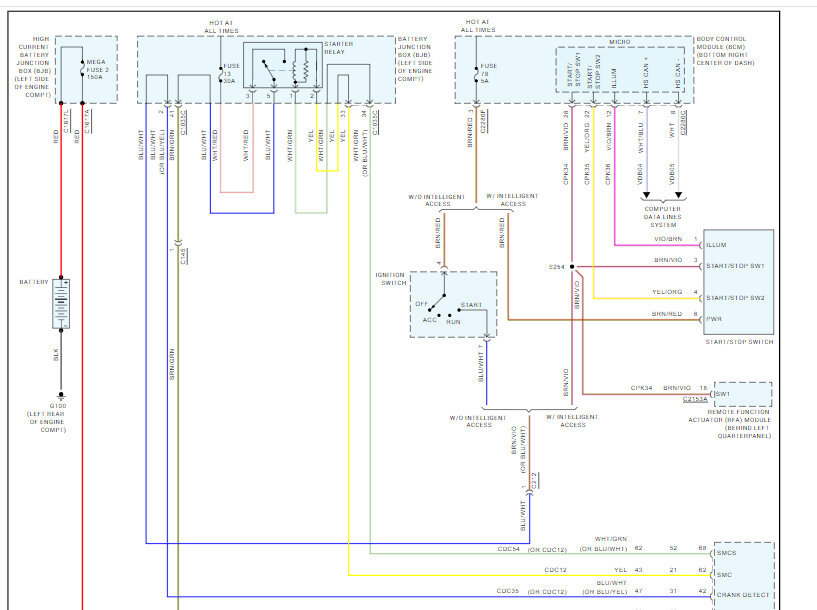
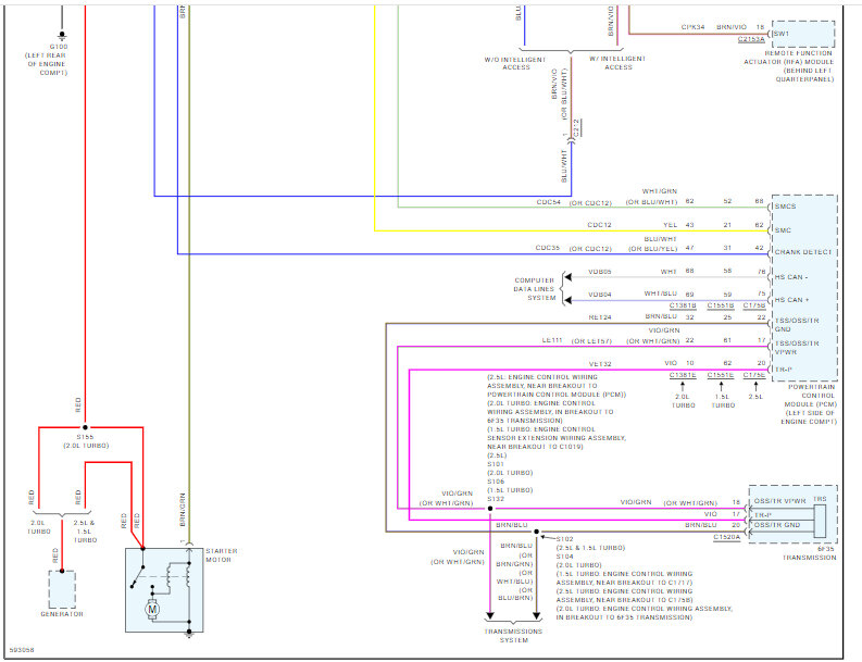
Pics 2 and 3 are the wiring schematic for the starting system. I read through it a few times and don't see anything indicating a separate power supply.
Let me know what symptoms your son is experiencing and if they provided any diagnostic trouble codes that may help me narrow things down.
Take care,
Joe
See pics below. Note: The wiring schematic was one page. I had to cut it in half to make it readable for you. I did overlap the two so you can follow from one to the next.
Images (Click to enlarge)
Mar 2, 2024 at 10:50 PM