Electrical problem

1995 NISSAN PATHFINDER
100,000 MILES • 3.0L • V6 • 2WD • MANUAL
Avatar
TROYDIRT
  • MEMBER
  • 4 POSTS
Every since I replaced the main relay it has caused my car to cut out, lose power, the heater does not blow and the windows will not open. I still have the problem of it clicking. if I keep trying it will finally turnover and starts. what could be the cause of this?
Feb 11, 2017 at 7:33 PM
Advertisement
Avatar
STEVE W.
  • CERTIFIED EXPERT
  • 15,113 POSTS
Do not think so. The main relay usually has a bunch of extra parts in it to control multiple items while the inhibit relay is nothing but a simple relay.
Feb 12, 2017 at 12:10 AM
Avatar
STRAILER
  • CERTIFIED EXPERT
  • 53,855 POSTS
Hey,

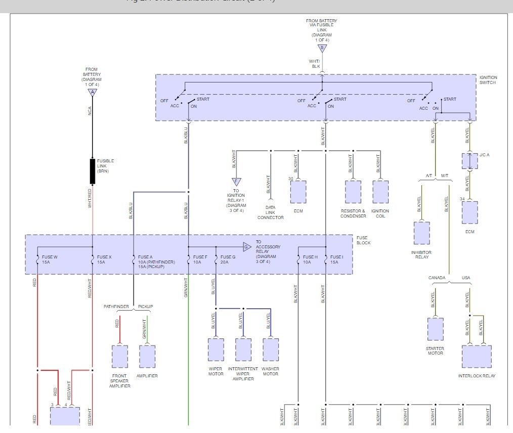
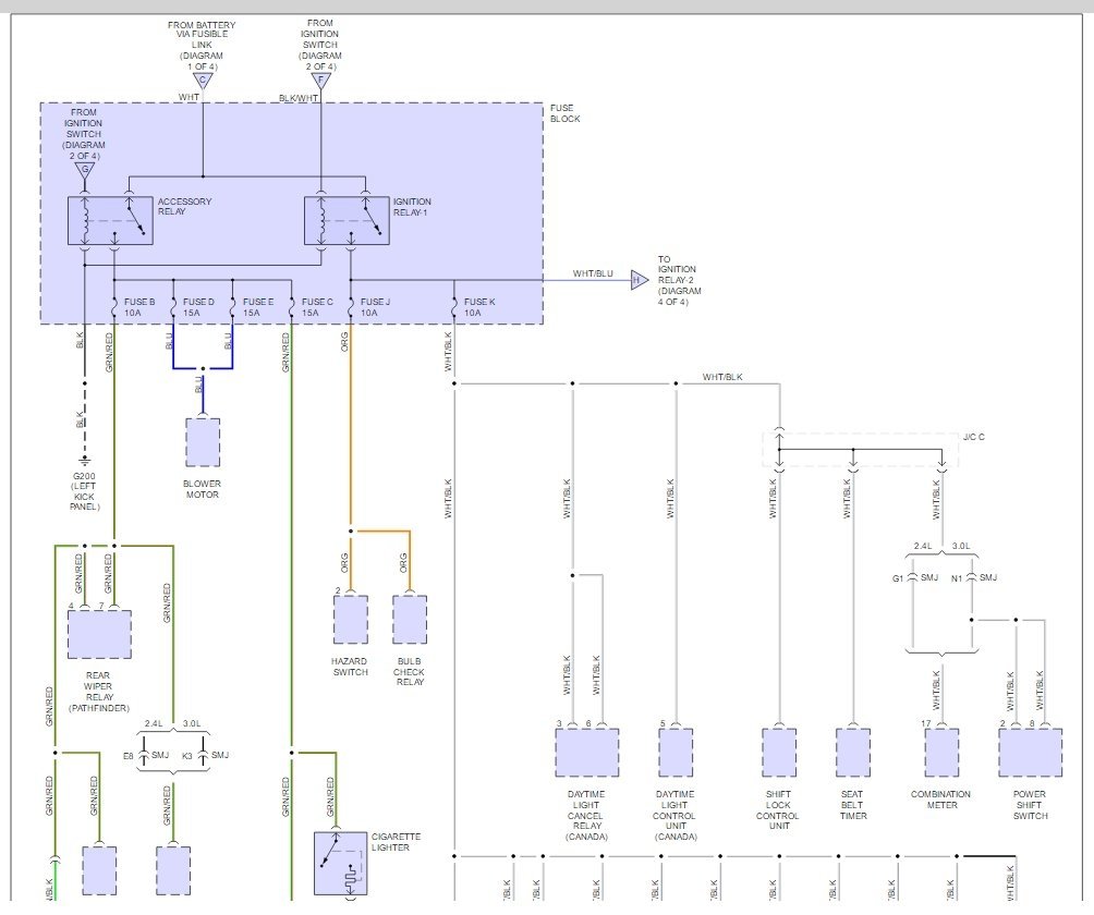
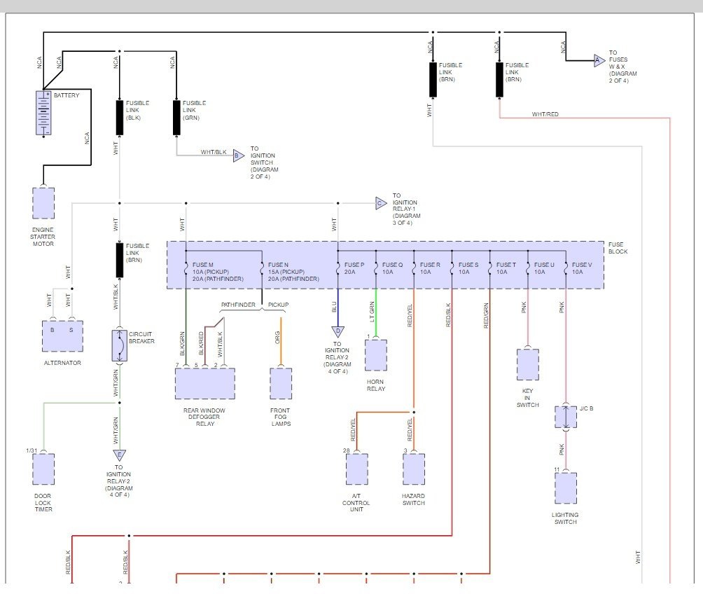
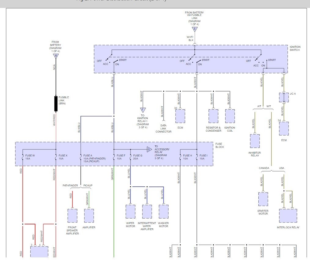
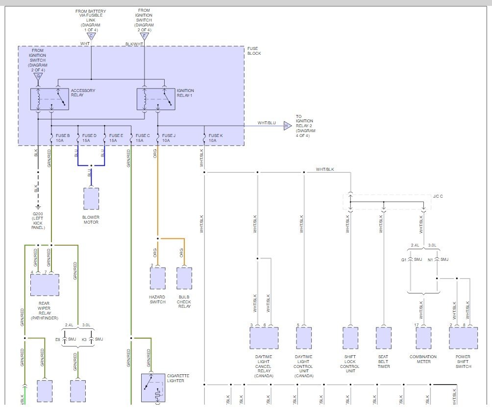
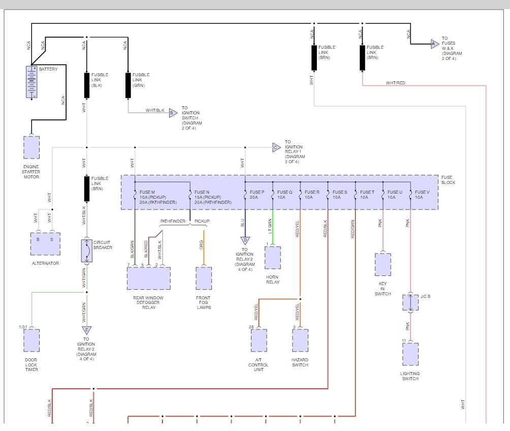
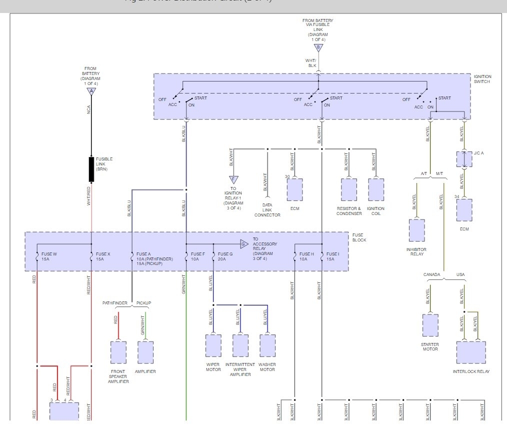
It sounds like you should do a load test on the battery to start. Then follow this wiring diagram and run some tests to see were you are losing the power at.

https://www.2carpros.com/articles/car-battery-load-test

and

https://www.2carpros.com/articles/how-to-use-a-test-light-circuit-tester

Please run some tests and get back to us so we can continue helping you.

Best, Ken
Feb 15, 2017 at 10:19 AM
Advertisement