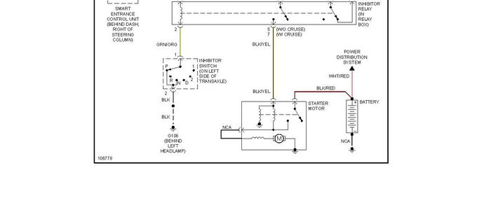
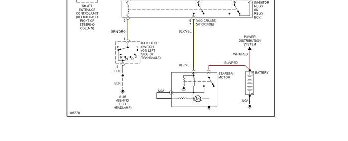
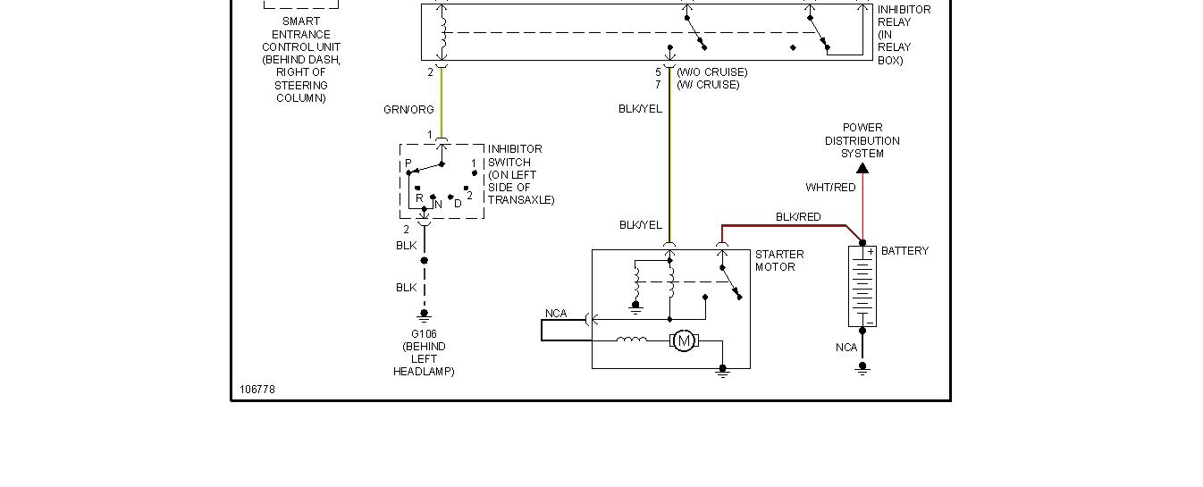
We bought this car used with 54,000 miles on it just under a month ago. On Saturday the car had trouble starting and we used push to start approximately 20-25 times before it started up. It was fine on Sunday and Monday but Tuesday morning and since then it refused to start. We picked up a replacement starter relay part but when we open the fuse box (?) inside the drivers side, we are unsure which plug should be replaced and some are behind a sort of metal shield.
Really trying to replace this ourselves versus pay for a tow, the parts and labor at the dealership.
Help!
Really trying to replace this ourselves versus pay for a tow, the parts and labor at the dealership.
Help!
Feb 13, 2019 at 4:19 PM




















