Relay problems

2005 CHEVROLET TRAILBLAZER
180,000 MILES
Avatar
TAMMYLOU
  • MEMBER
  • 2 POSTS
Relays under hood keep going out. Lights, radio, computer port, etc. Needed a fuse in panel under seat. Changed that, then radio went out. I’m convinced there’s a shortage. Sometimes when I apply brakes the low beam lights will come back on for just a few minutes. Do we start looking for a shortage here? Can’t find a diagram showing a map of wires and where they go. And yes I’m a girl with limited knowledge! Unfortunately I know this problem well. I’ve replaced low beam relay 3 times. Instead of replacing 3 more I’m convinced the problem is a shortage since new fuse didn’t fix. Where do we even start to look? Can you help please and can you tell me where to find a wiring map?
Jan 29, 2020 at 1:07 PM
Advertisement
Avatar
SCGRANTURISMO
  • CERTIFIED EXPERT
  • 4,897 POSTS
Hello,

Well, you don't have to worry about looking for a short. When an electrical circuit gets a short in it, it blows the fuse. I could explain why, but it might be a bit much, right now. If you would like me to, though, I will gladly. So here are links to a couple of guides that you might find helpful below:

https://www.2carpros.com/articles/how-to-check-an-electrical-relay-and-wiring-control-circuit
https://www.2carpros.com/articles/how-to-use-a-voltmeter
https://www.2carpros.com/articles/how-a-car-electrical-system-works

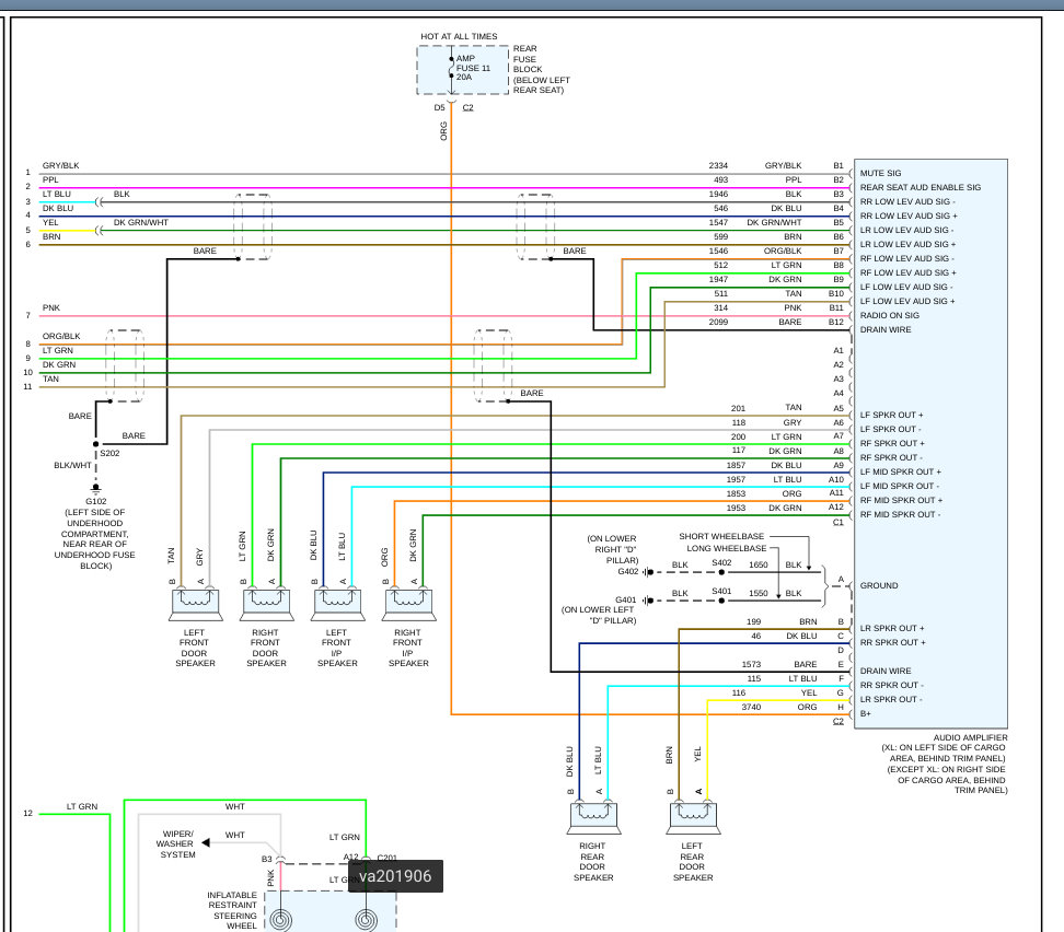
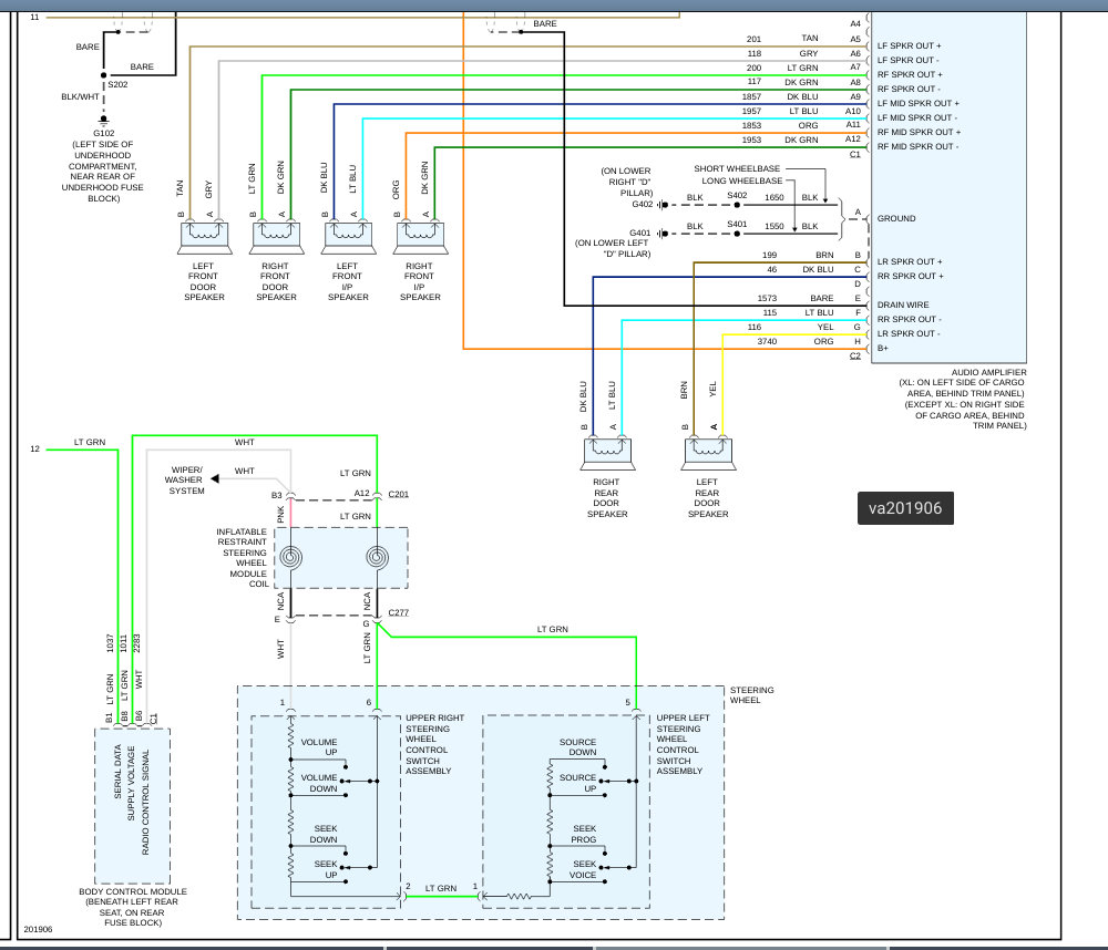
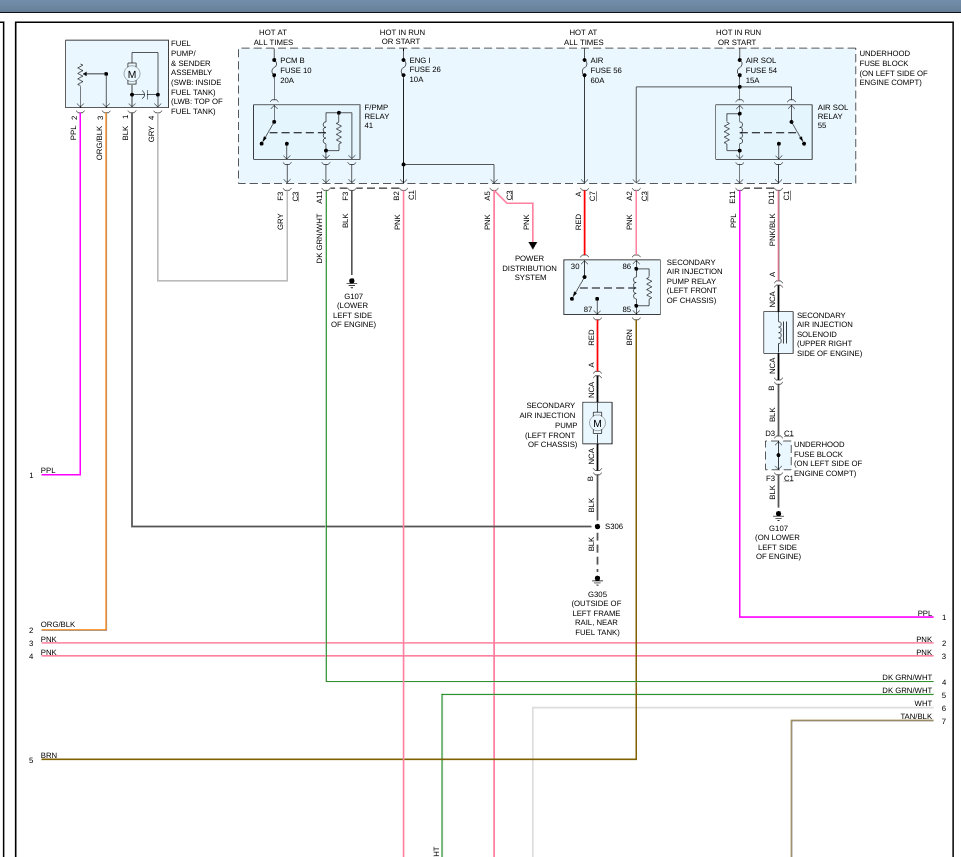
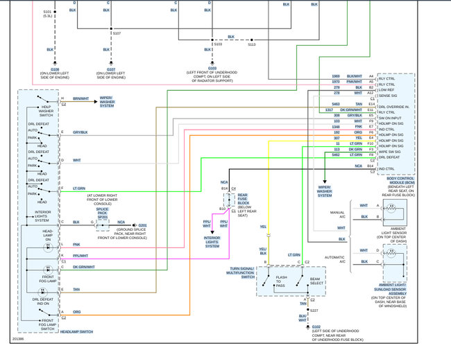
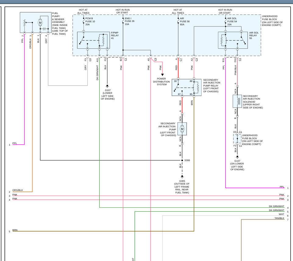
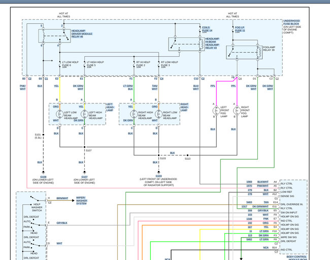
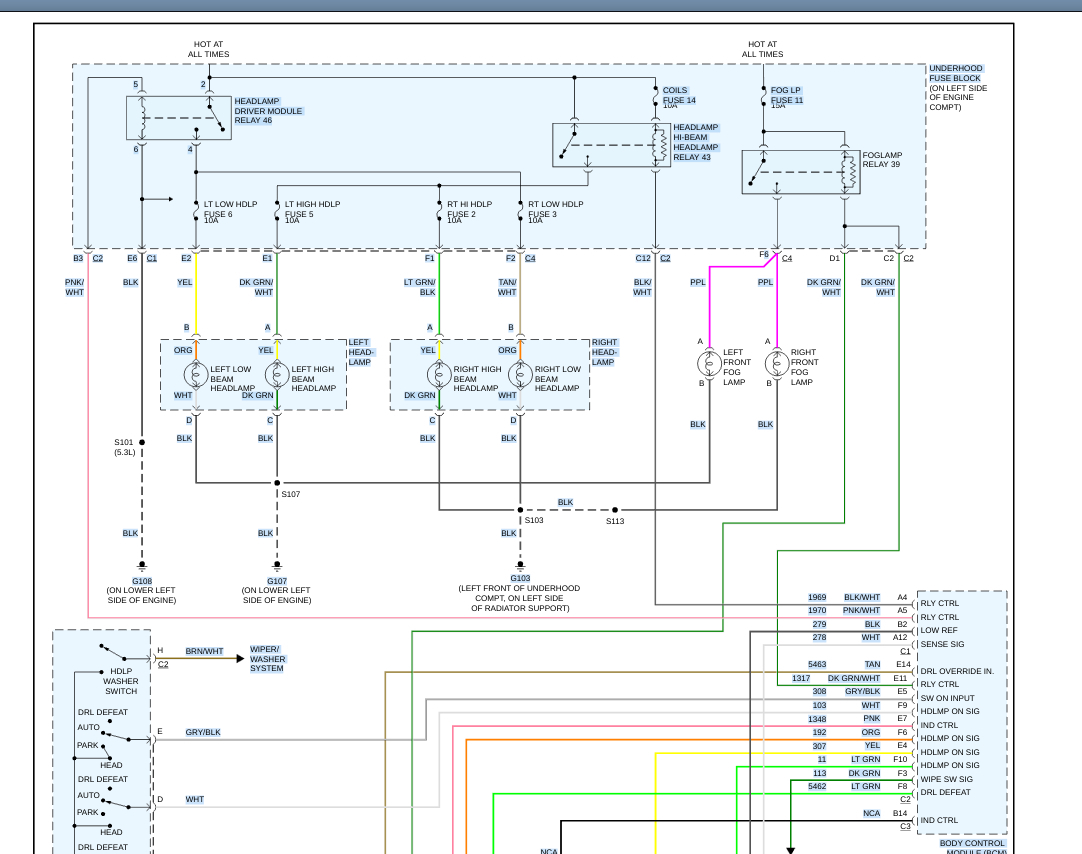
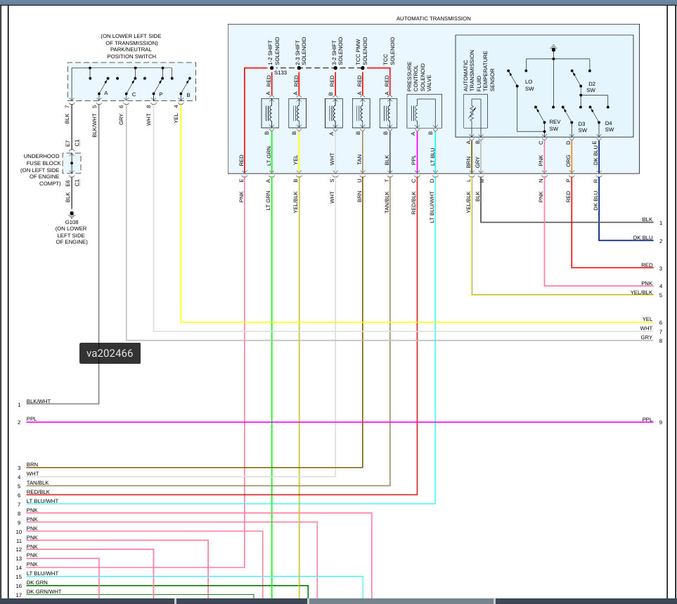
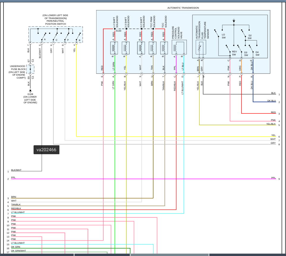
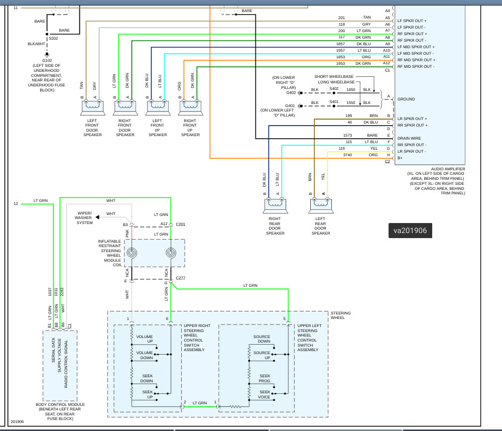
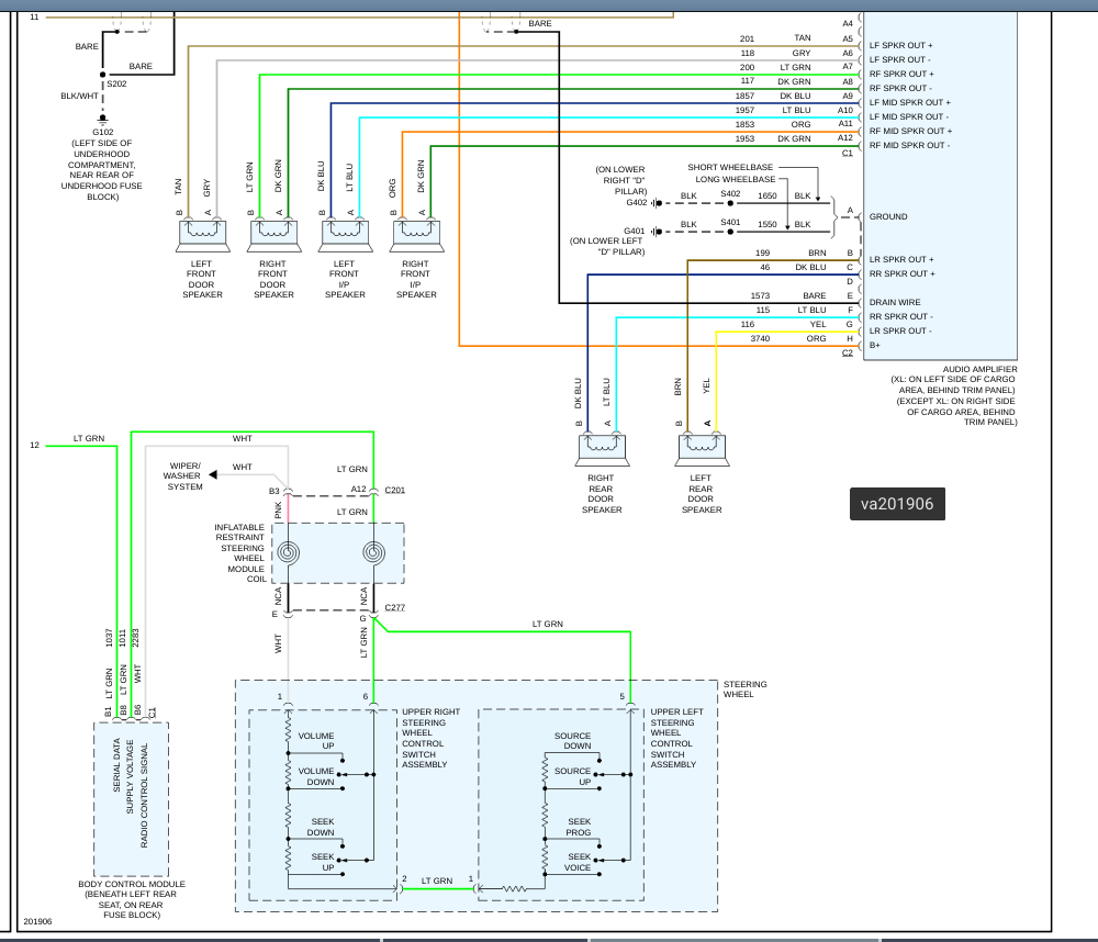
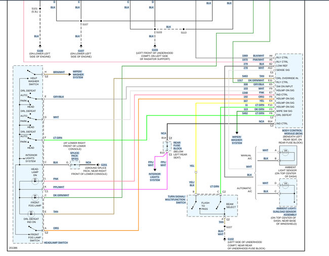
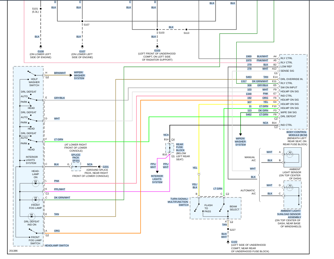
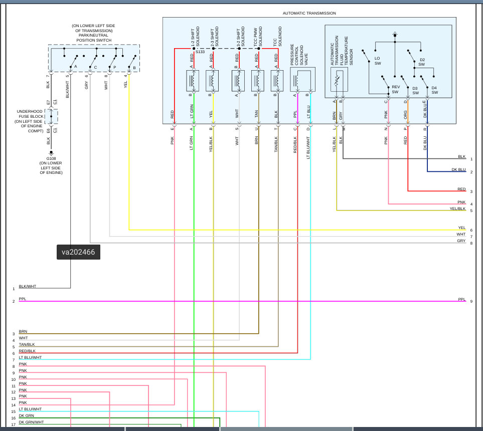
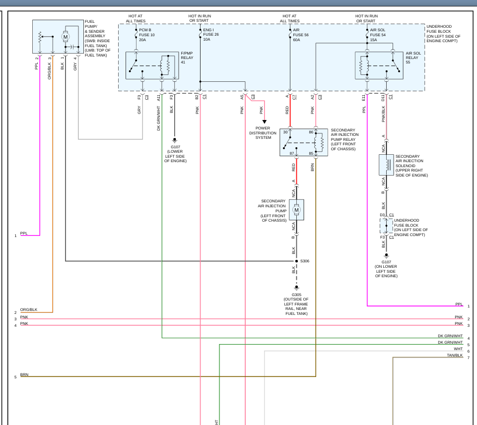
I have also included the wiring diagrams for the headlights, stereo, and power-train management[engine and transmission and computer that runs them] in the diagrams down below. If you would like the wiring diagrams to other systems on your vehicle, please, just ask. You read them like you would a book, from top to bottom and left to right. Please go through these guides and get back to us with what you find out, or if you have any other questions, or need some clarification about any thing. We are here to help.

Thanks,
Alex
2CarPros
Jan 29, 2020 at 2:18 PM
Avatar
STRAILER
  • CERTIFIED EXPERT
  • 53,854 POSTS
This sounds like the BCM is going out which is common, to be sure lets do a CAN scan which is the future of automotive repair you can get a CAN scanner from Amazon for about $50.00. here is a video to show you how:

https://youtu.be/InIlnsjOVFA

Here is how to change out the BCM. Check out the diagrams (below). Please let us know what you find. We are interested to see what it is.

Jan 29, 2020 at 3:17 PM
Advertisement